EasyManua.ls Logo

Sony HCD-SC6 - Page 71

Sony HCD-SC6
126 pages
Print Icon
To Next Page IconTo Next Page
To Next Page IconTo Next Page
To Previous Page IconTo Previous Page
To Previous Page IconTo Previous Page
Loading...
71
HCD-SC5/SC6/SC8
54321
OSC
START
REGULATOR
DRIVE
REGULATOR
THERMAL
SHUT DOWN
LATCH
OVER
VOLTAGE
PROTECTOR
OVER
CURRENT
PROTECTOR
OVER LOAD
PROTECTOR
D
GND
F.B
VIN
O.C.P
INH1
INH2
DRIVE
CURRENT
MIRROR
FEED BACK
4dB
4dB
VCC2
75
DRIVER
LPF
LPF
LPF
75
DRIVER
2dB4dB
2dB
75
DRIVER
2dB
75
DRIVER
2dB
4dB
75
DRIVER
2dB
4dB
75
DRIVER
4dB
2dB
CIN
2
VIN
4
MUTE1
3
YC MIX
5
YIN
6
BIAS
7
GND1
8
NC
9
GND1
10
NC
11
CYIN
12
CLP
13
CbIN
14
CrIN
16
GND2
17
MUTE2
15
VCC1
1
34
CrSAG
18
CrOUT
19
CbSAG
21
GND2
20
CbOUT
22
CYSAG
24
GND2
23
GND2
26
CYOUT
25
YSAG
27
YOUT
28
VSAG
30
GND2
29
GND2
32
VOUT
31
COUT
33
+
BIAS
BIAS
BIAS
BIAS
BIAS
CLAMP
CLAMP
CLAMP
LPF
LPF
LPF
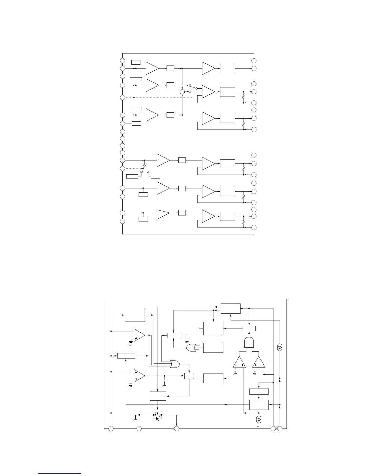
IC208 MM1568AJBE
– POWER BOARD –
IC901 STR-F6267D (EXCEPT MX, TW)
STR-F6238S (MX, TW)

Table of Contents

Related product manuals