EasyManua.ls Logo

Sony HT-DDW665 - Page 9

Sony HT-DDW665
36 pages
Print Icon
To Next Page IconTo Next Page
To Next Page IconTo Next Page
To Previous Page IconTo Previous Page
To Previous Page IconTo Previous Page
Loading...
Getting Started
masterpage:Right
lename[E:\SEM_Janet\J9040000_4252086821DDW665US\4252086821\GB03CON_HT-
D
DW665-US.fm]
9
US
model name1[HT-DDW665]
[4-252-086-82(1)]
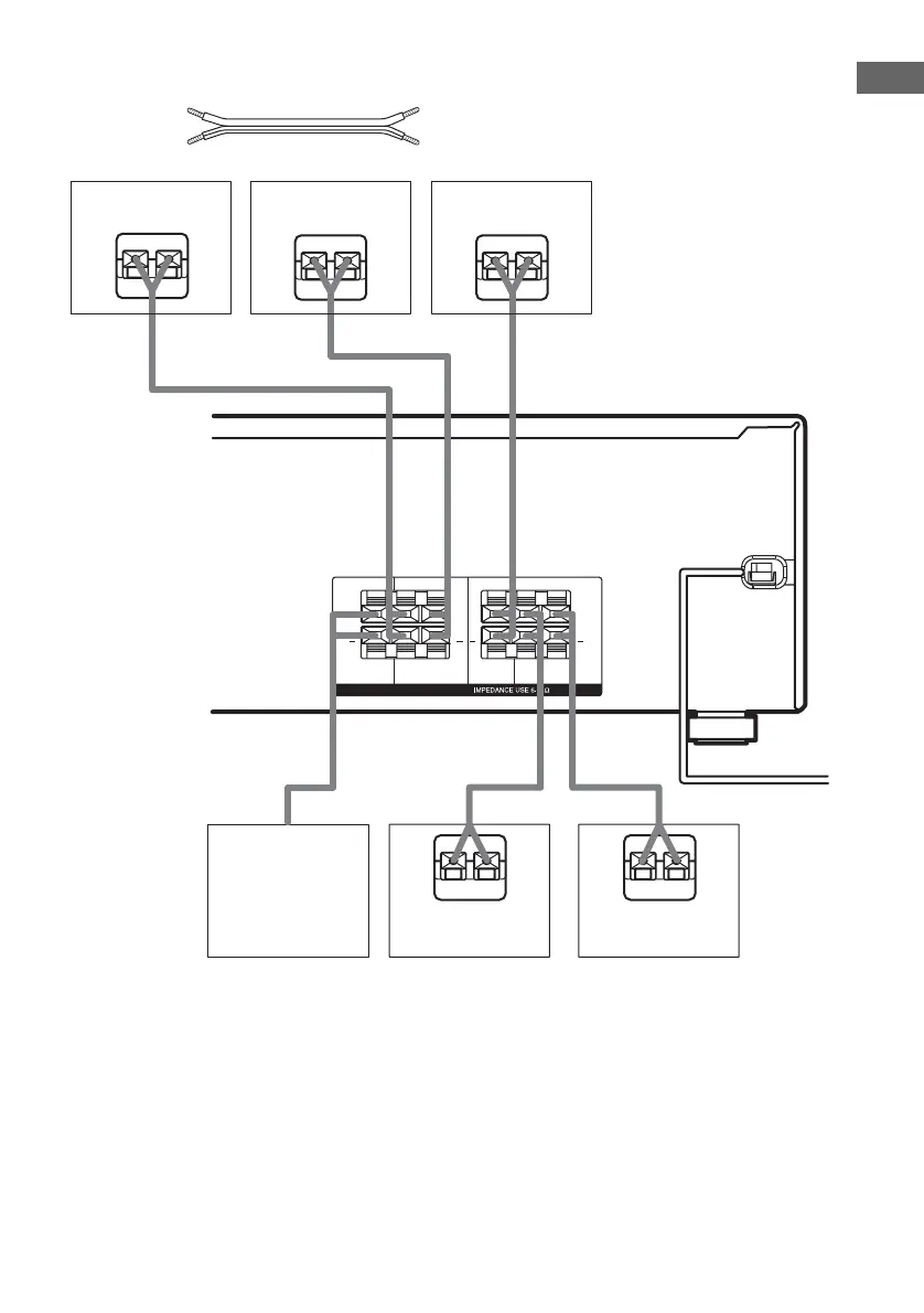
Required cord
A Speaker cords (supplied)
(+)
(–)
SPEAKERS
RL
RL
+ +
CENTER
SURROUND
SUB
WOOFER
FRONT
RL
RL
+ +
Ee
A
Ee
A
E
e
A
E
e
A
Ee
A
Surround speaker
(Right)
Surround speaker
(Left)
Center speaker
Sub woofer Front speaker
(Left)
Front speaker
(Right)
GB01COV_HT-DDW665-US.book Page 9 Monday, April 26, 2004 10:03 AM

Other manuals for Sony HT-DDW665

Related product manuals