EasyManua.ls Logo

Sony ICF-9740W - Schematic Diagrams

Sony ICF-9740W
11 pages
Print Icon
To Next Page IconTo Next Page
To Next Page IconTo Next Page
To Previous Page IconTo Previous Page
To Previous Page IconTo Previous Page
Loading...
ICF-9740W
_ICF-9740W
(MAIN
BOARD]
Q2
C1
Di
02
03
QI
2SCI675K
UPCIOI8C
IT261
IT261
IT23A
2SCI674K
FM
MIX
|
AM
MIX,
FM/AM
IF
AMP
FM
DET
AM
DET
FM
RF
AMP
<3.1V>
<4\>
<ay>
A
ae
LL!
Se
ee
eS
eR
eT
ORT
EENEESL,
.LEe
See
E
ee
eee
eerie
ee
ee
eee
eee
IFT2
IFT3
Sy
Bee
ari
ara
BAND
SELECT)
<3,3V>
|
RIG
Ik
_RI8_
10k
FMAM
|
l
©
(ov)
Si-l
|
Si-2
rai
22k
SES
|
B44
(FM
EXT
ANT
LA
pit
tet
—4
a
dt
2
*
nim
azz
|
PREC
OUT
|
_
|
ry
CANADIAN
|
.
[one
~
[VOLUME
=
BOARD/3)I
as
IC
2
|
licss
VOLUME
]
*
T
2200
|
A420)
z=
|?
A
BOARDII/3)
POWER
AMP
Q3
2SCI675K
|
i
\
FM
OSC
|
=
eee
Re
R44
pai
R47
Bs
:
i
Be
S2—-2
ea
2
$2-|
[LOUDNESS
|
F—>ON
LODE
$3
“\,
[POWER
|
c39
5.3V
047/50V
4
C53
470/10V
CV-4
CT-4
Ie
2
C25
ro
5p
C43
O/16V
C40
c42
0.601
25
nk
C6
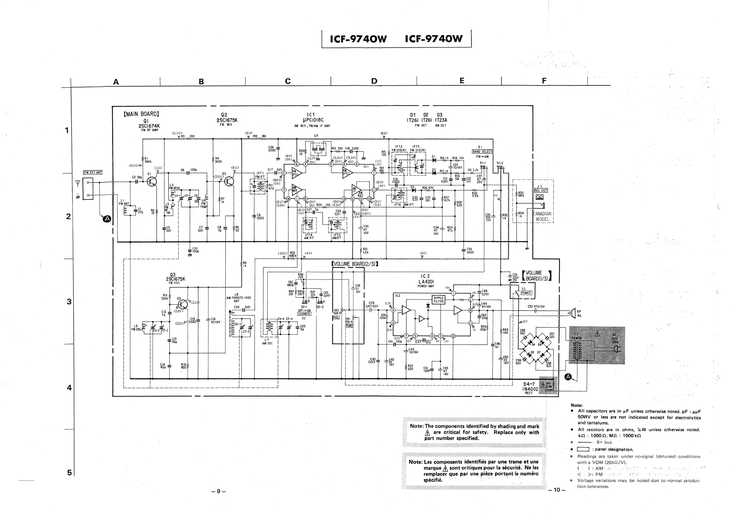
Note:
|
@
All
capacitors
are.in
uF
unless
otherwise
noted.
pF
:
uwuF
:
SOWV
or
less
are
not
indicated
except
for
electrolytics
and
tantalums.
8
e
All
resistors
are
in
ohms,
%W
unless
otherwise
noted.
kQ
:
10002,
M2
:
1000
k2
B+
bus.
|
|
(C7
:
panel
designation.
®
Readings
are
taken
under
no-signal
(detuned)
conditions
with
a
VOM
ee
Ge)
PAM
ryt
tee
Eo
>:
FM.
3
Pe
ake,
eee
ea
eae
ste
@
Voltage
variations
rnay
be
ern
due
to:
normal:
produc:
tion
tolerances.
Note:
The
components
identified
by
shading
and
mark
are
critical
for
safety.
Replace
only
with
part
number
specified.
Note:
Les
composants
identifiés
par
une
trame
et
une
marque
A
sont
critiques
pour
la
sécurité.
Ne
les
remplacer
que
par
une
piece
portant
le
numéro
spécifié.

Other manuals for Sony ICF-9740W

Related product manuals