EasyManua.ls Logo

Sony ICF-C360 - Page 8

Sony ICF-C360
13 pages
Print Icon
To Next Page IconTo Next Page
To Next Page IconTo Next Page
To Previous Page IconTo Previous Page
To Previous Page IconTo Previous Page
Loading...
4-3.
SCHEMATIC
DIAGRAM
ICF-C360/C360L
1
2
3
4
5
6
7
8
9
10
11
12
13
14
15
16
17
18
19
READ
WIRE
|CF-C360
ANTENNA
[t
main
BOARD]
CXALOI9S
1e1
(73)
FW/AM
FRONT-END
1F
AMP,
DET,
elie
_
1113/3)
a
AF
POWER
AMP
10
TIMER
DISPLAY
1.2
FM/AM
|
(0,3)
CF3
FM
IF
OUT,
a
330
(10.7MH2)
FRONT-END
(5)
wearer
|
AS
SPEAKER
-
ne
8
on
OB
O2
Ot
or
On
OH
_
——_____
+
Go—4
0)
zg
()-—i)—(3)
(109)
+9)
(4)
(2)
(4)
tl
=
cz]
55
5
|
(12)
LC85631
a
a
A
|
Cid
LED
ORIVE,
s
2
«s
|
a4
Q
CLOCK
,MODE
CONTROL
4.
18°
3
T2
i
G0)
<r
a
at
\
2SA933
POWER
1
BUFFER
(24)
—(23)-—-(23)
TRANSFORMER
4
;
2.6
26
26vl
2677
26%)
3
«0k
TMT
OT
IST
=
{
vs
L
2
$2
S
0.7
TIME
SET
+]
2
L3
RS
Sy
\Y¥
TP
E
S
1
Ql
O
S
AM
Tk
ey
(LED
TEST)
S
FERRITE-ROD
H
68
H
S
ANTENNA
1
4
TP
S
A
\
Viel
CTI
4p
Aare
e
hie
A
h
=
O
O
d}
O
dt
O
5%
=
-
-
~
-
O
he
1
ie
crs
cr
\
;
:
va
©
=
WS
Vole
RVI
C45
o
D
like
1
Bho
C13 50k
6.01
S
NS
1
Se
5
ALARM
=
2
|
Se
ti
:
&
33
fea]
a
6 O
58
by
Seo
eae
ee
ales
ee
nt
pleeienier
(|
o
b
[TIME
SET]
ct
,
ol}:
+
[RADIO
OFF
aa
D
u
RIG
gq
{BUZZER
C34
220
DRY
BATTERY
mc
91k
RI?
RIO
R20
0.1
10V
g-Q06P
"OV
1
10k
\
10k
10k
ce
Peat)
|
D9
IN4002
63
SNOOZE/DATE/SLEEP
OFF
TD
|
READ
WIRE
1CF-C360L
etal
eS.
es
roe
a
=
ce
/
|
{MAIN
BOARD]
010
F
!
Ich
(1/3)
FM/AM
cee
oe
AMP,
DET,
IC
1
(2/3)
TIMER
DISPLAY
AF
POWER
AMP
C3
til
gy
——_—
a
RI3
CF3
1.5
=
ae
Oe
Li
ee)
iF
Lt
atl
08)
_,
330
(10.7MHz)
dy
(0)
y
ay
my
=P)
peo
|
ENO
—¥
a
y
.
=
SLI
Ct
S
24p
&
!
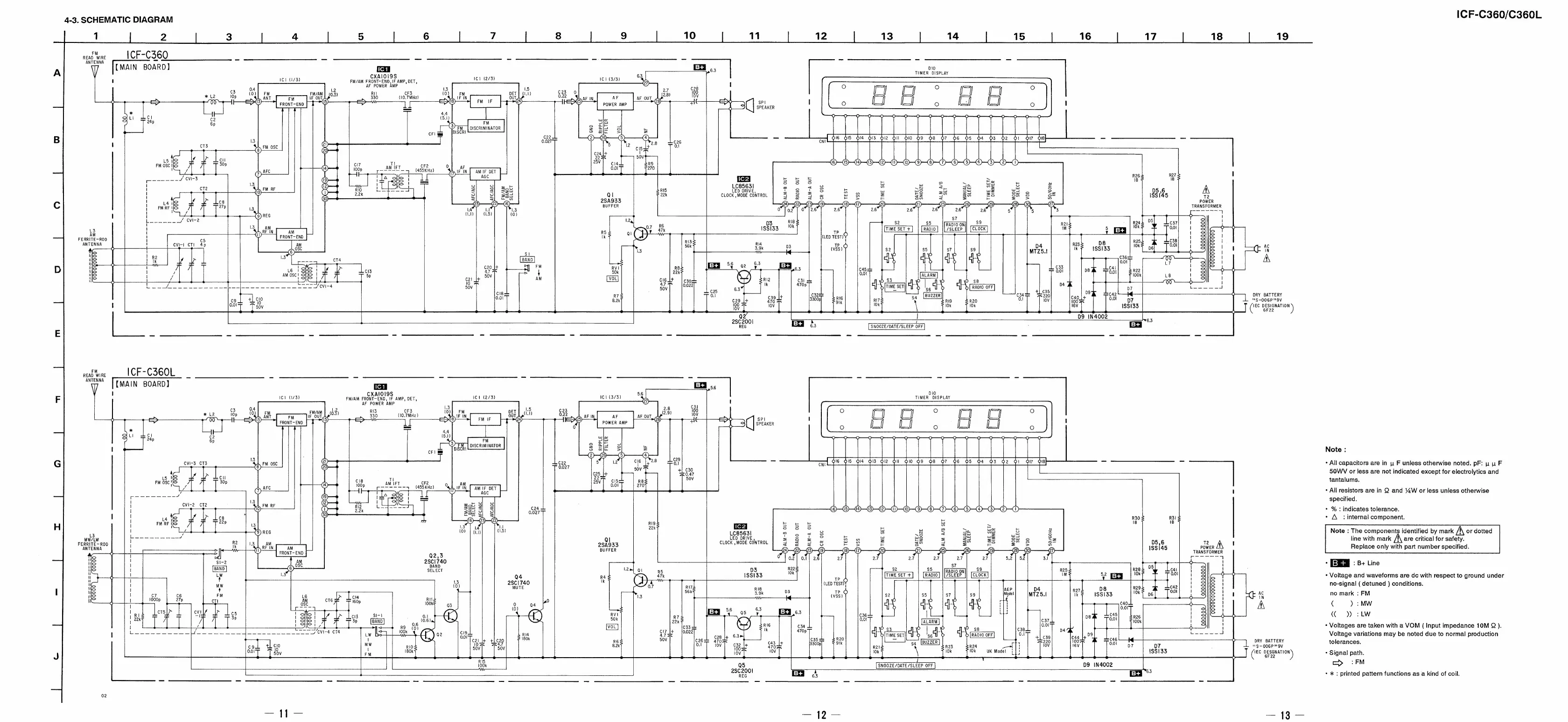
Note
:
G
euesicess
3
a
16
OI
Old
O13
G12
Ol
O10
¢
P2_
G1
gi?
gis
——————
-
All
capacitors
are
in
F
unless
otherwise
noted.
pF:
uu
F
SOWV
or
less
are
not
indicated
except
for
electrolytics
and
L
+
tantalums.
r
\
*
All
resistors
are
in
Q
and
%4W
or
less
unless
otherwise
2
specified.
oe
im
+
%
:
indicates
tolerance.
R30
R3I
*
A:
internal
component.
rea
2
8
8
8
=
.
H
pesaai
ee
ay
gS
3
Note
:
The
components
identified
by
mark
/A\
or
dotted
Ql
croc
eee
eR
Ey
rROL
2
ek
=
==
05.6
Pr
A
line
with
mark
[\
are
critical
for
safety.
2SA933
a
@
4
=
F
i
POWER
Replace
only
with
part
number
specified.
is
BUFFER
24)—(22)—-@3)
(25)
29)
30)
issl45
_TRANSFORMER
:
27
82
Bike
oe
7
2S¢1740
~
SM.
B+
Line
SELECT
12
D3
R25
R28
S
04
Ra
1SS133
ie
1M
52
egy
|
1
S
o—?
*
Voltage
and
waveforms
are
dc
with
respect
to
ground
under
1.3
2SC1740
Tk
(LED
TESTS
=
no-signal
(
detuned
)
conditions.
(0)
MUTE
{
D8
te
2
on
=
I
ea
y
wis?
$5
1SS133
S
(|
aC
no
mark
:
FM
cTé6
1600
u
c40
>
MW
os
100K
3
Qa
at
,
cao
a
(
)
=
ie
cls
Si-1
0.1
(+)
1)
RV!
R7
eu
R26
=
© e
(( »)
.
LW
/
Biko
3p
(0.6)
S
iS
90K
22k
.
100k
S
;
:
i
ae
ae
ey
|,
a
flakes
*
Voltages
are
taken
with
a
VOM
(
Input
impedance
10M
Q
).
peter
eee
eee
eae
TTcvi-4
14
l=
100k
+)
cig
RI4
es
c}-
.
2eeee2
Voltage
variations
may
be
noted
due
to
normal
production
7
Tez
ehego|
18%
ast
sev
5
sf
t<
ORY
BATTERY
tolerances.
20
iia
id
:
ied
:
i
0
1$$133
IEC
DESGNATION
J
y
O,
180k
(
bess
)
Signal
path.
oS.
Q5
D9
IN4002
o>
:FM
63
S
ae:
é
Lo
ae
*
ae
l
poccun
on
B+
*
:
printed
pattern
functions
as
a
kind
of
coil.
=
d
12
13

Related product manuals