EasyManua.ls Logo

Sony ICF-SW1 - Section 4 Electrical Adjustments; AM Section Adjustments; FM Section Adjustments

Sony ICF-SW1
28 pages
Print Icon
To Next Page IconTo Next Page
To Next Page IconTo Next Page
To Previous Page IconTo Previous Page
To Previous Page IconTo Previous Page
Loading...
NOTE:
This
adjustment
should
be
performed
after
the
remove
Rod-
Antenna
(ANT1).
This
adjustment
should
be
performed
after
the
FM
FRE-
QUENCY-COVERAGE
ADJUSTMENT.
FM
TRACKING
ADJUSTMENT
1st/2nd
IF
ADJUSTMENT
Setup:
VOLUME
control:
as
required
Setup:
VOLUME
control:
as
required
VTVM
FM
RF
SSG
(DC
range)
AM
RF
SSG
Put
the
lead-wire
antenna
close
to
the
set.
C—_—
frequency
deviation:
22,5
kHz
by
400
Hz
400
Hz,
30%
signal.
AM
modulation
VTVM
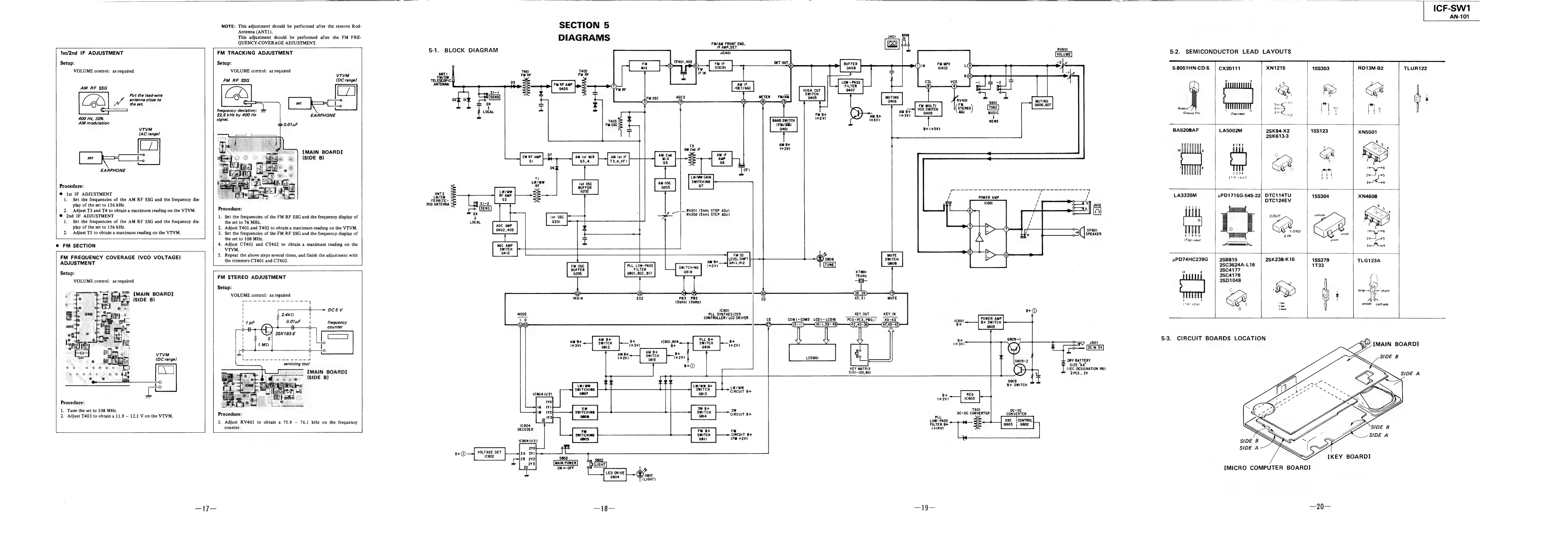
SECTION
5
DIAGRAMS
140
FM/AM
FRONT
END,
et
5-1.
BLOCK
DIAGRAM
°
(2)
Fu/sw
|
ane
atid
TELESCOPIC
03
0420
iF
AMP,
DET
:
RV6O!
FM
IF
(5)
DISCRI
2)
AM
IF
/DET/AGC
LOW
~
PASS
FILTER
HIGH
CUT
SWITCH
405
METER
(6)
MUTING
|
Q606
607
BAND
SWITCH
(FM/AM)
040!
B+(+3V)
(AC
range)
EARPHONE
Procedure:
@
ist
IF
ADJUSTMENT
1.
Set
the
frequencies
of
the
AM
RF
SSG
and
the
frequency
dis-
play
of
the
set
to
156
kHz.
2.
Adjust
T3
and
T4
to
obtain
a
maximum
reading
on
the
VTVM.
@
2nd
IF
ADJUSTMENT
1.
Set
the
frequencies
of
the
AM
RF
SSG
and
the
frequency
dis-
play
of
the
set
to
156
kHz.
2.
Adjust
T5
to
obtain
a
maximum
reading
on
the
VTVM.
@
FM
SECTION
FM
FREQUENCY
COVERAGE
(VCO
VOLTAGE)
ADJUSTMENT
Setup:
VOLUME
control:
as
required
ba
ta
(MAIN
BOARD)
a
(SIDE
B)
VTVM
(DC
range)
Procedure:
1.
Tune
the
set
to
108
MHz.
2.
Adjust
T403
to
obtain
a
11.9
12.1
Von
the
VTVM.
{MAIN
BOARD]
(SIDE
B)
Procedure:
1.
Set
the
frequencies
of
the
FM
RF
SSG
and
the
frequency
display
of
the
set
to
76
MHz.
.
Adjust
T401
and
T402
to
obtain
a
maximum
reading
on
the
VTVM.
.
Set
the
frequencies
of
the
FM
RF
SSG
and
the
frequency
display
of
the
set
to
108
MHz.
.
Adjust
C401
and
CT402
to
obtain
a
maximum
reading
on
the
VTVM.
.
Repeat
the
above
steps
several
times,
and
finish
the
adjustment
with
the
trimmers
CT401
and
CT402.
FM
STEREO
ADJUSTMENT
Setup:
VOLUME
control:
as
reguired
frequency
counter
=e
[MAIN
BOARD]
(SIDE
B)
Procedure:
1.
Adjust
RV401
to
obtain
a
75.9
76.1
kHz
on
the
frequency
counter.
sw
rr
amp
|
27
AM
Ist
IF
a1
T3,4,XF
I
D6
TI
LW/MW
ist
OSC
i
"asee"
Ih
LW/MW
ANT2)
'
LW/SW
nian
3
FERRITE-
a
!
ROD
ANTENNA
|!
|
La
pape
eee
LOCAL
AGC
AMP
0402
,403
AGC
AMP
ne
SWITCH
0410
Beara
ee
eee
iia
FM
OSC
PLL_LOW-PASS
BUFFER
FILTER
0205
80!
,
802
,
817
3
AM
2nd
IF
LW/MW
GAIN
SWITCHING
Q7
—RV201
(3kHz
STEP
ADJ)
RV202
(SkHz
STEP
ADJ)
LEV
AM
B+
411,412
switching
|
'*2¥)
asis
FM
SD
EL
SHIFT
rz4
3-35)
VCO
W
£02
PB3
PBZ
(3uHz)
(3kHz)
1C801
MODE
PLL
SYNTHESIZER
0
CONTROLLER/
LCD
DRIVER
393)
AM
8+
switch
B+
1C80!,804
Gee
8+
(+3¥)
cals
(+3V)
B+
sis
(+2¥)
AM
B+
ane
SWITCH
vt
(+2V)
0815
(+2v)
8+)
SWITCHING
SWITCH
Aas
or
10804
(V2)
9007
0813
SWITCHING
SwitcH
sw
aise
cela
CIRCUIT
B+
1C804
DECODER
a
ane
Su
SWITCHING
SWITCH
CIRCUIT
B+
1€804
(1/2)
0805
atl
(FM
+2V)
8+
VOLTAGE
DET
1802
$803
‘i
[LIGHT]
ON
=
OFF
*
4
LED
DRIVE
ie
oot
(LIGHT)
ee
COM1-COM3
LCD1-LCDI6
PCO~PC3,
PBO,
|
8+)
KEY
OUT KEY
IN
_—
KO~-K3
1€601
POWER
AMP
+
SWITCH
B+
heh
B+
Fs
Pas
(+3)
J60!
©
a)
Q809-2
ts
BATTERY
-
E"A
nw
KEY
MATRIX
“PH
i:
“Ee
DESIGNATION
R6)
$101-120,80!
et}
|
2PCS,
3V
as
SWITCH
B+
REG
(+2V)
IC
803
T60I
e
DC-0C
CONVERTER
CONVERTER
PLL
i
LOW-PASS
1
OSC
!CONTROL
FILTER
8+
'
Q603
;
2602
(+14V)
H
ICF-SW1
AN-101
5-2.
SEMICONDUCTOR
LEAD
LAYOUTS
S-8051HN-CD-S
Output
|
Ground
Vcc
XN1215
RD13M-B2
CX20111
TLUR122
1S8S303
7
3
3
>
Rs
om
ae
(Top
view)
a
ae
BAS5208AF
LAS5002M
2SK94-X2
2SK613-3
8765
16
9
G
}
2
;
5
GA:
(234
S
[
j
|
(TOR
view)
2
32.41
|
LA3335M
uPD1715G-545-22)
DTC114TU
1SS304
XN4608
DTC124EV
54325
i|
Z2O0UT
cathode
Wi
CB
ne
678
;
10
21N
a
(Top
view)
anode
uPD74HC239G
al
(
TOP
lea
5-3.
CIRCUIT
BOARDS
LOCATION
2SB815
2SK238-K16
TLG123A
2SC3624A-L16
2SC4177
2SC4178
2SD1048
~|
fong
IN
anode
cathode
(KEY
BOARD]
(MICRO
COMPUTER
BOARD)

Related product manuals