EasyManua.ls Logo

Sony ICF-SW1 - Section 8 Antenna Module (AN-101)

Sony ICF-SW1
28 pages
Print Icon
To Next Page IconTo Next Page
To Next Page IconTo Next Page
To Previous Page IconTo Previous Page
To Previous Page IconTo Previous Page
Loading...
SECTION
8
ANTENNA
MODULE
(AN-101)
NOTE:
@
The
mechanical
parts
with
no
reference
©
Items
marked
‘'*"
are
not
stocked
since
@
Due
to
standardization,
parts
with
part
number
in
the
exploded
views
are
not
they
are
seldom
required
for
routine
number
suffix
-XX
and
-X
may
be
dif-
supplied.
service.
Some
delay
should
be
antici-
ferent
from
the
parts
specified
in
the
pated
when
ordering
these
items.
components
used
on
the
set.
@
The
construction
parts
of
an
assembled
part
are
indicated
with
a
collation
num-
ber
in
the
remark
column.
not
supplied
se.
not
supplied
|
|
|
|
|
|
|
|
|
not
supplied
y
112
|
|
|
l
|
1
|
|
|
|
|
l
J
a“
|
Pe
|
oe
|
not
supplied
c
me
|
111
|
|
|
|
|
|
|
J
|
|
|
|
|
|
|
|
|
|
|
d
|
|
not
supplied
|
|
|
|
|
101
,
|
|
|
|
|
|
|
|
l
|
|
|
1
|
|
|
!
GS
Safe
eh
Se
Ripe
ile
ieee
eae
eh
eres
Cate
ees
a
a
=)
No.
Part
No.
Description
Remarks
|
No.
Part
No.
Description
Remarks
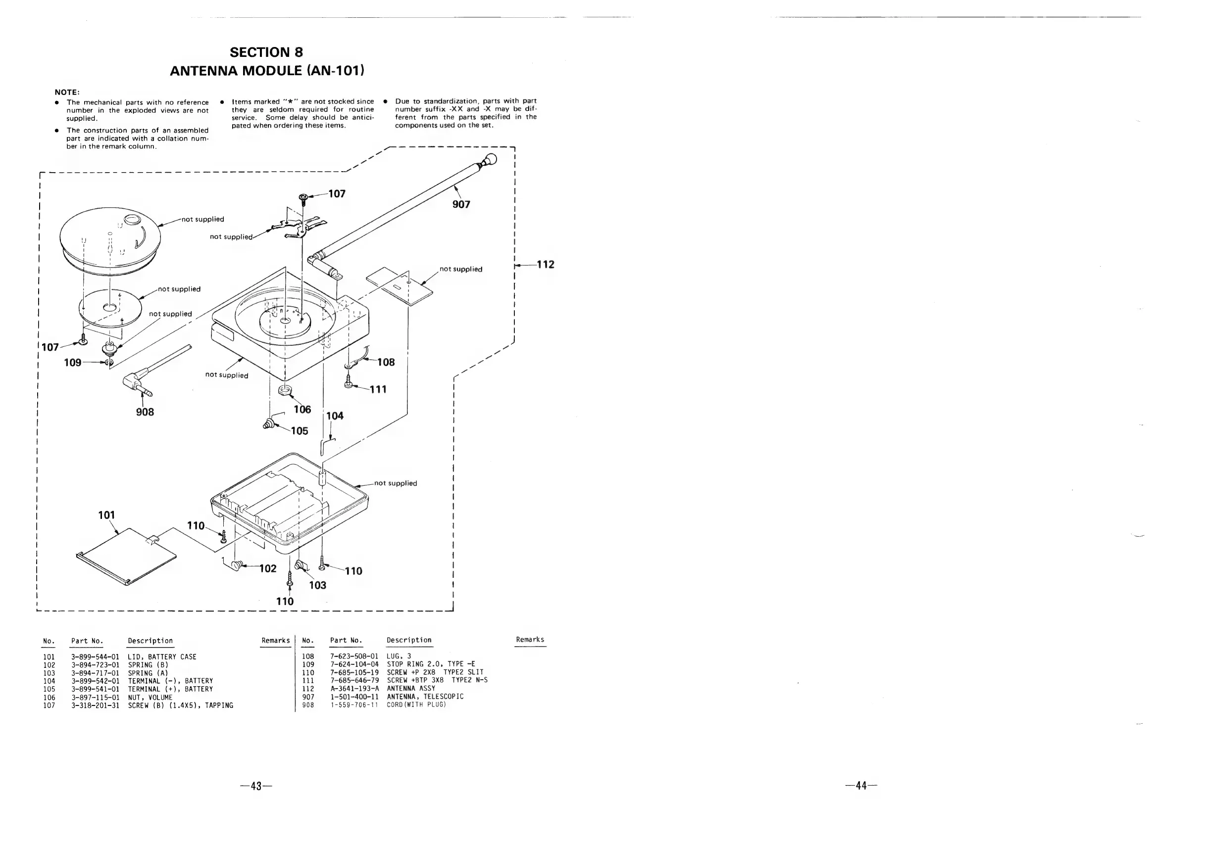
101
3-899-544-01
LID,
BATTERY
CASE
108
7-623-508-01
LUG,
3
102
3-894-723-01
SPRING
(B)
109
7-624-104-04
STOP
RING
2.0,
TYPE
-E
103
3-894-717-01
SPRING
(A)
110
7-685-105-19
SCREW
+P
2X8
TYPE2
SLIT
104
3-899-542-01
TERMINAL
(-),
BATTERY
111
7-685-646-79
SCREW
+BTP
3X8
TYPE2
N-S
105
3-899-541-01
TERMINAL
(+),
BATTERY
112
A-3641-193-A
ANTENNA
ASSY
106
3-897-115-01
NUT,
VOLUME
907
1-501-400-11
ANTENNA,
TELESCOPIC
107
3-318-201-31
SCREW
(B)
(1.4X5),
TAPPING
908
1-559-706-11
CORD(WITH
PLUG)

Related product manuals