EasyManua.ls Logo

Sony KV-32FV310 - Troubleshooting and Support; General TV Problem Solving

Sony KV-32FV310
104 pages
Print Icon
To Next Page IconTo Next Page
To Next Page IconTo Next Page
To Previous Page IconTo Previous Page
To Previous Page IconTo Previous Page
Loading...
— 45 —
KV-27FV310/29FV310/32FV310/36FV310
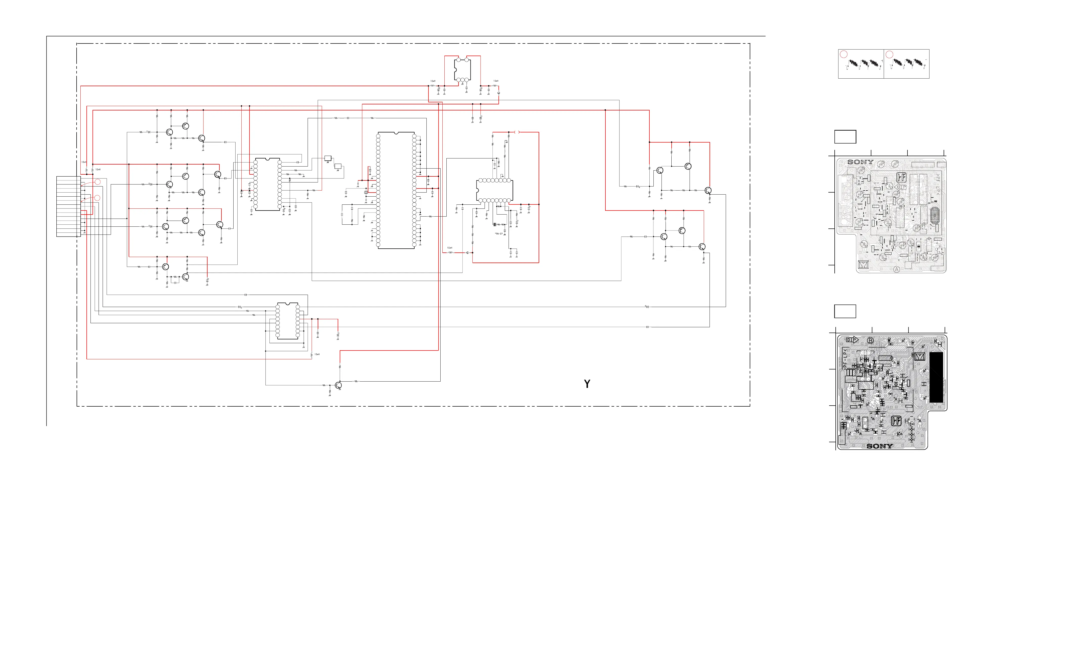
Y BOARD SCHEMATIC DIAGRAM
1 | 2 | 3 | 4 | 5 | 6 | 7 | 8 | 9 | 10 | 11 | 12 | 13 | 14 | 15 | 16 | 17 | 18 | 19 | 20
A
B
C
D
E
F
G
H
I
J
K
1
2
3
4
5
6
7
8
9
10
11
12
13
14
15
1
2
3
4
5
6
7
8
1
0
9
1
1
1
2
1
3
1
4
1
5
1
6
1
7
1
8
1
9
2
0
2
1
2
2
2
3
2
4
1
2
3
4
5
6
7
8
9
1
0
1
1
1
2
1
3
1
4
1
5
1
6
DL
DL
1 2 3 4 5 6 7 8
9
10111213141516
1 2 3
45
1
2
3
4
5
6
7
8
9
1
0
1
1
1
2
1
3
1
4
1
5
1
6
1
7
1
8
1
9
2
0
2
1
2
2
2
3
2
4
2
5
2
6
2
7
2
8
2
9
3
0
3
1
3
2
3
3
3
4
3
5
3
6
3
7
3
8
3
9
4
0
4
1
4
2
4
3
4
4
4
5
4
6
4
7
4
8
4
9
5
0
5
1
5
2
5
3
5
4
5
5
5
6
L3000
L3001
L3003
R3000
R3001
R3002
R3008
R3009
R3010
R3011
R3012
R3017
R3018
R3021
R3022
R3024
R3029
R3030
R3033
R3035
R3037
R3038
R3040
R3048
R3057
R3058
R3061
R3062
R3063
R3065
R3066
C3008
C3011
C3020
C3023
C3026
C3029
R3050
R3056
R3059
R3060
R3064
R3015
R3039
R3047 R3055
R3007
R3023
R3036
R3052
C3000
C3002
C3004
C3006
C3001
C3003
C3005
C3009
C3027
C3007
C3015
C3014
C3019
C3012
C3021
C3028
C3013
C3025
R3049
Q3000 Q3001
Q3002
Q3003
Q3004
Q3005
Q3006
Q3007
Q3010
Q3008
Q3009
Q3018
Q3017
IC3001
Q3011
Q3015
Q3012
Q3013
Q3016
Q3014
IC3000
C3037
C3039
C3047
C3058
C3059
C3060
R3077
X3001
C3033
C3034
C3035
C3040
L3004
L3005 L3006
C3062
C3063
FB3001
FB3002
C3061
C3048
C3054
C3055
C3051
C3052
C3038
R3051
R3053
R3054
R3004
R3005
R3013
R3014
R3016
R3025
R3026
R3003
IC3002
C3056 C3057
C3064
R3071
R3078
R3080
R3075
R3074
R3076
R3082
R3083
R3084
R3085
R3081
R3072
IC3004
DL3000
DL3001
R3044
R3073
R3043
R3046
R3034
R3090
R3094
R3095
R3096
R3097
X3002
C3049
C3010
R3087
R3098
R3028
R3006
R3089
R3019
R3020
R3031
R3032
R3079
R3088
C3036
IC3003
R3027
CN3000
Q3019
R3067
C3050
C3053
R3042
R3041
R3045
:CHIP
:CHIP
:CHIP
1k
1/16W
:CHIP
47k
1/16W
:CHIP
47k
1/16W
:CHIP
470
1/16W
1k
1/16W
1k
1/16W
47k
1/16W
22k
1/16W
470
1/16W
100
1/16W
1k
1/16W
1k
1/16W
22k
1/16W
100
1/16W
470
1/16W
1k
1/16W
56k
1/16W
1k
1/16W
2.2k
1/16W
2.2k
1/16W
100
1/16W
1k
1/16W
100
1/16W
1k
1/16W
1k
1/16W
100
1/16W
470
1/16W
1k
1/16W
47
16V
47
16V
47
16V
47
16V
47
16V
47
16V
47k
1/16W
470
1/16W
47k
1/16W
47k
1/16W
220
1/16W
0
1/16W
220
1/16W
39k
1/16W
0
1/16W
100
1/16W
47k
1/16W
470k
1/16W
100
1/16W
47
16V
47
16V
47
16V
0.47
B:1608
1
B:1608
1
B:1608
1
B:1608
1
B:1608
1
B:1608
0.001
B:1608
0.47
B:1608
0.22
B:1608
0.22
B:1608
0.22
B:1608
0.022
B:1608
0.022
B:1608
0.022
B:1608
1
B:1608
47k
1/16W
2SD601A
AMP
2SB709A
AMP
2SD601A
BUFFER
2SD601A
AMP
2SB709A
AMP
2SD601A
INV
2SD601A
BUFFER
2SD601A
AMP
2SB709A
AMP
2SD601A
INV
2SD601A
BUFFER
2SD601A
AMP
2SB709A
AMP
NJM2283
Y/C SW
2SD601A
AMP
2SB709A
AMP
2SD601A
BUFFER
2SD601A
AMP
2SB709A
AMP
2SD601A
BUFFER
TDA8501T
NTSC ENCODER
0.01
16V
B:1608
0.01
16V
B:1608
0.047
B:1608
47
16V
0.01
16V
B:1608
47
16V
680k
1/16W
:CHIP
503KHz
0.22
B:1608
1
B:1608
1000p
CH:1608
10
:CHIP
:CHIP
:CHIP
1000p
CH:1608 1
0.1
B:CHIP
0.01
B:1608
0.01
B:1608
0.01
B:1608
0.001
0.1
1
1k
1/16W
1k
1/16W
150
1/16W
1k
1/16W
560
1/16W
1k
1/16W
1k
1/16W
470
1/16W
1k
1/16W
680
1/16W
1k
1/16W
NJM2257M
HSYNC GENERATOR
150p
CH:1608
150p
CH:1608
0.1
1.2k
1/16W
:RN-CP
27k
1/16W
:RN-CP
3.9k
1/16W
:RN-CP
2.2k
1/16W
:RN-CP
10k
1/16W
:RN-CP
100k
1/16W
:RN-CP
1.8k
1/16W
:RN-CP
150
1/16W
150
1/16W
:RN-CP
39k
1/16W
RN-CP
10k
1/16W
:CHIP
47
1/16W
:RN-CP
NJM2870F33-TE
3.3V REG
DELAY LINE
DELAY LINE
1k 1/16W
10k
0 :1608
22k
:1608
470
:1608
0
47k
22k
100k
0
14MHz
0.01
B:1608
47
16V
0
100k
330
1/16W
100
1/16W
3.9M
1k
1/16W
1k
1/16W
1k
1/16W
1k
1/16W
22k
910k
3300p
ICS1576G
FSC GENERATOR
680
1/16W
15P
B TO B
2SD601A
SW
100 1/16W
2p
2p
180k
1k 1/16W
0
5V
CIN
E
U
E
V
E
5V
YIN
E
E
SW
YOUT
9V
COUT
Y
IN1B
CTL1
OUT1
GND2
OUT2
OUT3
CTL3
IN3A
IN1A
GND1
1N2B
VCC
CTL2
1N2A
GND3
1N3B
VIN
MCON
UIN
H/2
Y
UOFF
RED
VCC
GREEN
VSS
BLUE
VOFF
CS
Y+SYNCOUT
BURST ADJ
Y+SYNC IN
Y+SYNC OUT
NOTCH
PAL/NTSC
CUBS
FLT
CHROMA
VREF
OSC
ST0
ST1
RT0
RT1
FT0
FT1
FT2
FT3
FT14
FT5
RV0
VDDT
GNDT
X1
VDDV
X2
GNDV
LFR
LF
ISET
FV0
FV1
FV2
FV3
FV4
FV5
FV7
FV6
SV2
SV1
SV0
RV1
MX0
ICLK1
OEL
OET
OEV
OER
VDD
LD
TCLK
VDDP
VCLK
GNDP
RCLK
LDR
GND
LDC
CLR
ICLK0
ICLK2
MX1
FV11
FV10
FV9
FV8
9-965-939-01<BA5D>Y
FSC GEN
NTSC ENCODER
TO A BOARD
TO CN333
1
2
1
2.2 Vp-p (H)
2
2.16 Vp-p (H)
Y BOARD WAVEFORMS
C
3
0
0
2
C3004
C3000
C
3
0
1
4
C3012
C
3
0
2
0
C3023
C
3
0
2
9
C
3
0
1
0
C
3
0
1
1
C
3
0
0
8
IC3000
CN3000
Q3018
Q
3
0
0
2
Q3006
Q
3
0
0
5
Q
3
0
0
4
Q3003
Q
3
0
0
7
Q
3
0
0
0
Q
3
0
0
9
Q3008
Q3010
Q3001
Q3017
C
3
0
2
6
IC3003
I
C
3
0
0
2
R
3
0
3
5
R3039
R3040
R3038
R3037
R
3
0
3
6
R
3
0
0
1
R
3
0
0
3
R3007
R3004
R
3
0
0
2
R3005
R3006
R
3
0
0
8
R3009
R3034
R
3
0
2
3
R
3
0
2
5
R3029
R
3
0
3
3
R
3
0
3
2
R
3
0
2
8
R3030
R
3
0
2
7
R3026
R3024
R
3
0
0
0
R
3
0
3
1
R
3
0
2
1
R
3
0
1
9
R
3
0
1
8
R
3
0
1
3
R3011
R
3
0
1
7
R
3
0
2
0
R
3
0
1
5
R
3
0
1
4
R3016
R3012
R3010
R3022
R
3
0
4
2
R
3
0
4
3
R3044
R
3
0
8
7
C
3
0
0
6
C3007
C3030
C
3
0
0
3
C
3
0
3
1
C
3
0
3
2
C
3
0
4
7
C
3
0
2
1
C
3
0
0
1
C
3
0
0
5
C
3
0
1
5
C
3
0
3
7
C
3
0
5
7
C
3
0
5
6
C
3
0
3
3
C
3
0
3
4
R
3
0
7
7
R
3
0
8
4
R
3
0
8
3
R
3
0
8
2
R
3
0
8
5
R
3
0
7
3
R
3
0
7
4
R
3
0
7
5
C
3
0
6
0
C
3
0
4
0
C
3
0
6
3
C
3
0
5
8
X
3
0
0
1
X3002
C3051
C3052
C
3
0
3
8
R
3
0
9
2
R
3
0
9
3
R
3
0
9
4
R
3
0
9
5
R
3
0
9
7
I
C
3
0
0
4
R3098
C
3
0
6
4
R3088
R3089
C
3
0
3
6
C
3
0
6
5
C
3
0
6
6
R
3
1
0
1
DL3000
DL3001
U
E
V
E
Y
5
V
9
V
S
W
Y
O
U
T
E
C
O
U
T
E
Y
I
N
E
C
I
N
1-688-233-11
(172261811)
A
-
1
4
0
4
-
8
5
4
-
A
1
A
B
C
23
1
A
B
C
23
C3002
C
3
0
0
4
C
3
0
0
0
C
3
0
2
0
C
3
0
2
3
C3026
C
3
0
2
9
C
3
0
1
0
L
3
0
0
0
L
3
0
0
1
L
3
0
0
3
L
3
0
0
2
R
3
0
4
6
C3011
C
3
0
0
8
CN3000
Q
3
0
1
2
Q3015
Q
3
0
1
1
I
C
3
0
0
1
Q3016
Q3013
Q3014
C
3
0
5
4
C
3
0
5
5
R
3
0
9
1
R
3
0
9
0
C3049
C3048
R3067
R3070
R3050
R3049
R
3
0
5
4
R3051
R
3
0
5
5
R
3
0
5
6
R3052
R3041
R
3
0
4
8
R3066
R
3
0
4
7
R
3
0
5
7
R3058
R3060
R3061
R
3
0
6
4
R
3
0
6
9
R3065
R3063
R3062
R3059
C3009
C3025
C3028
C3027
C
3
0
1
9
C
3
0
1
8
C
3
0
2
4
C
3
0
5
3
C
3
0
5
0
C
3
0
3
9
C
3
0
3
5
R3078
R
3
0
7
9
R
3
0
8
0
F
B
3
0
0
2
L
3
0
0
4
R3081
R
3
0
7
6
R
3
0
7
1
R
3
0
7
2
C
3
0
6
0
C3040
C3063
L3005
C3058
C
3
0
6
1
C3059
L
3
0
0
6
F
B
3
0
0
1
C
3
0
6
2
X
3
0
0
1
X3002
C
3
0
3
8
R3096
Q
3
0
1
9
R3099
R
3
0
4
5
R
3
0
8
6
C
3
0
6
5
C3067
R
3
1
0
2
R3068
C
3
0
1
3
R
3
0
5
3
D
L
3
0
0
0
D
L
3
0
0
1
C
I
N
E
Y
I
N
E
E
S
W
9
V
5
V
Y
E
V
E
U
C
O
U
T
Y
O
U
T
1
-
6
8
8
-
2
3
3
-
1
1
(
1
7
2
2
6
1
8
1
1
)
Y
Y
COMPONENT SIDE
[FSC GEN NTSC ENCODER]
CONDUCTOR SIDE
[FSC GEN NTSC ENCODER]
Due to the complexity of this board, performing component level fi eld repairs is not recommended. If service is required, complete board replacement
is the preferred repair method. Data is provided for reference only.

Table of Contents

Other manuals for Sony KV-32FV310

Related product manuals