EasyManua.ls Logo

Sony MHC-D7 - Page 16

Sony MHC-D7
85 pages
Print Icon
To Next Page IconTo Next Page
To Next Page IconTo Next Page
To Previous Page IconTo Previous Page
To Previous Page IconTo Previous Page
Loading...
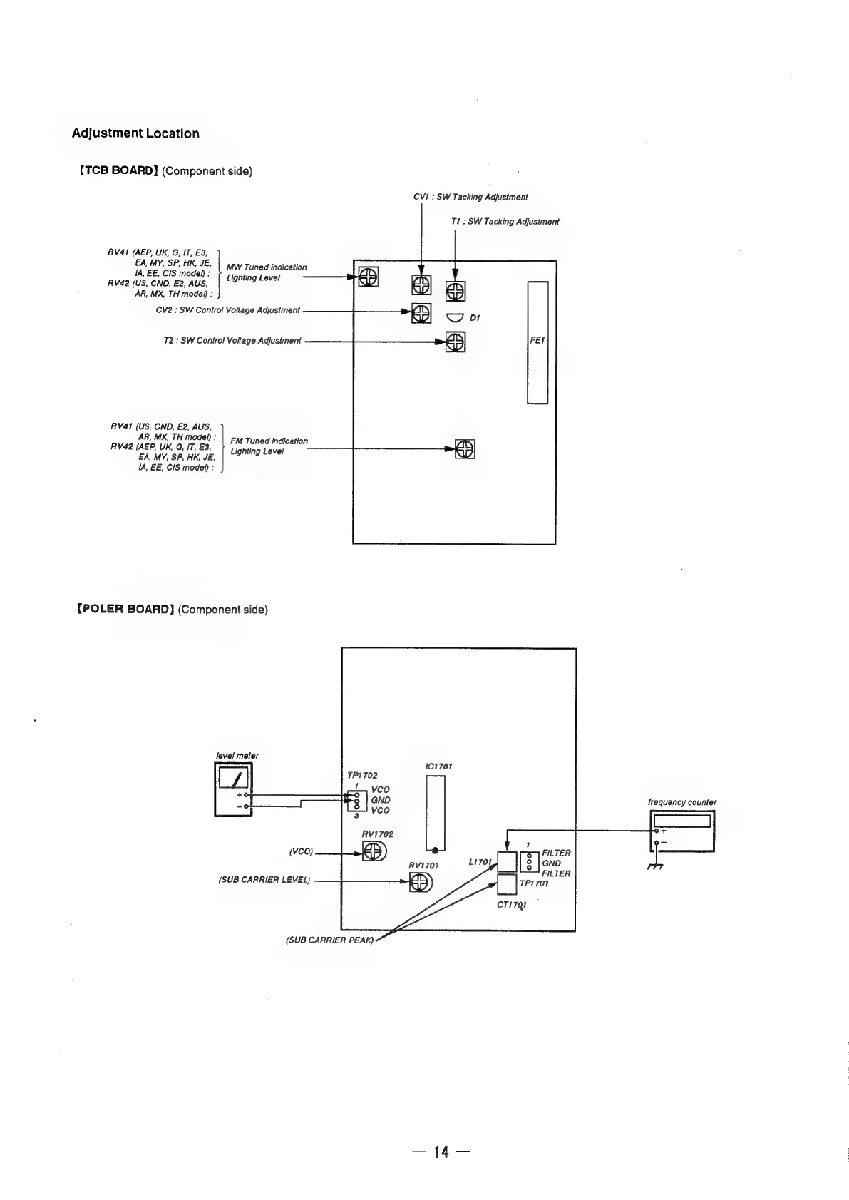
Adjustment
Location
[TCB
BOARD]
(Component
side)
CVI:
SW
Tacking
Adjustment
Tt
:
SW
Tacking
Adjustment
RV41
(AEP,
UK,
G,
IT,
E3,
EA,
MY,
SP,
HK,
JE.
|
my
Tuned
indication
1A,
EE,
CIS
model):
¢ 1
ighting
Level
RV42
(US,
CND,
E2,
AUS,
AR,
MX,
TH
model
:
CV2
:
SW
Control
Voltage
Adjustment
T2
;
SW
Control
Voltage
Adjustment
RV41
(US,
CND,
E2,
AUS,
AR,
MX,
TH
model)
:
RV42
(AEP,
UK,
G,
IT,
E3,
EA,
MY,
SP,
HK,
JE,
1A,
EE,
CIS
model
:
FM
Tuned
indication
Lighting
Level
-[(POLER
BOARD]
(Component
side)
level
meter
iC1701
TP1702
vco
GND
vco
frequency
counter
RVI702
(VCO)
AVI701
(SUB
CARRIER
LEVEL)
CTI7QI
(SUB
CARRIER
PEAK)

Related product manuals