EasyManua.ls Logo

Sony MHC-D7 - Page 9

Sony MHC-D7
85 pages
Print Icon
To Next Page IconTo Next Page
To Next Page IconTo Next Page
To Previous Page IconTo Previous Page
To Previous Page IconTo Previous Page
Loading...
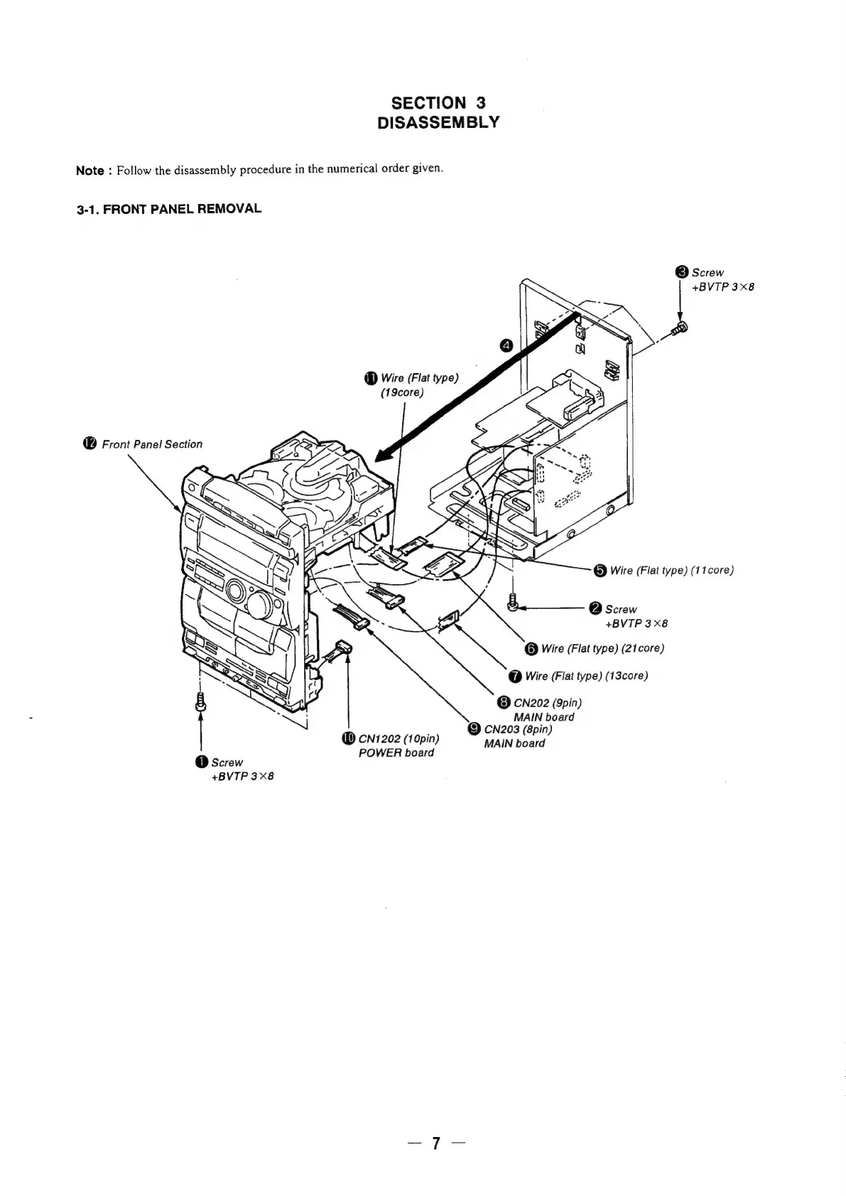
SECTION
3
DISASSEMBLY
Note
:
Follow
the
disassembly
procedure
in
the
numerical
order
given.
3-1.
FRONT
PANEL
REMOVAL
@
Front
Panel
Section
©
Screw
+BVTP
3X8
@
Wire
(Fiat
type)
(19core)
@
Wire
(Flat
type)
(11
core)
a
@
Screw
+BVTP
3X8
@
Wire
(Flat
type)
(21
core)
@
Wire
(Flat
type)
(13core)
@
CN202
(9pin)
©
MAIN
board
CN203
(8pi
@
cN1202
(10pin)
a
ica
ith
POWER
board
+BVTP
3X8

Related product manuals