EasyManua.ls Logo

Sony RMT-808 - Power Block Diagram

Sony RMT-808
176 pages
Print Icon
To Next Page IconTo Next Page
To Next Page IconTo Next Page
To Previous Page IconTo Previous Page
To Previous Page IconTo Previous Page
Loading...
DCR-TRV9/TRV9E
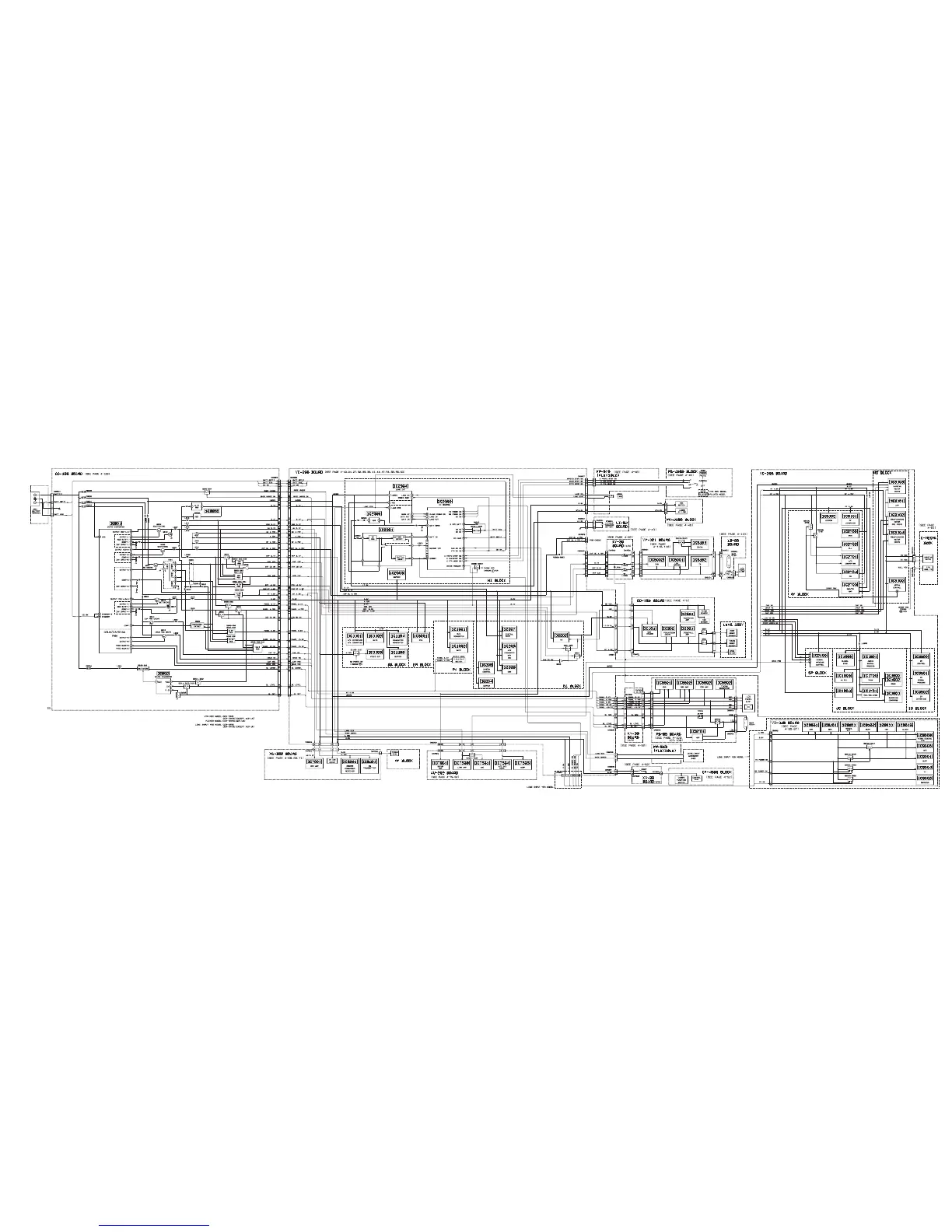
3-3. POWER BLOCK DIAGRAM
3-7 3-8 3-9 3-10E

Table of Contents

Related product manuals