EasyManua.ls Logo

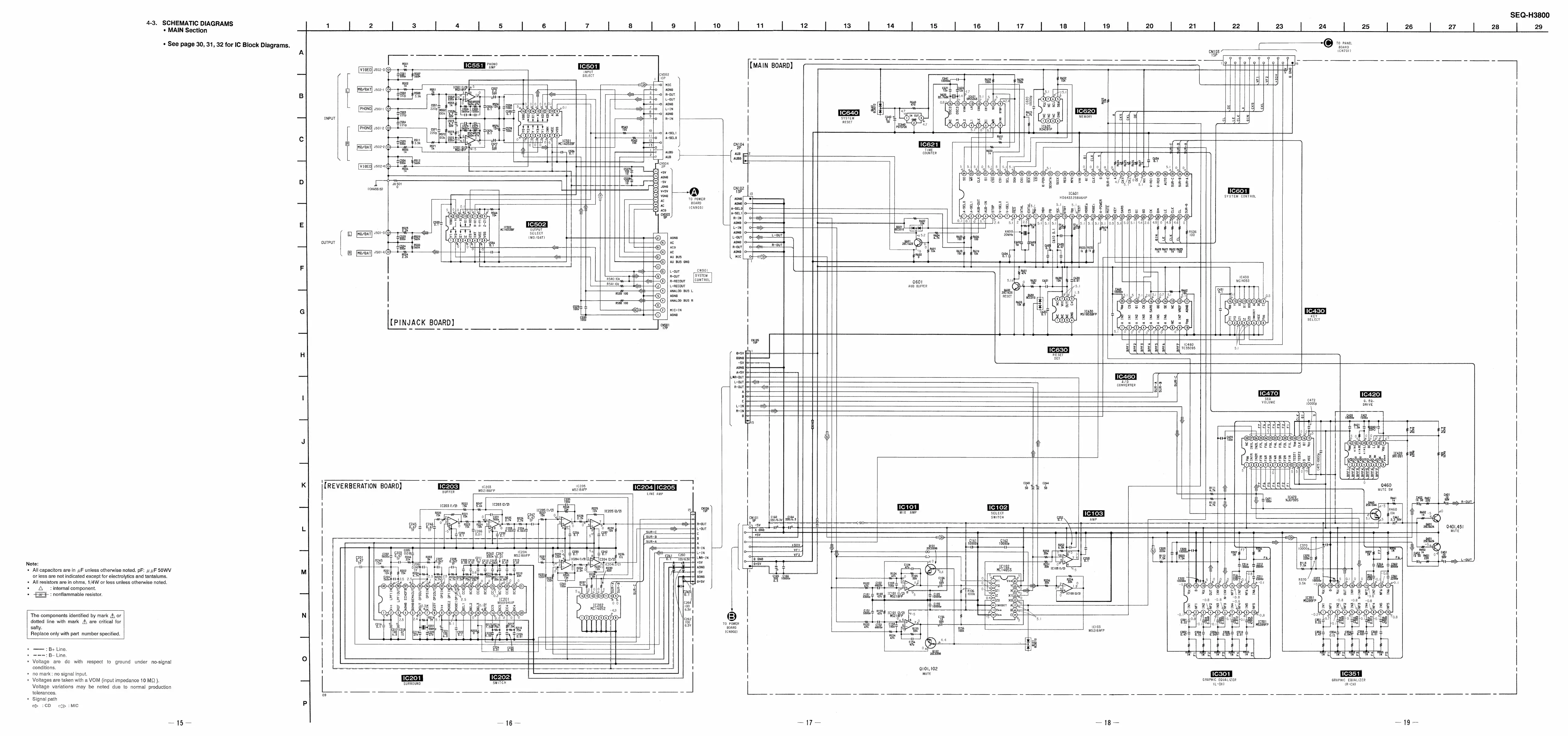
Sony SEQ-H3800 - Main Section Schematic Diagrams

Sony SEQ-H3800
20 pages
Print Icon
To Next Page IconTo Next Page
To Next Page IconTo Next Page
To Previous Page IconTo Previous Page
To Previous Page IconTo Previous Page
Loading...

Related product manuals