EasyManua.ls Logo

Sony SEQ-H3800 - Panel and Power Section Schematics

Sony SEQ-H3800
20 pages
Print Icon
To Next Page IconTo Next Page
To Next Page IconTo Next Page
To Previous Page IconTo Previous Page
To Previous Page IconTo Previous Page
Loading...
SEQ-H3800
ee
12 13
14
15
16
17
18
19
20
21
22
23
24
25 26
27
28
29
10
e
PANEL,
POWER
Section
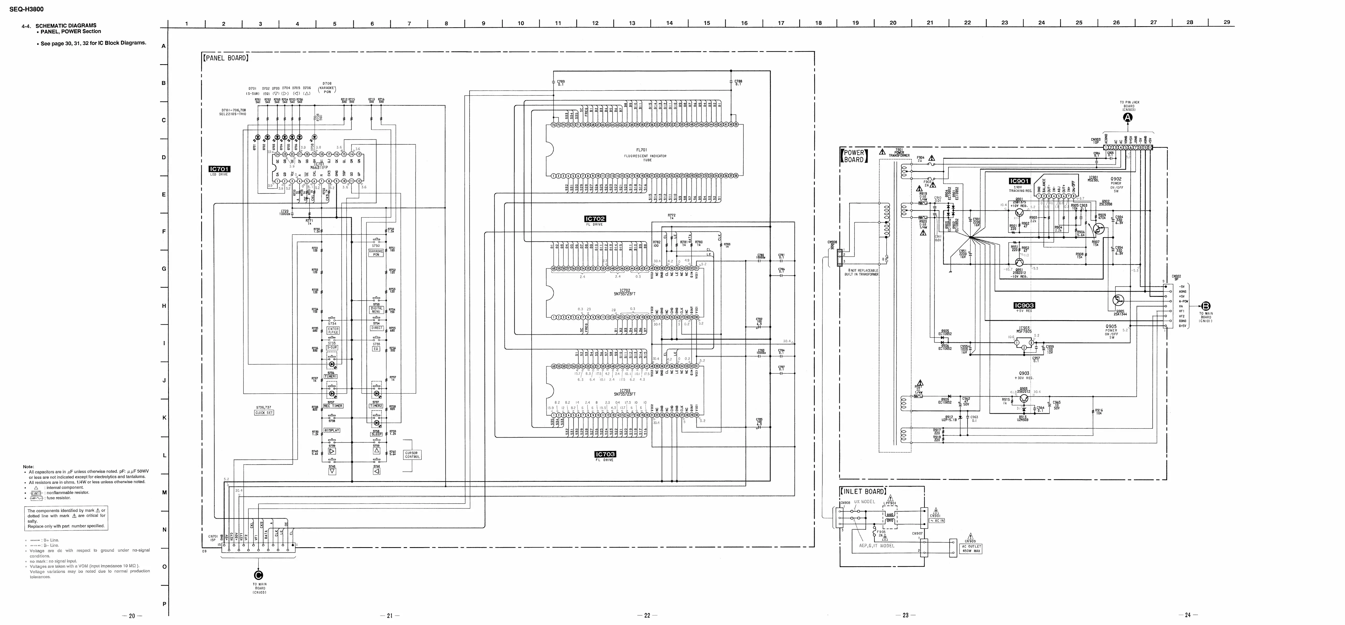
4-4.
SCHEMATIC
DIAGRAMS
e
See
page
30,
31,
32
for
IC
Block
Diagrams.
TO
PIN
JACK
BOARD
(CN503)
#
Um
(os)
por.
Se
a
2:
we?
“Ns
uu
oxXs
Lr
go
ae
&
x
——
ao
an)
Oo
oom
Lv
Qa
sn
iS
54
op
Bc
as
a
ew
SS
-
§
°o
x?
An
D701-—706,708
SEL2210S-THIO
Crh)
‘>
foo)
ND
Xe
8020
>
A
2
nb
va
POWER
in
<
+
>
a
15.3
ro
——--f
-~—f
2
.
id
“>
i
pe)
fe)
©
a
ai
a
>
—S
>
<x
or
>
nH
>
ned
=)
oO
oF
(6)
He
pa
No
+
peas
hs
+
Ls
1
IO
vt
a
S
AN
O
oO
a
a
N
Noo
[I
]
Sap
BE
$
oN
aes
|
aes
<
ax
ros
[Shor
a
5
E
ri
r-O
©
0
re
CO
O
On
=
a
a
a
a
no
no
a
ns
a
ee
ne
ee
en
ne
on
nn
nn
nn
ee
ee
ee
nw
eee
ee
ee
ee
eee
ox
}
:
|
t
xi
()
0)
io
1
;
ae
oo!
zi
=<
x;
4
t
1
1
1
4
XNOT
REPLACEABLE
BUILT
IN
TRANSFORMER
FLUORESCENT
INDICATOR
1€703
9N755723FT
fom
gey
FL
DRIVE
$757
REC
TIMER
DISPLAY
90
0
‘30.
aes
ue.
$736,737
CLOCK
SET
Loy
geok|
LED
DRIVE
ow
gexc)
FL
DRIVE
CURSOR
CONTROL
Note:
°o
Ye)
Lt,
=
2
te
a
ne]
®
2
re)
ors
®
Q
a)
=
3
H
n
2
c
=>
LL
=
&
®
oo
2)
Pe
fe)
=
i)
©
a
o
)
<
e
oo
Ef
Ee}
oc
—_
5
2
oi)
oe
c=
0
Sea
8
oO
=
4
Hy
=
@
o=
=
¢&
Oo
3
28
o
+
&
Qe
a2
o>
oS
3
oY
OE
we
Oc
ous
=
@
—_—-
kh
Oo
8
a
96
7)
nN
-H
n
O28
.
=
ot
°
:
internal
component.
¢
-—wo
:
nonflammable
resistor.
°
AF
:
fuse
resistor.
Ls
he
components
identified
by
mark
A\
Replace
only
with
part
number
specified
dotted
line
with
mark
A\
are
critical
for
safty.
E
:
B+
Line.
meses!
B—
Line.
©
Voltage
are
de
with
respect
to
ground
under
no-signal
Emaoonamaas
cc)
o
CN909
AC
OUTLET
450W
MAX
oO
P
MODEL
conditions.
e
no
mark:
no
signal
input.
é
o
Voltages
are
taken
with
a
VOM
(input
impedance
10
MQ
).
Voltage
variations
may
be
noted
due
to
normal
production
tolerances.
TO
MAIN
BOARD
(CNIO3)

Related product manuals