EasyManua.ls Logo

Sony SLV-D920 E1 - Page 15

Sony SLV-D920 E1
27 pages
Print Icon
To Next Page IconTo Next Page
To Next Page IconTo Next Page
To Previous Page IconTo Previous Page
To Previous Page IconTo Previous Page
Loading...
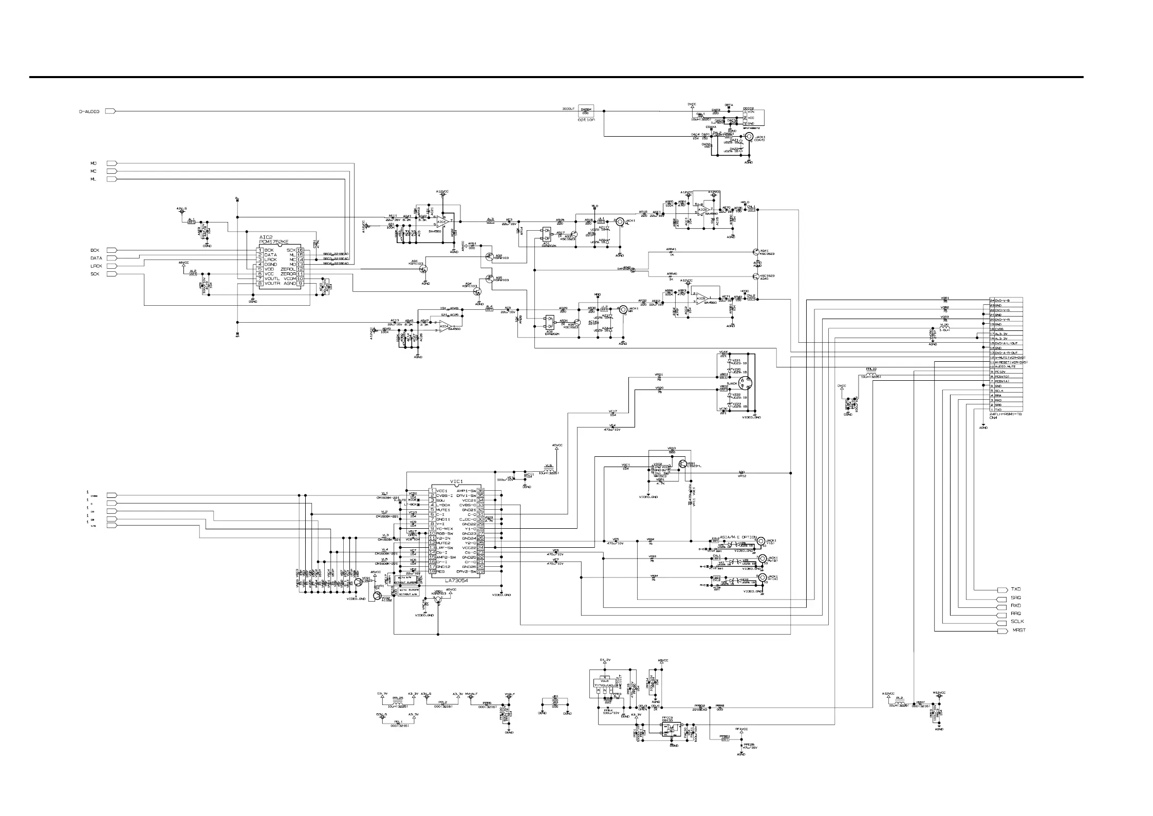
5-13 DVD A/V
5-285-27

Related product manuals