EasyManua.ls Logo

Sony SLV-D920 E1 - Page 4

Sony SLV-D920 E1
27 pages
Print Icon
To Next Page IconTo Next Page
To Next Page IconTo Next Page
To Previous Page IconTo Previous Page
To Previous Page IconTo Previous Page
Loading...
5-65-5
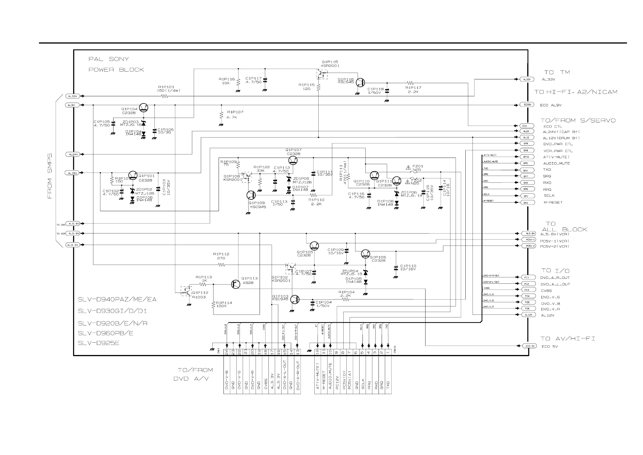
5-2 Power Drive

Related product manuals