EasyManua.ls Logo

Sony SRS-D313 - SRS-D313 IC Block Diagrams

Sony SRS-D313
14 pages
Print Icon
To Next Page IconTo Next Page
To Next Page IconTo Next Page
To Previous Page IconTo Previous Page
To Previous Page IconTo Previous Page
Loading...
5
SRS-D313
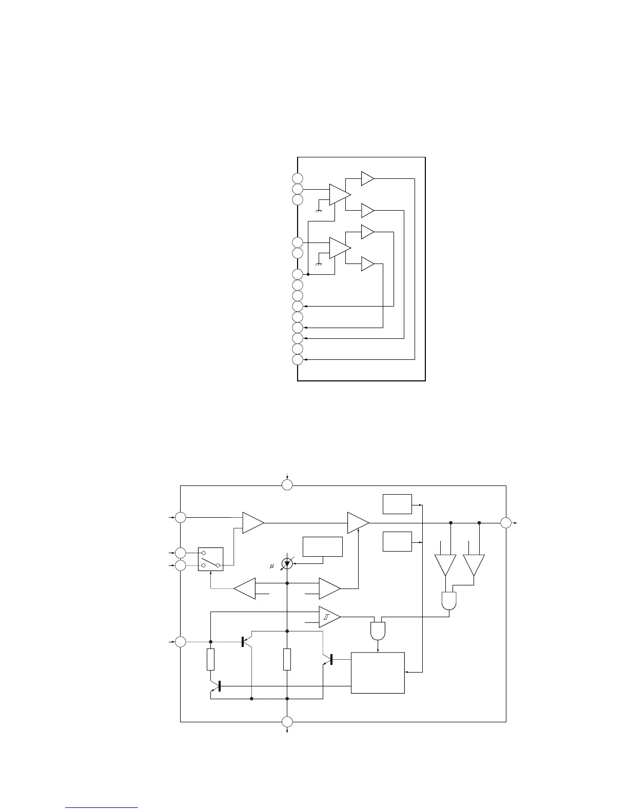
2-1. IC BLOCK DIAGRAMS
1
RIPPLE FILTER/
STARTING TIME
2
IN1
3
PRE GND
4
IN2
5
STANDBY
SIGNAL MUTE
6
VCC1
7
VCC2
8
–OUT2
+OUT2
9
POWER GND1
POWER GND2
10
+OUT1
–OUT1
11
12
13
14
+
+
INPUT
AMP
INPUT
AMP
OUTPUT
AMP
OUTPUT
AMP
2
+Vs
6
INP-
7
INP+PLAY
5
INP+MUTE
3
MUTE/
ST-BY
+
125
A
THERMAL
SHUTDOWN
+
2.7v
M/P
+
1.8v
S/M
+
1v
A
Q2
Q1
LATCH
RESTART
UPPER
SOA
LOWER
SOA
+–
0.65
VCC
+–
0.35
VCC
4
-Vs
1
OUT
IC301 LA4663 (AMP BOARD)
IC302 TDA2052V (AMP BOARD)

Related product manuals