EasyManua.ls Logo

Sony ST-V702 - Page 10

Sony ST-V702
15 pages
Print Icon
To Next Page IconTo Next Page
To Next Page IconTo Next Page
To Previous Page IconTo Previous Page
To Previous Page IconTo Previous Page
Loading...
|
ST-V502
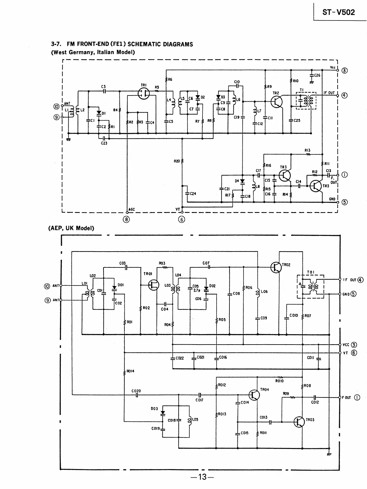
3-7.
FM
FRONT-END
(FE1)
SCHEMATIC
DIAGRAMS
(West
Germany,
Italian
Model)
)
2
@
al
ay
©
a
(AEP,
UK
Model)
C03
01
Do!
RO!
R014
ROB
C020
RO
Lh,
OF
OUT
0)
colr
cor
003
8
cols
LOS
a)
TROS
co19
Rs
|
REED
ED
TRATED
|
ED
—13—

Related product manuals