EasyManua.ls Logo

Sony STR-D311 - System and Circuit Diagrams

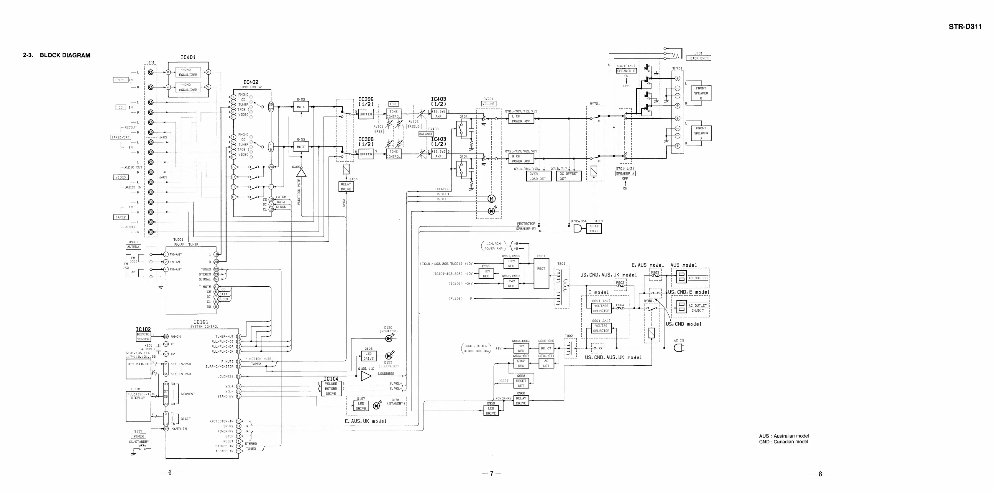
Sony STR-D311
21 pages
Print Icon
To Next Page IconTo Next Page
To Next Page IconTo Next Page
To Previous Page IconTo Previous Page
To Previous Page IconTo Previous Page
Loading...

Other manuals for Sony STR-D311

Related product manuals