EasyManua.ls Logo

Sony STR-K6800P - Page 16

Sony STR-K6800P
56 pages
Print Icon
To Next Page IconTo Next Page
To Next Page IconTo Next Page
To Previous Page IconTo Previous Page
To Previous Page IconTo Previous Page
Loading...
masterpage:Left
lename[C:\Documents and Settings\pc13\Desktop\Data_HT-
800DP\J9041614_4252273111HT6800DP\4252273111\GB03CON_HT-6800DP-U.fm]
model name1[HT-6800DP]
[4-252-273-11(1)]
16
US
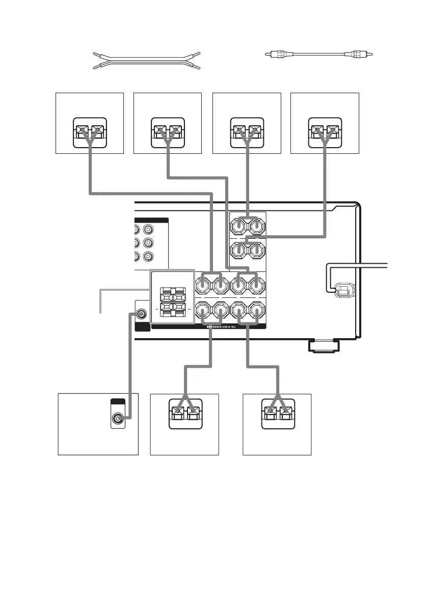
Required cords
A Speaker cords (supplied)
(+)
B Monaural audio cord (supplied)
Black
(–)
* If you have an additional front speaker system, connect them to the SPEAKERS FRONT B terminals. You can
select the front speakers you want to use with the SPEAKERS (OFF/A/B/A+B) button. For details, see “Selecting
the speaker system” (page 36).
AUDIO
OUT
FRONT B
CENTER
E
O 2
N
MONITOR
OUT
N
ENT VIDEO
Y
P
B
/C
B
/B–Y
P
R
/C
R
/R–Y
SUB
WOOFER
LR
+ +
+ +
AC OUTLET
A
Ee
A
Ee
A
Ee
E
e
A
INPUT
B
E
e
A
SPEAKERS
FRONT B*
Ee
A
SURROUND
FRONT A
LR
+
SPEAKERS
LRLR
SURROUND BACK
Sub woofer
Center speakerSurround back
speaker
Front speaker
(Left)
Front speaker
(Right)
Surround speaker
(Right)
Surround speaker
(Left)
GB01COV_HT-6800DP-U.book Page 16 Tuesday, March 23, 2004 6:02 PM

Table of Contents

Related product manuals