EasyManua.ls Logo

Sony STR-V 25 - Page 3

Sony STR-V 25
24 pages
Print Icon
To Next Page IconTo Next Page
To Next Page IconTo Next Page
To Previous Page IconTo Previous Page
To Previous Page IconTo Previous Page
Loading...
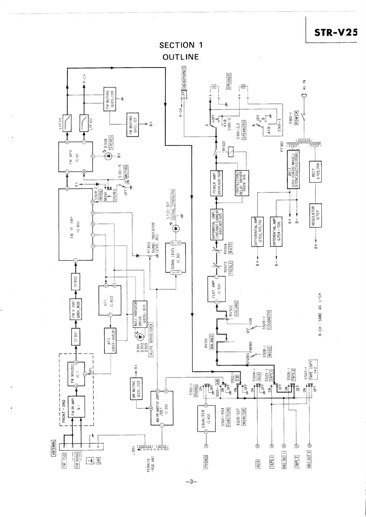
STR-V25
SECTION
1
OUTLINE
901'S0L0
1010
a
HO-1
SV
AWS
:
HO-4
ee
L934
YOLV1N93uy
ie
=
Ado)
Savi}
©)
{2
1nd
334
wv
D)——
2
i-L06S
yp
UaMOd
CAGOW
NVIOYNY916020
—~
—8
140
~-—__{6)
aT
ae
TSG0W
SM)
bOL-1020
Zidvi]
[k
(234v!]
1934
+8
=906S
a
106
id
©)
[i
1nd
534]
€-1065
901
-
bOL8
4
330
dWV
WILN3Y34510
.
a
Uses
[ss3nanov}
FOO]
ei]
oT
©
[1advi
8
1-60SS
~80SS
440
e
O12
‘022020
Xn
(2
ase
J
UNV
IW!
LN3U34510
+8
:
_
~
6)
xny}
“vOSS
HG
NOo
ONOWS
eee
:
40
o3u3LS
[8]
Suayvads]
919-6090
340
BOLINOW
LH
+o
SPOR
S
y3AlNa_
AV134
-
/NOILIALOYd
[awnioa]
cy
oo
L0S-S0SS
wanvads
-106S
ssva}
[2a3ul
206
AN
[
ene
pOSAY
—-
fUSAY
ee
Toren
109
Au
NO
0S
-10SS
~
809-909
'v090
G09°209'1090
10S
91
i,
Hg
[see
fT
oS
lo
NYS
NAME
INJMYND
LNVISNOD
(1)
¢
[WV]
1-¢o¢s
aa,
Ser
a
eee
7AINY
WILNIY3IS10
dWV
ivls
(SONY
Ww]
440
er
:
lOSAY
If
3
a
©
43ZIvNO3
@
©
enone)
ONOHd
1-106
S3NOHEOV
3H]
049-4
RLONSUIS
WNSIS]
6}
13A31
‘Wwnais
{2
LOE
-£0%
ae
102
31
130/
av
13A31
~
Gd
JI/dWv
Ju
We
VOIGNI
T¥N9I
pa
Ei
a
+8
ae
cere
=
[1907
OAYIS_31AOV
ence
018
-
9080
oon
anya
,
10¢
6
202
‘1020
2011010
MOLVOIONI
TIAN
+8
onan
aw
ONILOW
WA
r
Onin)
NP
4
440
+g
G-i0ES|
¢
r
O3Y31S
.
Q)
G08
-
vol
Colo
AENENTS
)
“|
20801
1g
ape
ONILAW
W4
Bed
»\
Baie
ee
re
{3d0W
ea0ss
bo
-o6—
Ww
D—AO——
LE
ae
a
Sere
a
a
a
a
EeaRE
93,
1
a
H-¥
|
@
|
a
i
|
:
49
108
91
4
[208
0
|
208‘
1080
»
19
@
1d
oy
[woe
dWv
4)
W4
dW
31
WS
j
[207K
wa
dW
38
W4
(3)
|
|
LNOYd
USL
WG
{Ol4d]
=
uss
aoa
J
[wnnainv]

Related product manuals