EasyManua.ls Logo

Sony STR-VA333ES - Page 17

Sony STR-VA333ES
72 pages
Print Icon
To Next Page IconTo Next Page
To Next Page IconTo Next Page
To Previous Page IconTo Previous Page
To Previous Page IconTo Previous Page
Loading...
Getting Started
17
GB
E
e
Ee
E
e
E
e
E
e
INPUT
AUDIO
IN
A
Ee
A
A
B
A
A
A
IMPEDANCE
SELECTOR
SPEAKERS
FRONT B*
1
E
e
A
AC OUTLET
IMPEDANCE USE 4-16
OUT
IN
OUT
IN
OUT
IN
OUT
IN
L
R
VIDEO VIDEO
AUDIO AUDIO
SUB WOOFER
CENTER
PRE OUT
FRONT
SURROUND SURR BACK
CTRL
A1
OUT
IN
OUT
IN
S2 VIDEO S2 VIDEO
VIDEO 2 VIDEO 1
LR
A
B
LR
LR
+
+
+
+
+
+
+
+
+
FRONT
SURROUND
CENTER
SURR BACK
SPEAKERS
IMPEDANCE SELECTOR
4 8
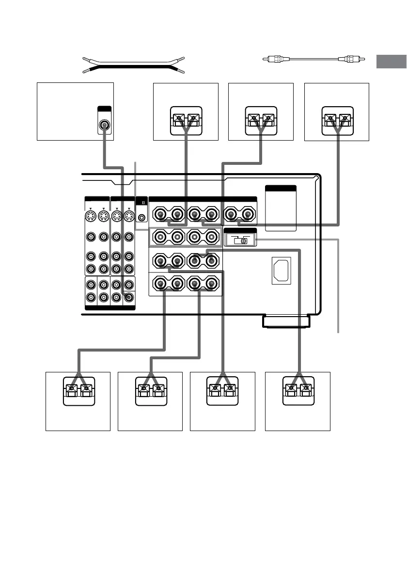
Front speaker (L)
Front speaker (R)
Center speaker
Surround speaker
(L)
Surround speaker
(R)
Active sub woofer
A Speaker cords (not supplied)
(+)
(–)
Required cords
B Monaural audio cord (not supplied)
Black
*
1
You can select the font speakers you want to use with the SPEAKERS switch. For details. see “Selecting the
speaker system” (page 58).
*
2
If you only plan to connect one surround back speaker, connect it to the SPEAKERS SURR BACK L terminal.
Surround back
speaker (R)*
2
Surround back
speaker (L)*
2

Table of Contents

Other manuals for Sony STR-VA333ES

Related product manuals