EasyManua.ls Logo

Sony STR-VX4 - Page 5

Sony STR-VX4
40 pages
Print Icon
To Next Page IconTo Next Page
To Next Page IconTo Next Page
To Previous Page IconTo Previous Page
To Previous Page IconTo Previous Page
Loading...
STR-VX4
SECTION
1
OUTLINE
1-1,
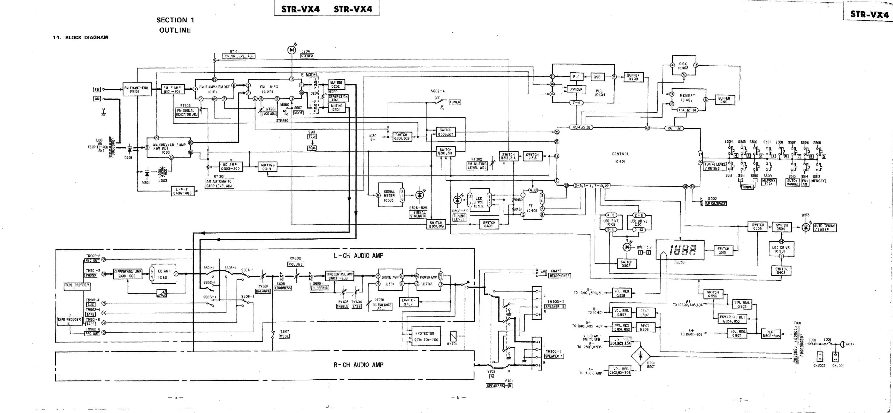
BLOCK
DIAGRAM
FER
LOOE
aM
ye
1
RITEROD
15e>
enmmmmene
Tc
sme
ANT
Wg
CONV/AM
IF
AME
|
i
DET
:
1C30b
te
Cs
DC
AMP
a
aces
RTO)
AM
AUTOMATIC
(8)
METER
STOP
LEVEL
ADV.
1503
LeP-F
0404-406
a
L~-CH
AUDIO
AMP
JouFFERENTAL
ANP),
“L280!
,
602
tf
_RV603
RVGO4
R-CH
AUDIO
AMP
-
POWER
AMP
(0)
1c
702
PROTECTOR
Q751,701+706
;
.
SWITCH
|
caiarest
Fe
$504
$803
$802
S501
$508
S507
$506
S808
4
sha
Binsin
he
CONTROL
1C
401
=
4)
ed
@)
:
ae
2
3
q
3
R45!
(5)
b
$002
bl
[AM
CH-SPACE]
LED
IRIV
(3-11)
{>
DSH
519
~
OI-B)
switcn
|
Q502
SWITCH
|
a5o03.
©
|
LED
DRIVE
iC
50!
_|
SWITCH
aso!
CNI70!
HEADPHONE
§
|
7
i
TO
1€401,306,311
TM903-2
[SPEAKER
8
B-
R
TO
(C
401
TO
1€402,403,404
TOOL
B+
TO
Q401,405~
407
ae
tt
,
TO
D60I~606
AUDIO
AMP
FM
TUNER
:
B+
L
TO
Q503,16503
[SPEAKER
A)
NNOOI
VOL,
Rea
|.)
EH
“Jaao2
804,806
B-
*
TQ
AUDIO:
AMP

Related product manuals