EasyManua.ls Logo

Sony STR-VX4 - Page 6

Sony STR-VX4
40 pages
Print Icon
To Next Page IconTo Next Page
To Next Page IconTo Next Page
To Previous Page IconTo Previous Page
To Previous Page IconTo Previous Page
Loading...
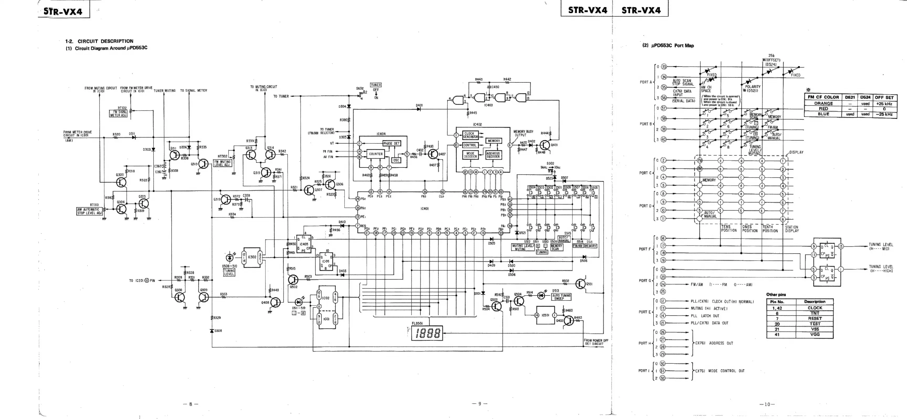
FROM
METER
DRIVE
CIRCUIT
IN
IC
SOI
a
IRCUIT
FROM
PM
METER
Oi
RT
301
JAM
AUTOMATIC
[3
STOP
LEVEL
ADJ}
rh
TO
TUNER
|
(EN/AM
SELECTOR)
MEMORY
BUSY
nadia
OUTPUT
8
OkHz
=
>
10
kz
=
0507
5504
15505
15502
15501
al
le
cle
ole,
o
Cbea®hi
me)
$5!
S510
ion:
0520.
0506
re
501
ot
O88
8
15
naif
gis]
a
SS
[PUTS
LEME
eer
(FWA)
TUNING]
(2)
uPD5S3C
Port
Map
PORT
S
POLARITY
*PS21
PORT
B<
PORT
C4
PORT
D
.
TUNING
LEVEL,
PORT
F
{H-~-~
MID)
PORT
G<
2
@)———*
FM/AM
fl----
FM
0---~
AM
3@
ie
PLL/CX?6!
CLOCK
OUTIHI
NORMAL!
*
MUTING
CHE
ACTIVE)
eau
eee
2
(4)
‘o——
PLL
LATCH
OUT
~
PLLZCX76l
DATA
OUT
PORT
PCX76!
ADDRESS
OUT
portid
i
Gi
PCX76)
MODE
CONTROL
OuT
om

Related product manuals