EasyManua.ls Logo

Sony TA-E2000ESD - System Block Diagram

Sony TA-E2000ESD
55 pages
Print Icon
To Next Page IconTo Next Page
To Next Page IconTo Next Page
To Previous Page IconTo Previous Page
To Previous Page IconTo Previous Page
Loading...
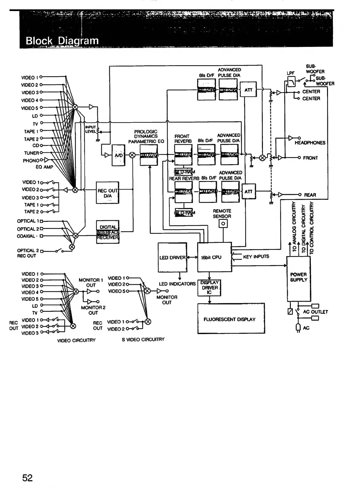
Block
Diagram
ADVANCED
SUB:
VIDEO
8is
D/F
PULSE
DIA
LPF
"eeue
Neecetons
|
|
oO
°
WOOFER
VIDEO
30
\
;
"
Setee
VIDEO
40
\
©
CENTER
IN
VIDEO
5
©
Y—_P
4;
Lp
©
yaaa
pe
TAPE
1
©
A
PROLOGIC
TAPE
(
DYNAMICS
FRONT
ADVANCED
.
ANY
(|
P
PARAMETRIC
EQ
|
REVERB
8ls
D/F
PULSE
DIA
:
cDo
\
HEADPHONES
A
io
a
TUNERO—N
a
-heernd
PHONOOD
|
62
>
©
FRONT
EQ
AMP
i
\y
\:
1
VIDEO
10-07%
\
VIDEO
2.
0-0-0-1-<t-}
eK
VIDEO
3
0-0
~
DIA
5
ere
TAPE
1
=
-
TAPE
2
0-0-%
E
E
E
OPTICAL
16
8
3
3
OPTICAL
20
\\
SG
COAXIAL:
O
Ws
uaetale
8
Z
3
yy
AR:
°
={0O
°
VIDEO
1
0
OPTICAL
2
goo
aoe
LED
DRIVER
KEY
INPUTS
\
WN
POWER
VIDEO
2
©
MONITOR
1
VIDEO
1
SUPPLY
VIDEO
3
©
ouT
VIDEO2
LED
INDICATORS
oot
VIDEO
4
©
VIDEO
S
ic
VIDEO
§
©
MONITOR
ine
OUT
MONITOR
2
—{_]
WV
OUT
/\
\,
AC
OUTLET
nec
VIDEO
1
REC
VIDEO
10-0%
FLUORESCENT
DISPLAY
out
VIDEO
2
o-<-o%
OUT
o-0%
VIDEO
3
°
oe
fe
VIDEO
CIRCUITRY
S
VIDEO
CIRCUITRY
52

Related product manuals