EasyManua.ls Logo

Sony Trinitron BVM-20G1U - Picture Tube (20 G1 A;20 G1 E;20 G1 U)

Sony Trinitron BVM-20G1U
218 pages
Print Icon
To Next Page IconTo Next Page
To Next Page IconTo Next Page
To Previous Page IconTo Previous Page
To Previous Page IconTo Previous Page
Loading...
8-12
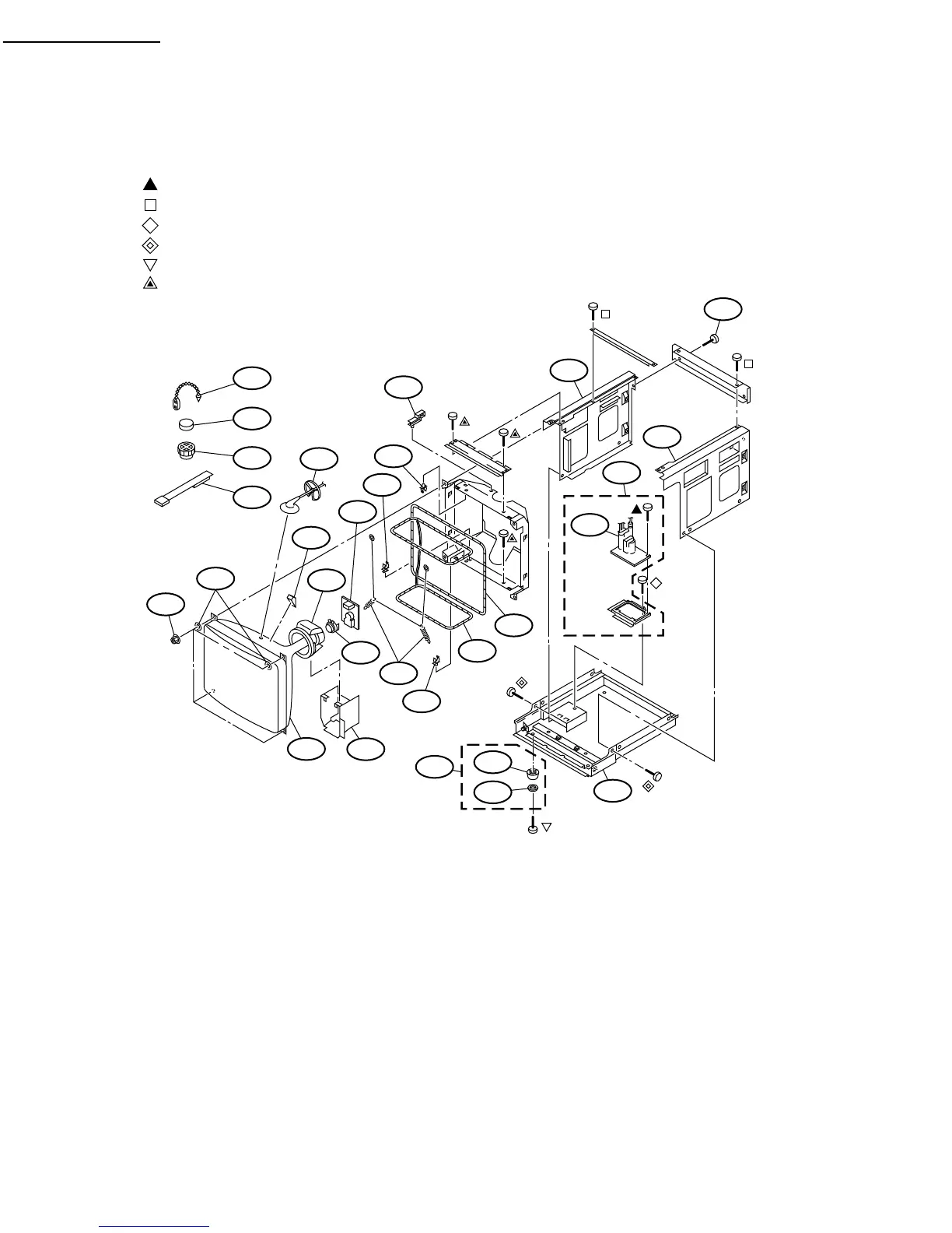
PICTURE TUBE
8-6. PICTURE TUBE (20G1A/20G1E/20G1U)
: 7-685-872-09 +BVTT3x8
: 7-682-161-01 +P4x8
: 7-682-661-01 +PS4x8
: 7-682-261-09 +K4x8
: 7-682-665-09 +PS4x16
: 7-685-881-09 +BVTT4x8
251
252
253
254
255
256
257
258
259
260
261
262
262
263
264
265
266
267
268
269
270
271
272
273
274
275
276
277
278

Table of Contents

Other manuals for Sony Trinitron BVM-20G1U

Related product manuals