EasyManua.ls Logo

Sony TRINITRON BVM-9045D - Page 77

Sony TRINITRON BVM-9045D
108 pages
Print Icon
To Next Page IconTo Next Page
To Next Page IconTo Next Page
To Previous Page IconTo Previous Page
To Previous Page IconTo Previous Page
Loading...
9-7 9-7
S MIC Chassis
DD
QA BOARD
CN404
B
TO
U/S
4:3/16:9
1
5
CN504
V.HOLD 3
1
CN003
HA BOARD
TO
I
4:3/16:9
CN600
H.V-DL
COMPO SYNC
U/S(H.PULSE)
CN502
11
3
10
50/60
2
6H.BLK
ABL 7
V.BLK 5
V.P
4
POWER LED
9
1
2
4
IC506
Q570
2
1
4
IC507
Q571
U/V.PHASE
16:9/V.SIZE
Q601Q600
+12V
D848
PROTECT
13
12
11
IC831(4/4)
3
2
IC831(1/4)
1
+12V
SLICER
D831
12
V DELAY
9
14
IC833(2/2)
V DELAY
RV831
2
1
3
IC832(1/4)
5
V DELAY
IC833(1/2)
7 22
SEP
V SYNC
20
IC502(1/3)
Q503
V BLK SW
19
13
V BLKG
RV501
OSC
V
DRIVE
V
17
BLK
V
15
12
14
DEFLECTION
V BLK
D503
SW
SW
V SYNC
D501
Q512
V ZOMMING
V SIZE
D502
V LIN
RV507
V SIZE
RV505
SW
V CENT
Q576
SW
12
10
H.PLUSE
IC505(2/2)
SW1
PIN AMP
Q599
RV509
PIN AMP
PIN
RV508
PHASE
Q513
Q514
PIN
COMP
Q515
PIN OUT
V(-)
LMC
L503
H SIZE
Q579
12
9
CN503
CS
PIN
10 V(+)
V PULSE SW
Q501
7
1
3
50/60 SW
IC501
Q502
H PULSE SW
H FREQ SW
Q504
SYNC
SEP
H AFC 41
3
H.FREQ 1
CN501
D504
H CENT SW
10
H
DRIVE
H OSC
5
6
7
H FREQ
RV503
DEFLECTION
IC502(3/3)
Q532
H BLK1
5
6
H BLK
H PULSE
IC505(1/2)
2
RV516
PROTECT
H BLK2
Q569(1/2)
4 2
V OUT
IC503
V BLK BUF
Q569(2/2)
Q519
BOW
BOW
RV515
RV514
V ANG
Q518
V ANG
11 V(-)
6
IC832(2/4)
5
4
IC832(3/4)
9
8
10
D834
H SYNC
12
13
11
IC832(4/4)
H SYNC1
D832
H SYNC2
D833
8
9
10
IC831(3/4)
+12V
6
IC831(2/4)
5
4
H DELAY
RV832
CN104
B BOARD
E
TO
VP
V BLK
H BLK
VP
V BLKH BLK
HV BUFF2
Q835
HV BUFF1
Q836
+B
HV PROTECT2
D836
CURR LIM2
Q833
Q834
CURR LIM1
HV PROTECT1
D835
H/D R
RV833
5 H.DRV
6
8 ABL
TP85
BATT 12V
DC 12V 1
2
13 HP
23
1
4
DC 12V IN
CN508
PULSE
Q508,505
Q617
H TRIGGER
Q1613,1614,1615
SHIFT
DC LEVEL
Q1616,1611
GEN
TRIANGLE
Q1612,1610
COMPARATOR
Q1601
ERROR AMP
RV1601
B+ADJ
B+ R
RV1603
LIMIT SW
Q509
COMPARATOR
Q1602,1603
PRE DRIVE
Q1604
SPEED UP
Q1618
DRIVE
Q1605
CHOPPER OUT
Q1606
+40V RECT
D1606,1607
B+
ON
SW
OFF
3
1
2
40V
CN505
6
IC1601(1/2)
COMPARATOR
SHUT DOWN
RV1602
COMPARATOR
IC1601(2/2)
+12V
Q1619,1620
FLASHING
LED
Q1609
LED DRIVE
RY1601
4 D.D CON
DC 12V
Q1607
+40V/RELAY SW
Q1608
RELAY SW
P BOARD
CN801
TO
M
G BOARD
CN651
TO
O
N
CN505
FA BOARD
CN603
TO
PHASE
VIDEO
RV502
T1601
DRVT
IC502(2/3)
RV511
H SIZE
PIN AMP
D507
U/H SIZE
RV512
HV
D
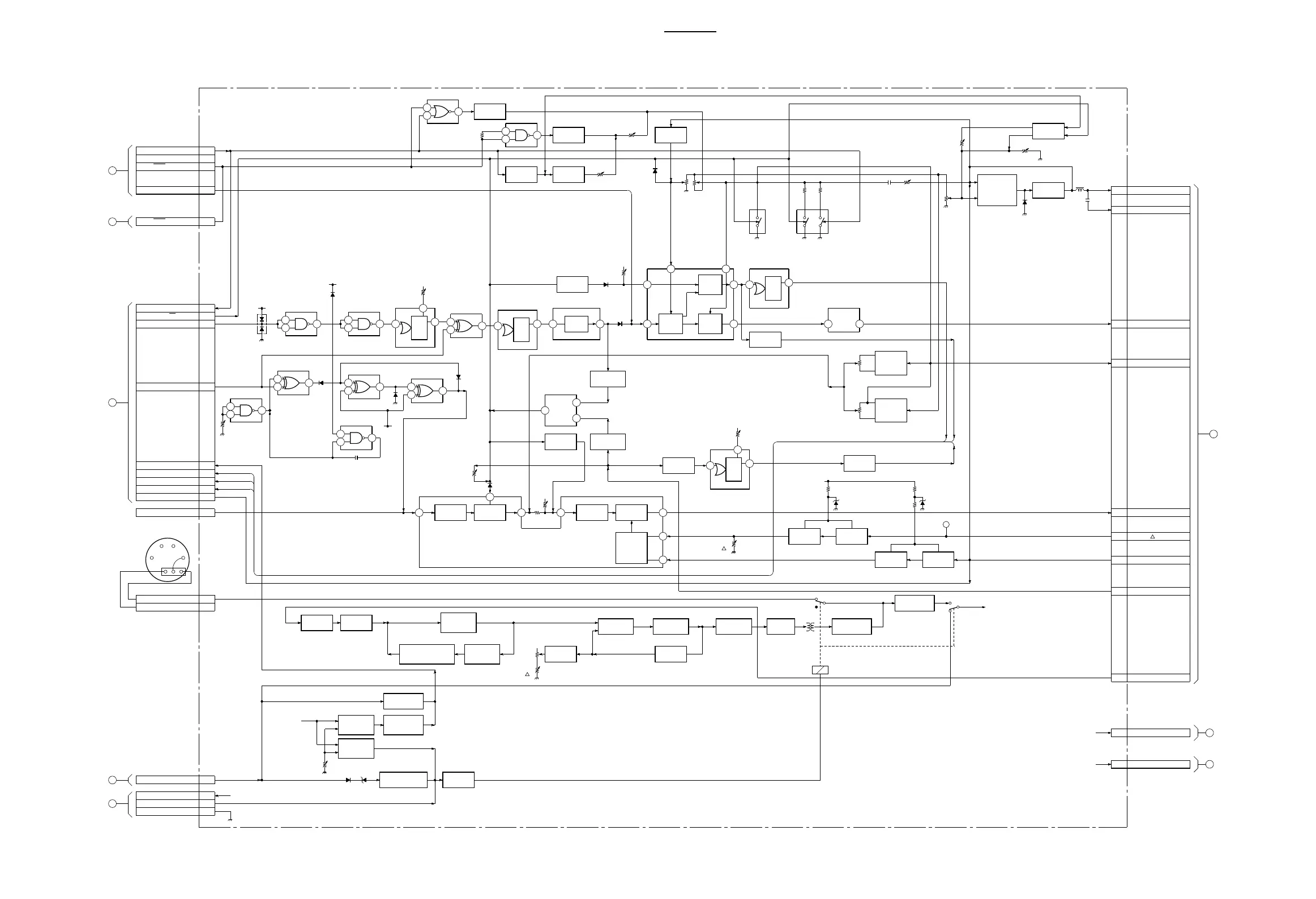
(DEFLECTION SYSTEM)
SWITCH
SWITCH
19:9 16:9
RV518
RV517
12V1
CN510
+12V
R
S
+B
CN511
3 +40V
TO GB BOARD
CN2602
CN2601
TO GB BOARD

Table of Contents

Other manuals for Sony TRINITRON BVM-9045D

Related product manuals