EasyManua.ls Logo

Sony Trinitron PVM-20L2 - G (2;2), J, Dy

Sony Trinitron PVM-20L2
174 pages
Print Icon
To Next Page IconTo Next Page
To Next Page IconTo Next Page
To Previous Page IconTo Previous Page
To Previous Page IconTo Previous Page
Loading...
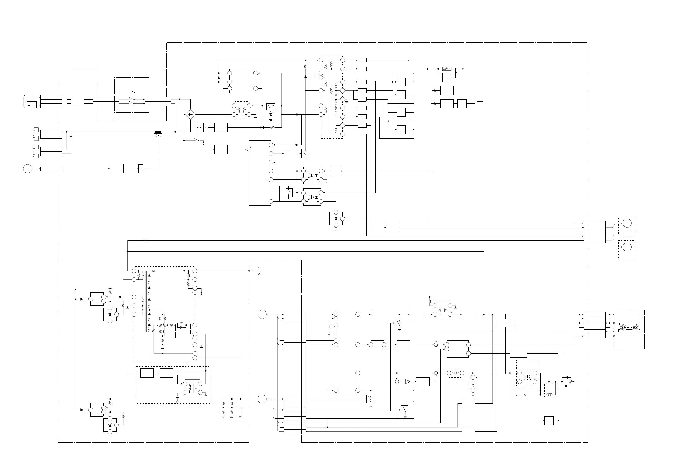
8-4
PVM-14L2/20L2
8-4
G (2/2), J, DY G (2/2), J, DY
LIVE
1
G (2/2)
NEUTRAL 3
AC IN
CN601
CN603
THP601
LINE
FILTER
CN602
(2/2)
RY602
LATCH
Q604,605
DEGAUS
DRIVE
Q601,602
RY601
RELAY
DRIVE
Q603
1
3
5
6
9VCC
DRA IN
1
AC SENSE
3
CATHODE
10
5
L SENSE
IC601
POWER FACTOR CONT
T602
PFT
Q614
ON/OFF
13
11
VCC
9
OUT
7
OCL
14
VREF
IC602
PWM POWER CONT
7
9
12
13
14
T602
SRT
17
18
4
3
1
2
PH602
PROT
Q607
4
3
1
2
PH601
D603
AC RECT
1DGC
+12V
REG
15
16
IC604
+5V
REG
IC606
-5V
REG
IC607
2
1
O.C.P
Q608
LATCH
Q609,610
+15V
+12V
+180V
-5V
3
7
8
1
G2
H2
+180V
H1
CN607
D608
+B
1
5
11
8
T501
DFT
1
3
2
HV
PROT
6
2
1
HV
14
13
FV
16
7
15
T502 FBT
5
IC503
IC502(1/2)
2
3
1
D516
HV PROT
11
FV
17
18
C BOARD
PICTURE TUBE
PROT
+12V
+B
HV
DF AMP
Q503-505
BUFF
Q501,502
1
3
2
IK
PROT
IC505
IC502(2/2)
5
6
7
D514
IK PROT
+12V
7
5
AC L IN
AC IN
1
3
CN011
(1/2)
7
5
AC L OUT
AC OUT
1
3
CN011
(2/2)
CN602
(1/2)
J
3DGC
12
OVL
Q606
6
4
10
11
RECT
D613
RECT
D619
RECT
D614
RECT
D616
RECT
D628
RECT
D618
RECT
D617
RECT
D615
+5V
REG
IC605
OP +5V
OP +6V
+5V
OP -8V
-15V
LATCH
Q611,612
PROT
Q613
PROT
1
2
3
IC603
HEATER
REG
Q619
+180V
8
4
12
1
AFC (HP)
CN1502
H SYNC
V SYNC
SDA
2
SCL
9
UNLOCK
14
V BLK (W)
H IN
26
IC1551
H/V JUNGLE
13
HDF
500K
29
SDA
3
SCL
4
HP
14
X1550
500K
17
H OUT
9
EW
8
V OUT
H DRIVE
Q1505
H OUT
Q1506
-VIN
1
IC1501
V OUT
+VIN
7
5OUT
1
2
3
4
L1505
L1504
HLC
T1501
HLT
1
H DY+
CN1506
2
H DY+
3
H DY-
4
H DY-
5
V DY-
6
V DY+
DY
1
FB GEN
FBT/REG
DYNAMIC FOCUS
+5V
REG
+12V
+5V
IC1502
6
ABL
1
3
V IN
28
IC1552
H BUFF
Q1550
Q1552
V BUFF
Q1551
31
IC1550
PIN AMP
Q1553
4
6
1
3
T1502
HDT
+B
DUMPER
D1508-1510
3
4
1
4
L1502
V PROT
Q1501.1502
14L2 ONLY
+B
H CENT
RV1501
HP BUFF
Q1508
VP BUFF
Q1509
B
B BOARD (3/3)
CN321(2/2)
A
B BOARD (2/3)
CN321(1/2)
V
BUFF
20L2
ONLY
PIN OUT
Q512
Q513
H FOCUS
+B
ABL
13
V CENT
11
VP
PROT
()
CN608
1DGC
2DGC
CN510(2/2)
5DEGAUSS
S001
C
BB BOARD(3/3)
CN106(2/2)
BUFF
Q617,618
D630
2FB
Q615,616
D612
D
C BOARD
CN702,704
14L2/14L2A
D
C BOARD
CN702
20L2/20L2A
D515
20L2 ONLY
D501
ABL
H FOCUS
T601

Table of Contents

Related product manuals