EasyManua.ls Logo

Sony Trinitron PVM-20L2 - C (Pvm-14 L2)

Sony Trinitron PVM-20L2
174 pages
Print Icon
To Next Page IconTo Next Page
To Next Page IconTo Next Page
To Previous Page IconTo Previous Page
To Previous Page IconTo Previous Page
Loading...
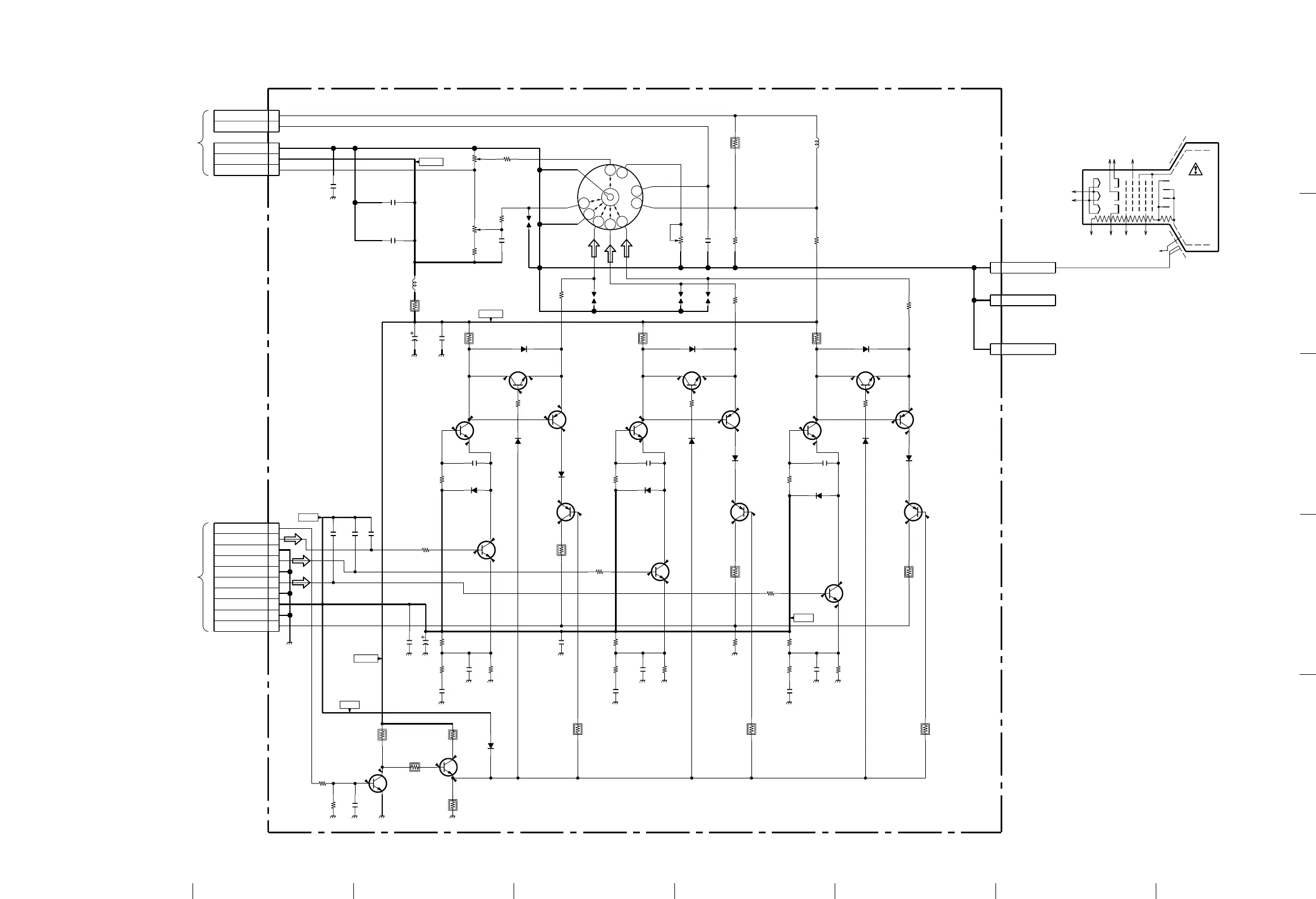
PVM-14L2/20L2
2
3
4
5
1
A BCDEFGH
C (PVM-14L2)C (PVM-14L2)
R
G
B
R
G
B
156.5
156.5
155.8
183.9
170.5
0
63.0
160.6
160.5
160.5
11.9
11.3
153.3
170.5
0
184.1
149.3
47.4
11.4
1.3
1.9
2.1
1.5
11.3
149.2
149.3
153.3
153.3
11.9
11.3
184.1
170.7
0
151.9
152.0 148.0
147.8
77.4
148.0
11.9
11.3
2.1
1.5
11.3
152.0
195.5
184.3
183.8
184.5
0.2
+180V
+12V
+12V
+180V
+180V
+12V
FOCUS
SCREEN
H.STAT
180V
TO FBT
GND
H1
H2
G2
V.P
R OUT
G OUT
GND
B OUT
IK
GND
GND
GND
+12V
GND
GND
GND
C
TO
G BOARD
CN607
(1/5)
TO
B BOARD
(2/5)
CN230
(B-SS9715-WW-UC-C)
V901
PICTURE
TUBE
1
2
3
5
6
7
8
9
10
560p
500V
B
560p
500V
B
0.0022
B
0.001
B
680p
2kV
B
0.01
630V
:PP
4.7
250V
180p
180p
180p
0.47
250V
:PT
0.47
250V
:PT
0.047
250V
:PT
22µH
:EL0607
2SC2785-HFE
B-DRIVE
2SC2785-HFE
G-DRIVE
2SC2785-HFE
R-DRIVE
180k
220
:RN
220
:RN
15k15k15k
8.2k
3W
:RS
8.2k
3W
:RS
8.2k
3W
:RS
220
220
220
220
:FPRD
220
:FPRD
220
:FPRD
100
100
100
10k
:FPRD
10k
:FPRD
10k
:FPRD
10k
10k
47k
1W
:RS
47k
2W
:RS
39
:FPRD
220k
220k
220k
2.2M
1/2W
110M
1/2W
2.2M
1/2W
10P
WHT-L
:S-MICRO
1k
1/2W
:RC
1k
1/2W
:RC
1k
1/2W
:RC
680k
1/2W
:RC
100k
1/2W
:RC
220k
1/2W
:RC
1M
1/2W
:RC
3P
2P
#
0.68
2W
:RS
#
#
#
#
2SC2785TP-HFE
TRACE-SW1
2SC2785TP-HFE
TRACE-SW2
2SC2785TP-HFE
TRACE-SW3
120p
:CH
120p
:CH
120p
:CH
10k
1/4W
:FPRD
1k
1/4W
:FPRD
100
#
#
100p
120p
68p
HSS83TD
PROTECT7
HSS83TD
PROTECT8
HSS83TD
PROTECT9
HSS83TD
PROTECT10
HSS83TD
PROTECT11
HSS83TD
PROTECT12
HSS83TD
PROTECT13
470p
B
68k
0.5W
:RC
200
:RN
1SS119-25TD
PROTECT1
1SS119-25TD
PROTECT2
1SS119-25TD
PROTECT3
2SC3271F-N
R-OUT
2SA1091O-TPE2
R-BUFF
2SC3271F-N
G-OUT
2SA1091O-TPE2
G-BUFF
2SC3271F-N
B-OUT
2SA1091O-TPE2
B-BUFF
2SA1091R-TPE2
1K-SW1
1SS119-25TD
PROTECT4
2SA1091R-TPE2
1K-SW2
1SS119-25TD
PROTECT5
2SA1091R-TPE2
1K-SW3
1SS119-25TD
PROTECT6
2SC2551R-TPE2
V.BLK-OUT
2SC2551R-TPE2
V.BLK-INT
27
:RN
33
:RN
22
:RN
C701C703
C704
C706
C707
C708
C713
C714
C715
C716
C717
C718
C720
J701
L701
Q701
Q702
Q703
R702
R704R705
R707R708R709
R716R718
R720
R731
R732
R733
R734
R735
R736
R737
R738
R739
R740
R741
R742
R744
R745
R746
R749
R750
R751
R752
R753
RV707
RV708
RV709
CN701
R715
R717
R719
R722
R723
R724
R725
CN702
CN704
CN703
CN705
L705
CN706
R721
SG701
SG702
SG703
SG704
Q715
Q716
Q717
C710 C711 C712
R747
R748
C705
C709
C722
C734
C735
C736
D707
D708
D709
D713
D715
D716
D717
C702
R727
R706
D701D702D703
Q709
Q706
Q708
Q705
Q707
Q704
Q710
D704
Q711
D705
Q712
D706
Q713
Q714
R710R711
R712
1
2
3
4
5
6
7
8
9
10
1
2
H
KG
SD-222
-154
G2
CV KR G1 G4
HV
KB
G2
H1
H2
KB
KG
KR
3
5
6
8
9
10
11
12
1
G4
CV
G1
1
1
2
3
1
1
9-159-15

Table of Contents

Related product manuals