EasyManua.ls Logo

Sony Trinitron PVM-20N6E - Using On-Screen Menus; On-Screen Menu Configuration

Sony Trinitron PVM-20N6E
76 pages
Print Icon
To Next Page IconTo Next Page
To Next Page IconTo Next Page
To Previous Page IconTo Previous Page
To Previous Page IconTo Previous Page
Loading...
8
Using On-Screen Menus
You can make various settings and adjustments of the
monitor using the on-screen menus.
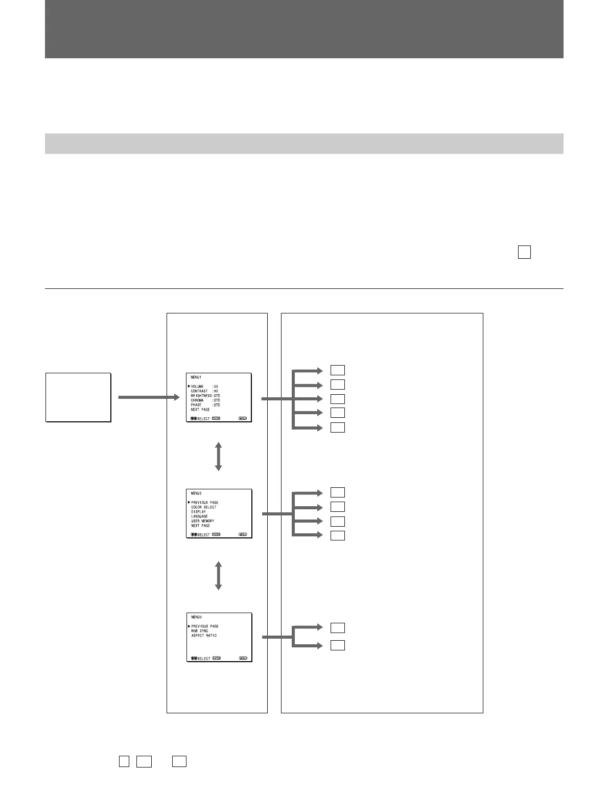
On-Screen Menu Configuration
Regular screen
1 MENU 1
On-screen menu tree-chart
2 MENU 2
3 MENU 3
a)
Item selection menus Adjustment and setting menus
a) These menus ( 3 , 3a and 3b ) are provided with PVM-14N6A/14N6E/14N6U /20N6A/20N6E/20N6U only.
Adjustment and setting menus
You can make desired adjustment or setting on
corresponding menu. The settings and adjustments
remain unchanged until next adjustment even if you
turn off the power.
To reset the settings and adjustments to the factory-
settings, select “ FACTORY PRESET” from 2d USER
MEMORY menu.
The on-screen menu is composed of the following two
menu types.
Item selection menu
You can select an adjustment and setting item such as
sound volume, contrast, brightness, color intensity,
color system and menu language by using the >,. and
ENTER buttons.
1a VOLUME menu
1b CONTRAST menu
1c BRIGHTNESS menu
1d CHROMA menu
1e PHASE menu
2a COLOR SELECT menu
2b DISPLAY menu
2c LANGUAGE menu
2d USER MEMORY menu
3a RGB SYNC menu
a)
3b ASPECT RATIO menu
a)
..........................................................................................................................................................................................................

Table of Contents

Other manuals for Sony Trinitron PVM-20N6E

Related product manuals