EasyManua.ls Logo

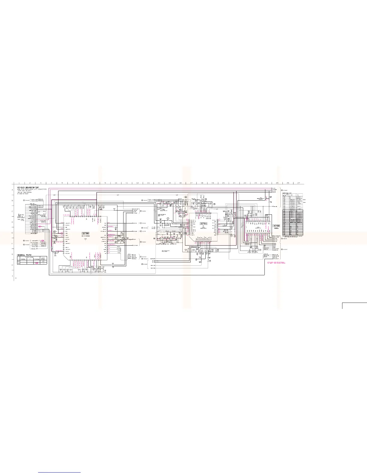
Sony TRV510 - VC-213 Board Schematics (9;13); 8 mm AFM Processor and A;D Converter Block; VC-213 8 mm AFM Signal Paths

Sony TRV510
27 pages
Print Icon
To Next Page IconTo Next Page
To Next Page IconTo Next Page
To Previous Page IconTo Previous Page
To Previous Page IconTo Previous Page
Loading...
DCR-TRV410/TRV410E/TRV510/TRV510E
For schematic diagram
Refer to page 4-65 for printed wiring board.
4-43 4-44 4-45
8MM AFM PROCESSOR
VC-213 (9/13)
4-46

Related product manuals