EasyManua.ls Logo

Sony VCT-FS7 - Page 2

Sony VCT-FS7
4 pages
Print Icon
To Next Page IconTo Next Page
To Next Page IconTo Next Page
To Previous Page IconTo Previous Page
To Previous Page IconTo Previous Page
Loading...
VCT-FS7
2
SECTION 1
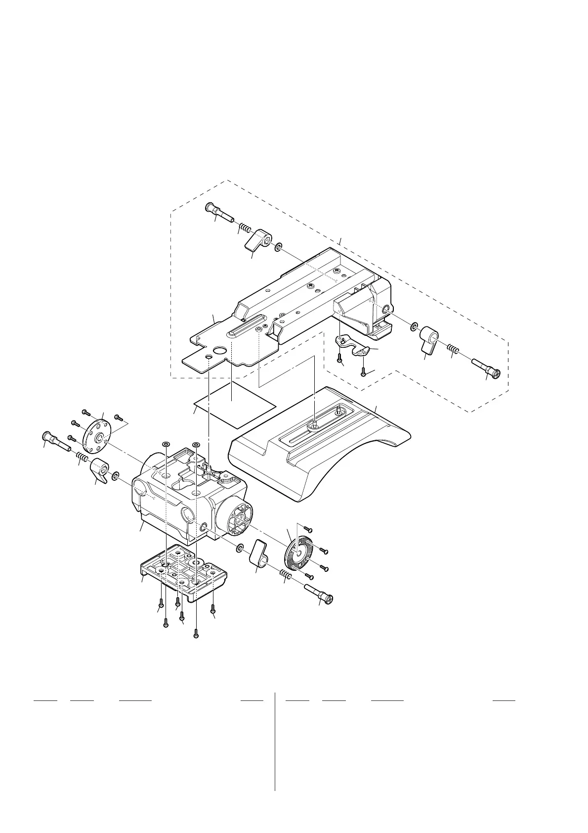
EXPLODED VIEW
1 3-729-072-01 SCREW, +K (4X8)
2 X-2591-123-1 V SHOE (7000) ASSY
3 4-564-770-01 FRONT BASE
4 4-458-121-01 LEVER, INSIDE
5 4-458-124-11 SPRING, ROD LOCK
6 4-562-252-01 SCREW, ROD LOCK
7 4-546-932-01 RING, ROSSETTE
8 A-2068-906-A BASE ASSY, REAR
9 3-626-781-03 STOPPER
10 3-364-941-11 SCREW (+B) (2.6X5), NYLOK
11 X-2590-808-1 SHOULDER PAD ASSY (SA)
(Adjustable shoulder pad)
#1 7-627-556-58 SCREW +P 2.6X5
* #2 7-688-004-02 W 4, SMALL
#3 7-682-548-09 SCREW +B 3X8
#4 7-623-923-01 WASHER 2.6, NYLON
Ref. No. Part No. Description Remark Ref. No. Part No. Description Remark
Note:
-XX and -X mean standardized parts, so
they may have some difference from the
original one.
Items marked “*” are not stocked since
they are seldom required for routine ser-
vice. Some delay should be anticipated
when ordering these items.
The mechanical parts with no reference
number in the exploded views are not sup-
plied.
Color Indication of Appearance Parts Ex-
ample:
KNOB, BALANCE (WHITE) . . . (RED)
Parts Color Cabinet’s Color
not supplied
#1
#1
#2
#3
#3
#2
#4
#4
#1
#1
#1
#1
#1
#1
6
5
7
4
6
5
4
9
10
10
11
4
3
5
6
7
2
1
1
1
1
8
4
5
6
#2
#2
not supplied

Related product manuals