EasyManua.ls Logo

Sony Walkman D-E777 - Page 17

Sony Walkman D-E777
26 pages
Print Icon
To Next Page IconTo Next Page
To Next Page IconTo Next Page
To Previous Page IconTo Previous Page
To Previous Page IconTo Previous Page
Loading...
17
D-E777/EJ721/EJ725
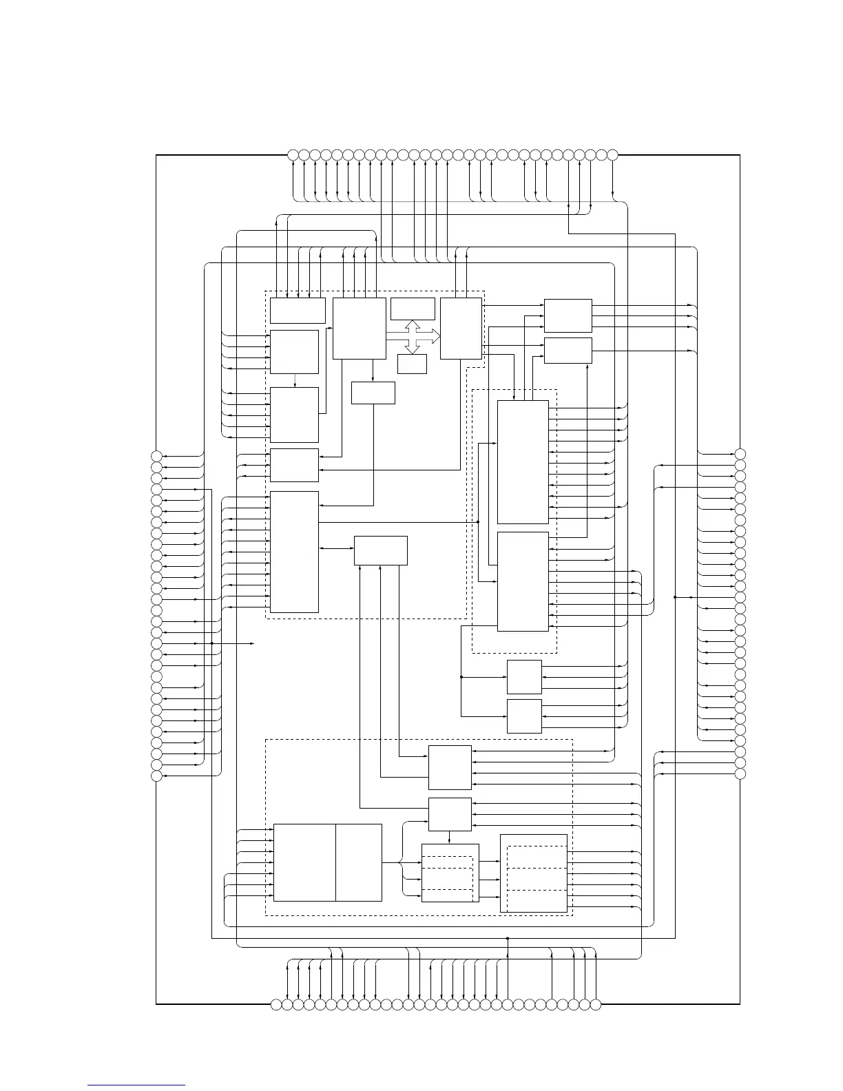
IC601 CXD3028R
ERROR
CORRECTOR
32K
RAM
EFM
DEMODULATOR
SUB CODE
PROCESSOR
SERVO
AUTO
SEQUENCER
D/A
INTERFACE
VIBRATION
MEMORY
CONTROLLER
+
COMPRESSION
EXPANDER
DAC
SELECTOR
DIGITAL
OUT
ASYMMETRY
CORRECTOR
DIGITAL
PLL
DIGITAL
CLV
CPU
INTERFACE
OP AMP
ANALOG SWITCH
SERVO BLOCK
SIGNAL
PROCESSOR
BLOCK
MEMORY CONTROLLER,
BUS BOOST BLOCK
A/D
CONVERTER
SERVO
INTERFACE
SERVO DSP
FOCUS SERVO
SLED SERVO
TRACKING
SERVO
CLOCK
GENERATOR
LPF
LPF
MIRR
DFCT
FOK
PWM GENERATOR
FOCUS PWM
GENERATOR
SLED PWM
GENERATOR
TRACKING PWM
GENERATOR
90
89
88
87
86
85
84
83
82
81
80
79
78
77
76
75
74
73
72
71
70
69
68
67
66
65
64
63
62
61
1
2
3
4
5
6
7
8
9
10
11
12
13
14
15
16
17
18
19
20
21
22
23
24
25
26
27
28
29
30
31 32 33 34 35 36 37 38 39 40 41 42 43 44 45 46 47 48 49 50 51 52 53 54 55 56 57 58 59 60
XOE
A0 – A11
SYSM
AMUTE
HPL
HPM
HPR
PCMDI
LRCKI
BCKI
AOUT1
AIN1
LOUT1
LOUT2
AIN2
AOUT2
A9
A8
A7
DVSS
RFAC
XTAO
XTAI
XTSL
VCTL
VPCO
WFCK
GFS
XUGF
MDS
C2PO
WDCK
BIAS
ASYI
ASYO
FILO
FILI
PCO
PWMI
LOCK
MDP
SDTI
SCSY
SCOR
SBSO
EXCK
SDTO
XLAT
CLOK
SENS
XSOE
R4M
IGEN
VDD0
COUT
MIRR
DFCT
FOK
PWMI
LOCK
HPR
HPM
HPL
VDD1
C176
MDP
MDS
SSTP
SFDR
SRDR
TFDR
TRDR
FFDR
FRDR
FRDR
FFDR
TRDR
TFDR
SRDR
SFDR
SCLK
ATSK
SSTP
COUT
FOK
DFCT
MIRR
VSS1
TEST
TES1
AVDD0
IGEN
AVSS0
RFDC
E
F
120 119 118 117 116 115 114 113 112 111 110 109 108 107 106 105 104 103 102 101 100 99 98 97 96 95 94 93 92 91
XOE
XCAS
D2
D3
D0
D1
XWE
XRAS
A11
A10
DVDD
A0
A1
A2
A3
AVDD2
LOUT2
AIN2
AOUT2
AVSS2
AVSS1
AOUT1
AIN1
LOUT1
AVDD1
XVSS
XTAO
XTAI
XVDD
BCKI
XOE
XCAS
D2
D3
D0
D1
XWE
XRAS
A11
A10
A0
A1
A2
A3
LOUT2
AIN2
AOUT2
AOUT1
AIN1
LOUT1
XVSS
XTAO
XTAI
BCKI
COUT
MIRR
DFCT
FOK
PWMI
LOCK
HPR
HPM
HPL
MDP
MDS
SSTP
SFDR
SRDR
TFDR
TRDR
FFDR
FRDR
VSS1
IGEN
RFDC
E
F
RFDC
E
F
B
A
VC
CLTV
XPCK
A6
A5
A4
XWRE
XRDE
XEMP
XWIH
XQOK
AMUTE
SDTI
XQCK
SCSY
SCOR
VSS0
SBSO
EXCK
XRST
SYSM
SDTO
XLAT
CLOK
SENS
SCLK
XSOE
ATSK
R4M
A9
A8
A7
DVSS
A6
A5
A4
XWRE
XRDE
XEMP
XWIH
XQOK
AMUTE
SDTI
SCSY
SCOR
VSS0
D GND
SBSO
EXCK
SYSM
SDTO
XLAT
CLOK
SENS
SCLK
XSOE
ATSK
R4M
BCK
PCMDI
PCMD
LRCKI
LRCK
DOUT
VDD2
WFCK
C2PO
GFS
XPCK
XUGF
WDCK
VSS2
XTSL
AVDD3
ASYO
ASYI
BIAS
RFAC
AVSS3
CLTV
PCO
FILI
FILO
VCTL
VPCO
VC
A
B
BCK
PCMDI
PCMD
LRCKI
LRCK
DOUT
WFCK
C2PO
GFS
XPCK
XUGF
WDCK
VSS2
XTSL
ASYO
ASYI
BIAS
RFAC
CLTV
PCO
FILI
FILO
VCTL
VPCO
VC
A
B
XCAS
D0 – D4
XWE
BCK
PCMD
LRCK
DOUT
XWRE
XRAS
XRDE
XQOK
XWIH
XEMP

Related product manuals