EasyManua.ls Logo

Sony WM-A52 - Page 5

Sony WM-A52
9 pages
Print Icon
To Next Page IconTo Next Page
To Next Page IconTo Next Page
To Previous Page IconTo Previous Page
To Previous Page IconTo Previous Page
Loading...
WM-A52/B52
_
WM-A52/B52
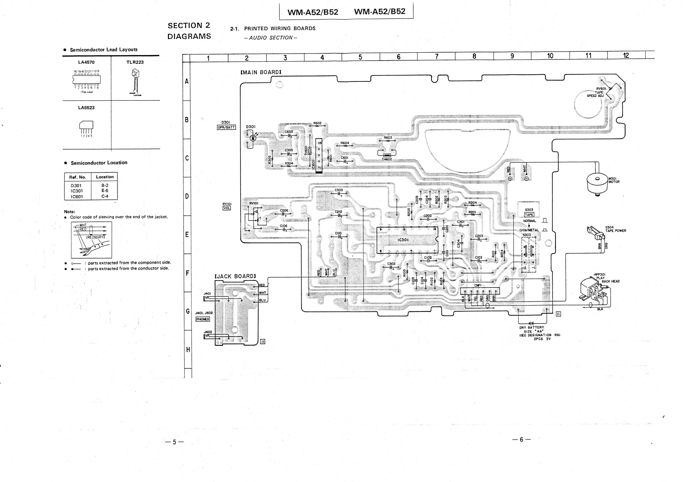
SECTION
2
2-1.
PRINTED
WIRING
BOARDS
|
DIAGRAMS
~AUDIO
SECTION—
ee
E
ee
®
Semiconductor
Lead
Layouts
oe
3
LA4570
TLR223
16
1514131211109
12345678
(Top
view)
LA5523
|
)
D301
®
Semiconductor
Location
Location
B2.
«|
E-6
|
C-4
wg
;
RVIOI
Note:
.
e
Color
code
of
sleeving
over
the
end
of
the
jacket.
y
|
i
CrO2/METAL
$303.
|
parts
extracted
from
the
conductor
side.
[JACK
BOARD]
\}-——
DRY
BATTERY
SIZE
"AA"
(IEC
DESIGNATION
-2PCS
3V
|
o——
:
parts
extracted
from
the
component
side.
RG)
SPEED
ADJ
~
$304
_
TAPE
POWER
HPP301
PLAY
BACK
HEAD

Related product manuals