EasyManua.ls Logo

Sony XM-2002GTW - Page 2

Sony XM-2002GTW
2 pages
Print Icon
To Previous Page IconTo Previous Page
To Previous Page IconTo Previous Page
Loading...
BTLBTLBTLBTL
BTLBTL
OFF
LPF
OFF
LPF
OFF
LPF
OFF
LPF
LP OFF
FILTER(80Hz)
HP
OFF
LPF
BTLBTL
BTLBTLBTLBTL
* High Level Input Connector
* Conector de entrada de nivel alto
Connections
Caution
Before making any connections, disconnect
the ground terminal of the car battery to avoid
short circuits.
Be sure to use speakers with an adequate
power rating. If you use small capacity
speakers, they may be damaged.
Do not connect the # terminal of the speaker
system to the car chassis, and do not connect
the # terminal of the right speaker with that
of the left speaker.
This is a phase-inverted Amplifier.
Install the input and output cords away from
the power supply wire as running them close
together can generate some interference noise.
This unit is a high powered amplifier.
Therefore, it may not perform to its full
potential if used with the speaker cords
supplied with the car.
If your car is equipped with a computer
system for navigation or some other purpose,
do not remove the ground wire from the car
battery. If you disconnect the wire, the
computer memory may be erased. To avoid
short circuits when making connections,
disconnect the +12 V power supply wire until
all the other wires have been connected.
2-Speaker System
Sistema de 2 altavoces
Car audio unit
Sistema de audio
para automóvil
LINE OUT
Left speaker
(min. 2 )
Altavoz izquierdo
(mín. 2 )
Right speaker
(min. 2 )
Altavoz derecho
(mín. 2 )
As a Monaural Amplifier
Como amplificador monoaural
Car audio unit
Sistema de audio
para automóvil
LINE OUT
Right channel
Canal derecho
Left channel
Canal izquierdo
Right speaker (min. 4 )
Altavoz derecho (mín. 4 )
Left speaker (min. 4 )
Altavoz izquierdo (mín. 4 )
As the Monaural Amplifier for a Subwoofer
Como amplificador monoaural para un altavoz
potenciador de graves
Car audio unit
Sistema de audio
para automóvil
LINE OUT
For details on the settings of switches and
controls, refer to “Location and Function of
Controls.”
Note
Make sure that the line output from the car
audio unit is connected to the jack marked “L
(BTL)” on the unit.
For details on the settings of switches and
controls, refer to “Location and Function of
Controls.”
Note
If you wish to use a subwoofer as a monaural
speaker, connect the speaker as illustrated
above. The output signals to the subwoofer will
be the combination of the both right and left
output signals.
Power Connection Wires
Cables de conexión de alimentación
Car audio unit
Sistema de audio para
automóvil
Fuse (80 A)
Fusible (80 A)
+12 V car battery
Batería de automóvil de +12 V
Remote output *
1
Salida remota*
1
(REM OUT)
to a metal point of the car
a un punto metálico del
automóvil
Four output channels
Cuatro canales de salida
Full range speakers (min. 2 )
Altavoces de gama completa (mín. 2 )
Subwoofers (min. 2 )
Altavoces potenciadores de graves (mín. 2 )
For details on the settings of switches and
controls, refer to “Location and Function of
Controls.”
Note
In this system, the volume of the subwoofers
will be controlled by the car audio fader control.
Car audio unit
Sistema de audio
para automóvil
LINE OUT
Dual Mode System (With a Bridged Subwoofer)
Sistema de modo dual (con un altavoz potenciador de
graves en puente)
Notes
When using passive crossover networks in a multi-
speaker system, care must be taken as the speaker
system’s impedance should not be lower than that
of the suitable impedance for this unit.
When you are installing a 12 decibels/octave system
in your car, the following points must be
considered. In a 12 decibels/octave system where
both a choke and capacitor are used in series to
form a circuit, a great care must be taken when
they are connected. In such a circuit, there is going
to be an increase in the current which by-passes the
speaker with frequencies at around the crossover
frequency. If audio signals are continued to be fed
into the crossover frequency area, it may cause the
amplifier to become abnormally hot or the fuse will
be blown. Also if the speaker is disconnected, a
series-resonant circuit will be formed by the choke
and the capacitor. In this case, the impedance in the
resonance area will decrease dramatically resulting
in a short circuit like situation causing a damage to
the amplifier. Therefore, make sure that a speaker
is connected to such a circuit at all times.
*
1
If you have the factory original or some other car audio unit without a remote output on the amplifier,
connect the remote input terminal (REMOTE) to the accessory power supply.
In High Level Input Connection, car audio unit can also be activated without need for REMOTE
connection. However, this function is not guaranteed for all car units.
*
1
Si dispone del sistema de audio para automóvil original de fábrica o de otro sistema sin una salida
remota en el amplificador, conecte el terminal de entrada remota (REMOTE) al suministro de
alimentación auxiliar.
En la conexión de entrada de alto nivel, la unidad de audio del vehículo también puede activarse sin
necesidad de conexión REMOTA. No obstante, esta función no se garantiza en todas las unidades de
automóvil.
Notes on the power supply
Connect the +12 V power supply wire only after
all the other wires have been connected.
Be sure to connect the ground wire of the unit
securely to a metal point of the car. A loose
connection may cause a malfunction of the
amplifier.
Be sure to connect the remote control wire of the
car audio unit to the remote terminal.
When using a car audio unit without a remote
output on the amplifier, connect the remote
input terminal (REMOTE) to the accessory power
supply.
Use the power supply wire with a fuse attached
(80 A).
All power wires connected to the positive battery
post should be fused within 450 mm (18 in) of the
battery post, and before they pass through any
metal.
Make sure that the vehicle’s battery wires
connected to the vehicle (ground to chassis)*
2
are
of a wire gauge at least equal to that of the main
power wire connected from the battery to the
amplifier.
Make sure that the wires to be connected to the
+12 V and GND terminals of this unit are at least
4-Gauge (AWG-4) or have a sectional area of
more than 22.0 mm
2
(
7
/8 in
2
).
For details on the settings of switches and
controls, refer to “Location and Function of
Controls.”
Para obtener más información sobre los ajustes
de los interruptores y controles, consulte
“Ubicación y función de los controles”.
C1/C2
(capacitor)
*
unit: µF
800
500
400
300
270
200
150
100
68
50
39
Table of crossover values for
6 dB/octave (4 )
* (not supplied)
Crossover
Frequency
unit: Hz
50
80
100
130
150
200
260
400
600
800
1000
L
(coil)
*
unit: mH
12.7
8.2
6.2
4.7
4.2
3.3
2.4
1.6
1.0
0.8
0.6
2-way System
Sistema de 2 vías
Two output channels
Dos canales de salida
Subwoofers (min. 2 )
Altavoces potenciadores de graves (mín. 2 )
Use the THROUGH OUT terminal when
you install more amplifiers. The signals are
output as they were input. (LOW BOOST,
LPF do not work.)
Notes
•A maximum 3 amplifiers can be connected to
the THROUGH OUT terminal. If you connect
more than three amplifiers, it may cause
problems such as sound dropout.
High level input connection cannot use
THROUGH OUT.
Car audio unit
Sistema de audio
para automóvil
LINE OUT
THROUGH OUT
INPUT
INPUT
Car audio unit
Sistema de audio
para automóvil
Left speaker
Altavoz izquierdo
Right speaker
Altavoz derecho
Subwoofer
Altavoz potenciador de graves
LINE OUT
C2C1
L
High Level Input Connection (As a Monaural Amplifier)
Conexión de entrada de nivel alto
(como amplificador monoaural)
Para obtener más información sobre los
ajustes de los interruptores y controles,
consulte “Ubicación y función de los
controles”.
For details on the settings of switches
and controls, refer to “Location and
Function of Controls.”
High Level Input Connection (As a Monaural Amplifier for a Subwoofer)
Conexión de entrada de nivel alto
(como amplificador monoaural para un altavoz potenciador de graves)
For details on the settings of switches and
controls, refer to “Location and Function of
Controls.”
Note
If you wish to use a subwoofer as a monaural
speaker, connect the speaker as illustrated
above. The output signals to the subwoofer will
be the combination of both the right and left
output signals.
Left speaker
Altavoz izquierdo
Right speaker
Altavoz derecho
Subwoofer (min. 4 )
Altavoz potenciador de
graves (mín. 4 )
Car audio unit
Sistema de audio
para automóvil
Right speaker output
Salida del altavoz derecho
Left speaker output
Salida del altavoz izquierdo
Left speaker (min. 4 )
Altavoz izquierdo (mín. 4 )
Right speaker (min. 4 )
Altavoz derecho (mín. 4 )
Black-striped cord
Cable con rayas negras
Black-striped cord
Cable con rayas negras
Black-striped cord
Cable con rayas negras
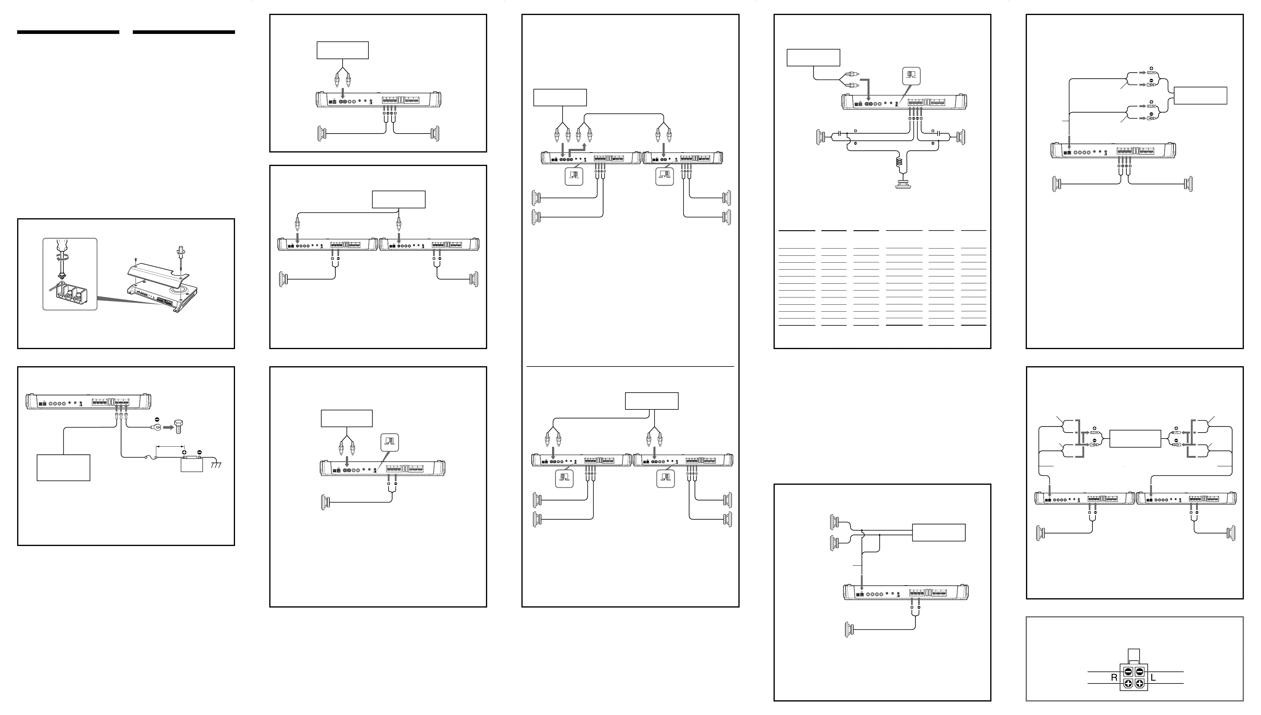
High Level Input Connection (2-Speaker System)
Conexión de entrada de nivel alto (sistema de 2 altavoces)
Left speaker (min. 2 )
Altavoz izquierdo (mín. 2 )
Right speaker (min. 2 )
Altavoz derecho (mín. 2 )
Gray
Gris
White
Blanco
Black-striped cord
Cable con rayas negras
Car audio unit
Sistema de audio
para automóvil
Para obtener más información sobre los
ajustes de los interruptores y controles,
consulte “Ubicación y función de los
controles”.
For details on the settings of switches and
controls, refer to “Location and Function
of Controls.”
Right speaker output
Salida del altavoz derecho
Left speaker output
Salida del altavoz izquierdo
Black-striped cord
Cable con rayas negras
Subwoofer (min. 4 )
Altavoz potenciador de graves (mín. 4 )
Black-striped cord
Cable con rayas negras
Make the terminal connections as illustrated below.
Realice las conexiones de terminal como se ilustra a continuación.
REM
+
12V
GND
Note
When you tighten the screw, be careful not to
apply too much torque* as doing so may damage
the screw.
* The torque value should be less than 1 N•m.
Gray
Gris
Gray striped
Con rayas grises
White
Blanco
White striped
Con rayas blancas
2
*
2
*
2
*
*
less than 450 mm (18 in)
menos de 450 mm
2
*
2
XM-2002GTW XM-1252GTR
Full range speakers (min. 2 )
Altavoces de gama completa (mín. 2 )
Conexiones
Precaución
Antes de realizar las conexiones, desconecte el
terminal de toma a tierra de la batería del
automóvil para evitar cortocircuitos.
Asegúrese de utilizar altavoces con una
potencia nominal adecuada. Si emplea
altavoces de capacidad reducida, pueden
dañarse.
No conecte el terminal # del sistema de
altavoces al chasis del automóvil, ni el
terminal # del altavoz derecho al del altavoz
izquierdo.
Este amplificador es de fase invertida.
Instale los cables de entrada y salida alejados
del cable de suministro de alimentación, ya
que en caso contrario puede generarse ruido
por interferencias.
Esta unidad es un amplificador de alta
potencia. Por tanto, puede no funcionar a
pleno rendimiento si se utiliza con los cables
de altavoz suministrados con el automóvil.
Si el automóvil está equipado con un sistema
de ordenador para la navegación o para otra
finalidad, no desconecte el cable de toma a
tierra de la batería del automóvil. Si lo
desconecta, la memoria del ordenador puede
borrarse. Para evitar cortocircuitos al realizar
las conexiones, desconecte el cable de
suministro de alimentación de +12 V hasta
conectar todos los cables.
Nota
Al apretar el tornillo, tenga cuidado de no
aplicar demasiada fuerza de torsión*, ya que
puede dañarlo.
*
El valor de fuerza de torsión debe ser inferior a
1 N•m.
Notas sobre la fuente de alimentación
Conecte el cable de suministro de +12 V sólo
después de haber conectado los otros cables.
Asegúrese de conectar firmemente el cable de
toma a tierra de la unidad a un punto metálico
del automóvil. Una conexión incorrecta puede
causar fallos de funcionamiento del amplificador.
Compruebe que conecta el cable de control
remoto del sistema de audio para automóvil al
terminal remoto.
Si utiliza un sistema de audio para automóvil sin
salida remota en el amplificador, conecte el
terminal de entrada remota (REMOTE) al
suministro de alimentación auxiliar.
Emplee el cable de suministro de alimentación
con un fusible fijado (80 A).
Todos los cables de alimentación conectados al
polo positivo de la batería deben conectarse a un
fusible situado a menos de 450 mm del polo de la
batería, y antes de pasar por ninguna pieza
metálica.
Asegúrese de que los cables de la batería del
vehículo conectados al mismo (a la masa del
chasis)*
2
tienen una anchura igual o superior a la
del cable de alimentación principal que conecta la
batería con el amplificador.
Compruebe que los cables que se van a conectar a
los terminales de +12 V y GND de esta unidad
tengan una capacidad de al menos 4-Gauge
(AWG-4) o una zona de sección de más de 22,0
mm
2
.
Para obtener más información sobre los ajustes
de los interruptores y controles, consulte
“Ubicación y función de los controles”.
Nota
Compruebe que la salida de línea del sistema de
audio para automóvil está conectada a la toma
con la marca “L (BTL)” de la unidad.
Para obtener más información sobre los ajustes
de los interruptores y controles, consulte
“Ubicación y función de los controles”.
Nota
Si desea utilizar un altavoz potenciador de
graves como altavoz monoaural, conecte el
altavoz tal como se muestra en la ilustración. Las
señales que se emitan hacia el altavoz
potenciador de graves serán una combinación
de las señales de salida derecha e izquierda.
Si instala varios amplificadores, utilice el
terminal THROUGH OUT. Las señales se
emitirán del mismo modo en que se
recibieron. (LOW BOOST y LPF no
funcionan.)
Notas
Se puede conectar un máximo de tres
amplificadores al terminal THROUGH OUT. Si
conecta más de tres, pueden producirse
problemas, como interrupciones del sonido.
Una conexión de entrada de nivel alto no
puede utilizar THROUGH OUT.
Para obtener más información sobre los ajustes
de los interruptores y controles, consulte
“Ubicación y función de los controles”.
Nota
En este sistema, el volumen de los altavoces
potenciadores de graves se controla mediante el
control de equilibrio entre altavoces del sistema
de audio para automóvil.
C1/C2
(condensador)
*
unidad: µF
800
500
400
300
270
200
150
100
68
50
39
Tabla de valores de cruce para
6 dB/octava (4 )
* (no se suministra)
Frecuencia de
cruce
unidad: Hz
50
80
100
130
150
200
260
400
600
800
1000
L
(bobina)
*
unidad: mH
12,7
8,2
6,2
4,7
4,2
3,3
2,4
1,6
1,0
0,8
0,6
Notas
Si utiliza redes de cruce pasivas en un sistema de
varios altavoces, debe tener cuidado, ya que la
impedancia del sistema de altavoces no debe ser
inferior a la impedancia adecuada para esta unidad.
Si instala un sistema de 12 decibelios/octava en el
automóvil, debe tener en cuenta los siguientes
puntos. En este sistema, en el que se utilizan una
bobina protectora y un condensador en serie para
formar un circuito, la conexión de ambos elementos
se debe realizar con mucha precaución. En este tipo
de circuito, se produce un aumento de la corriente
que rodea el altavoz en las frecuencias que se
sitúan alrededor de la frecuencia de cruce. Si la
zona de frecuencia de cruce sigue recibiendo
señales de audio, el amplificador puede calentarse
de forma exagerada o el fusible puede fundirse.
Además, si el altavoz se desconecta, la bobina y el
condensador formarán un circuito de resonancia.
En este caso, la impedancia en la zona de
resonancia disminuirá considerablemente, lo que
provocará un efecto parecido a un cortocircuito que
dañará el amplificador. Por lo tanto, asegúrese de
que un altavoz siempre esté conectado al tipo de
circuito descrito.
Para obtener más información sobre los ajustes
de los interruptores y controles, consulte
“Ubicación y función de los controles”.
Nota
Si desea utilizar un altavoz potenciador de
graves como altavoz monoaural, conecte el
altavoz tal como se muestra en la ilustración. Las
señales que se emiten hacia el altavoz
potenciador de graves serán una combinación
de las señales de salida derecha e izquierda.
Car audio unit
Sistema de audio
para automóvil

Related product manuals