EasyManua.ls Logo

Space-Ray CB20-N5 - Two Stage (N7;L7) - Internal and Thermostat Connections

Space-Ray CB20-N5
52 pages
Print Icon
To Next Page IconTo Next Page
To Next Page IconTo Next Page
To Previous Page IconTo Previous Page
To Previous Page IconTo Previous Page
Loading...
Form 43471000
May 2021 -21-
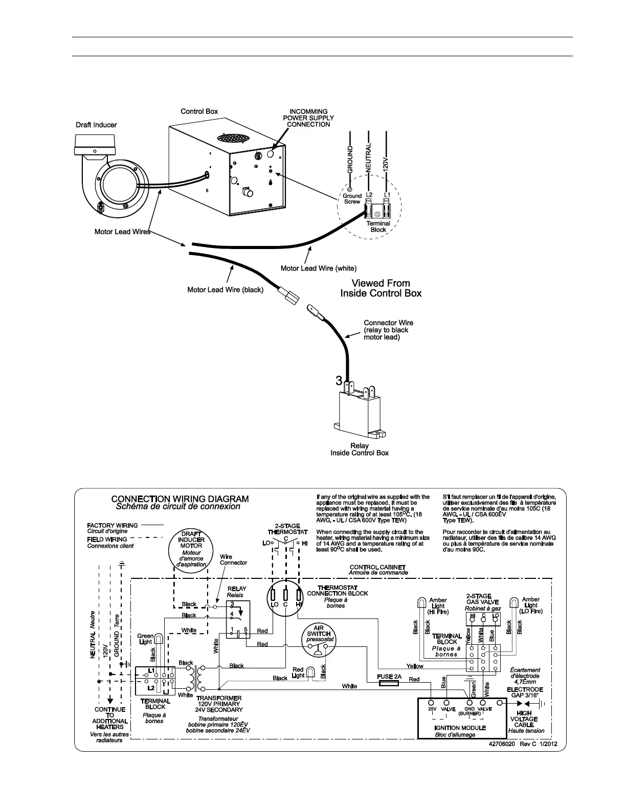
13.2) TWO STAGE (N7/L7) INTERNAL AND THERMOSTAT CONNECTIONS
TWO STAGE CONTROLS - INTERNAL CONNECTION WIRING DIAGRAM

Other manuals for Space-Ray CB20-N5

Related product manuals