EasyManua.ls Logo

Space SFL 5518 T - Page 84

Space SFL 5518 T
96 pages
Print Icon
To Next Page IconTo Next Page
To Next Page IconTo Next Page
To Previous Page IconTo Previous Page
To Previous Page IconTo Previous Page
Loading...
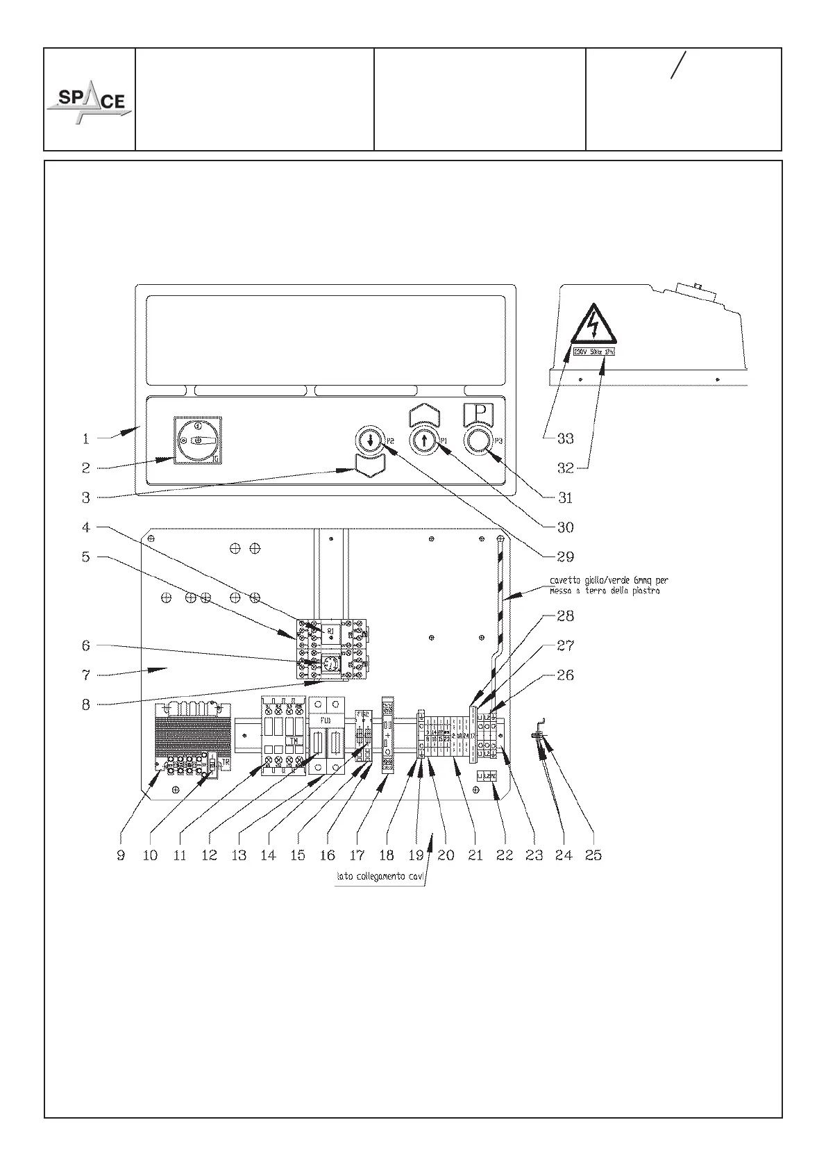
Denominazione tavola - Table definition
Valida per i modelli - Apply to models
N°tavola
Table no
Indice di modifica
Change index
0579-M020-2-P1
31/05/14
84
SFL 5518 T - SFL 5518 TI
PANNELLO DI COMANDO
(MONOFASE 50/60 Hz) con pulsante di
stazionamento
CONTROL PANEL (50/60Hz SINGLE
PHASE MOTOR) with park button
13B/0
SFL 5518 T - SFL 5518 TI

Table of Contents