EasyManua.ls Logo

SpacePak SIM-060 - SIM-060 A4 Wiring Diagram and Component Definitions

Default Icon
48 pages
Print Icon
To Next Page IconTo Next Page
To Next Page IconTo Next Page
To Previous Page IconTo Previous Page
To Previous Page IconTo Previous Page
Loading...
– 31 –
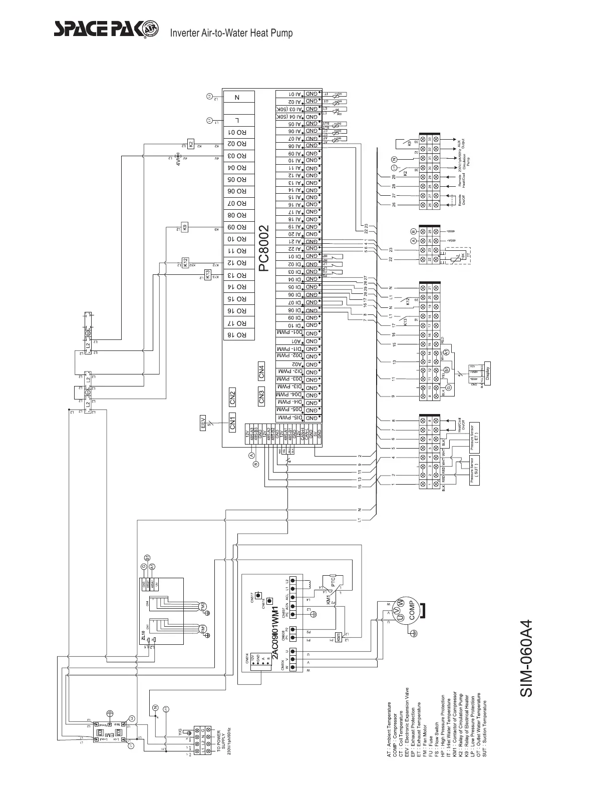
Inverter Air-to-Water Heat Pump
Wiring Diagrams and Definitions (continued)
CAUTION: The Remote On/
Off and Remote Heat/Cool
inputs are for voltage-free
relay contacts only. Any
voltage introduced to the
controls at these points will
immediately destroy the
primary unit control.

Related product manuals