EasyManua.ls Logo

Spasciani RN - 10.3. Materials

Spasciani RN
21 pages
Print Icon
To Next Page IconTo Next Page
To Next Page IconTo Next Page
To Previous Page IconTo Previous Page
To Previous Page IconTo Previous Page
Loading...
Pag. 75 / 80
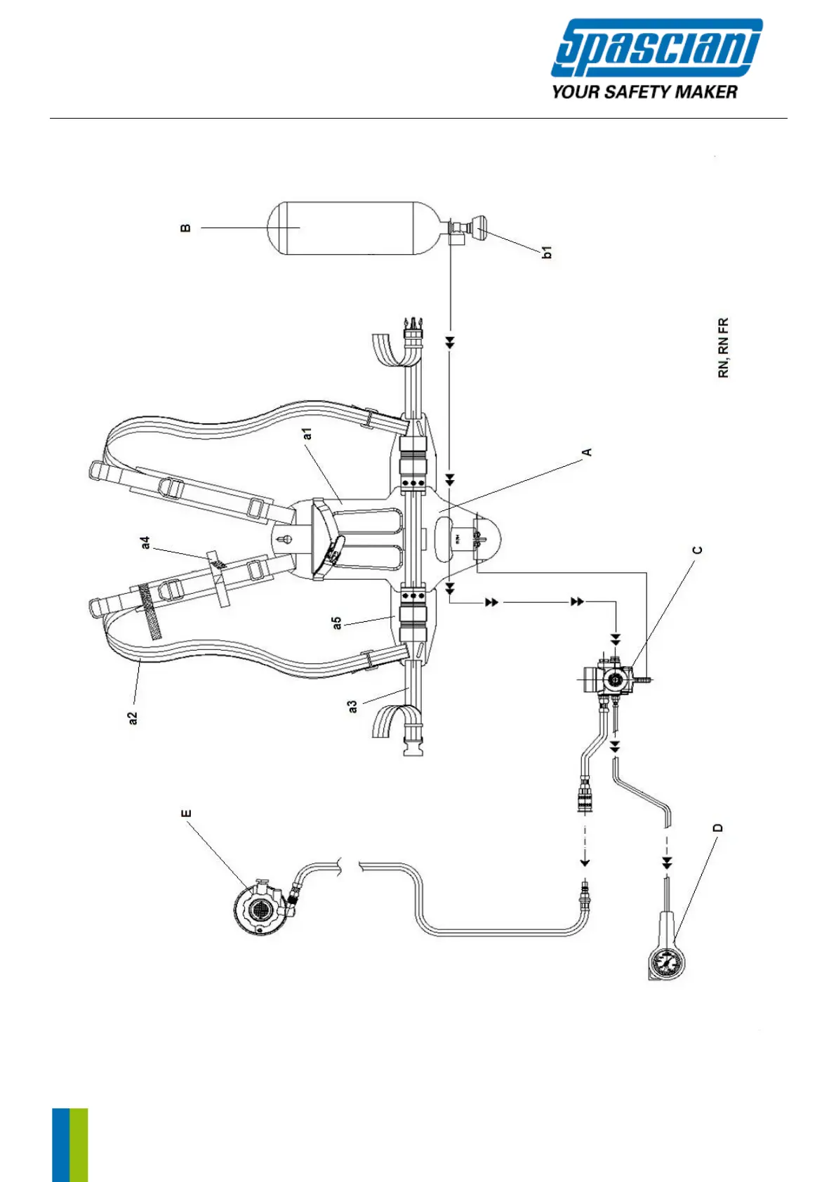
Fig.2 - RN - RN FR

Table of Contents