EasyManua.ls Logo

Spectrum Controls 1756-CTR8 - Page 49

Spectrum Controls 1756-CTR8
70 pages
Print Icon
To Next Page IconTo Next Page
To Next Page IconTo Next Page
To Previous Page IconTo Previous Page
To Previous Page IconTo Previous Page
Loading...
Chapter 6: Programming Examples 6-5
Owner’s Guide 0300199-01 Rev. D
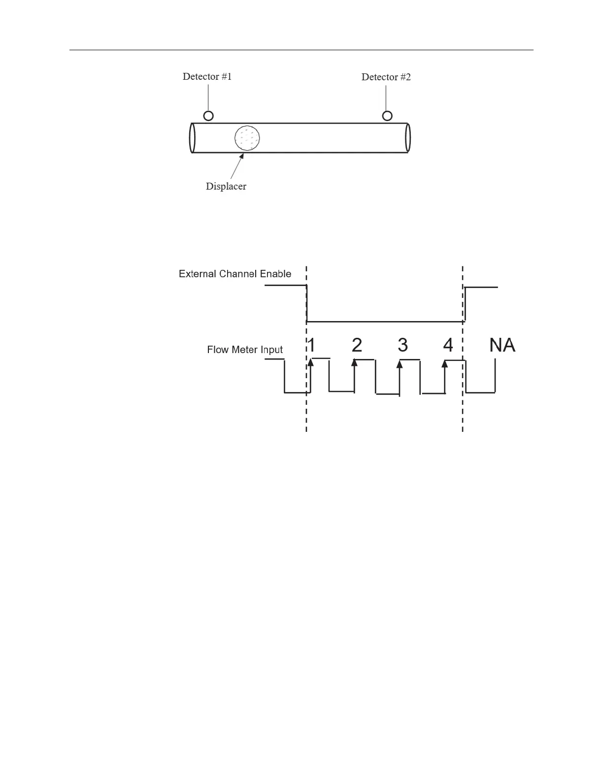
Using the external gate enable to start and stop count functions enables the user
to count pulses as fast as 65 kHz to an accuracy of 1 count.
Here is an example wave form representing the start and stop transitions on the
external gate enable, and the associated pulses that the module would
accumulate: [Storage mode 3, store, reset, wait, start]
Given the above wave form, the module will begin counting the first rising edge
input pulse after the external enable input goes low. The module will accumulate
4 counts in the channel count register and stop when the external enable input
goes high.