EasyManua.ls Logo

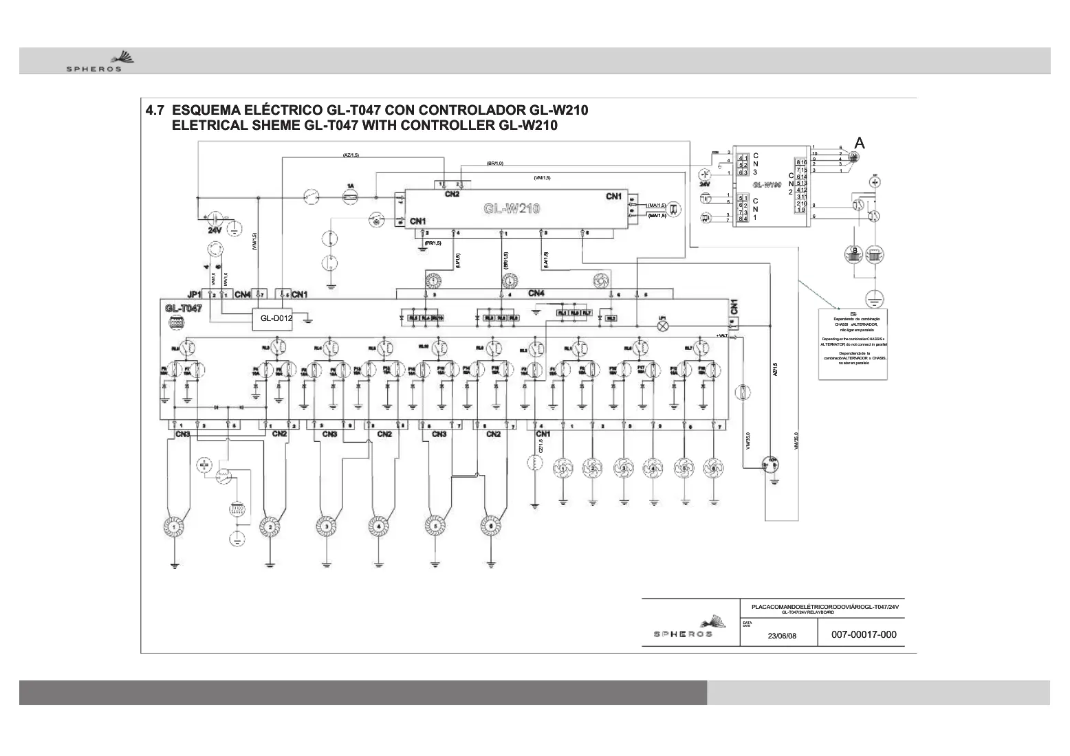
Spheros CC 305 - Electrical Scheme GL-T047 with GL-W210

Spheros CC 305
Print Icon
To Next Page IconTo Next Page
To Next Page IconTo Next Page
To Previous Page IconTo Previous Page
To Previous Page IconTo Previous Page
Loading...
BB
MM
CC
NN
22
CC
NN
33
CC
NN
11
**
66
88
77
33
55
11
11
44
33
11
33
44
22
66
33
22
99
1010
11
33
22
11
66
55
44
44
33
22
11
88
77
66
55
99
1010
1111
1212
1313
1414
1515
1616
11
22
33
44
55
66
77
88
GL-D012GL-D012
VV
MM
//
33
55
,,
00
AA
ZZ
//
11
,,
55
VV
MM
//
11
,,
00
AA
ZZ
//
11
,,
55
MM
AA
//
11
,,
00
CC
ZZ
//
11
,,
55
VV
MM
//
33
55
,,
00
((
VV
MM
//
11
,,
55
))
(AZ/1,5)(AZ/1,5)
+ VALT+ VALT
(MA/1,5)(MA/1,5)
(VM/1,5)(VM/1,5)
((
LL
II
//
11
,,
55
))
((
BB
RR
//
11
,,
55
))
(PR/1,5)(PR/1,5)
((
LL
AA
//
11
,,
55
))
+ VALT+ VALT
(MA/1,5)(MA/1,5)
(MA/1,5)(MA/1,5)
(BR/1,0)(BR/1,0)
((
LL
II
//
11
,,
55
))
((
BB
RR
//
11
,,
55
))
(PR/1,5)(PR/1,5)
((
LL
AA
//
11
,,
55
))
PS:PS:
Dependendo da combinaçãoDependendo da combinação
CHASSI xALTERNADOR,CHASSI xALTERNADOR,
não ligar em paralelonão ligar em paralelo
Depending on the combinationCHASSIS xDepending on the combinationCHASSIS x
ALTERALTER
NATORNATOR
, do not connect in p, do not connect in p
arallelarallel
DependiendDependiend
o de o de
lala
combinaciónALTERNADOR x CHASIS,combinaciónALTERNADOR x CHASIS,
no atar en paralelono atar en paralelo
AA
23/06/0823/06/08
007-00017-000 007-00017-000
DATADATA
DATEDATE
PLACACOMANDOELÉTRICORODOVIÁRIOGL-T047/24VPLACACOMANDOELÉTRICORODOVIÁRIOGL-T047/24V
GL-T047/24V GL-T047/24V
RELAYBOARELAYBOA
RDRD
4.7 4.7
ESQUEMAESQUEMA
ELÉCTRICO ELÉCTRICO
GL-T047 GL-T047
CON CON
CONTROLADOR CONTROLADOR
GL-W210GL-W210
ELETRICAL SHEME GL-T047 WITH CONTROLLER GL-W210ELETRICAL SHEME GL-T047 WITH CONTROLLER GL-W210
3939
Sistema eléctrico/Eletrical systemSistema eléctrico/Eletrical system

Related product manuals