EasyManua.ls Logo

STA-RITE 1/2 HP - Installation

STA-RITE 1/2 HP
12 pages
Print Icon
To Next Page IconTo Next Page
To Next Page IconTo Next Page
To Previous Page IconTo Previous Page
To Previous Page IconTo Previous Page
Loading...
NOTICE: This pump is designed to power automatic swimming pool
cleaners or other systems requiring high pressure at relatively low flow
rates. Operating the pump with open discharge or without flow restric-
tion could overload the pump motor. Operate the pump only while con-
nected to the system in which it is designed to operate. When installed
for automatic time clock operation on a swimming pool cleaner system,
be sure that clock is set so that the cleaner booster pump comes on only
when the main circulation system for the pool is operating. Failure to
coordinate the “on” cycles could provide insufficient flow to the cleaner
booster pump, resulting in failure of the booster pump.
INSTALLATION
Only qualified, licensed personnel should install pump and wiring.
Pump mount must:
Be solid - Level - Rigid - Vibration free. (To reduce vibration and pipe
stress, bolt pump to mount.)
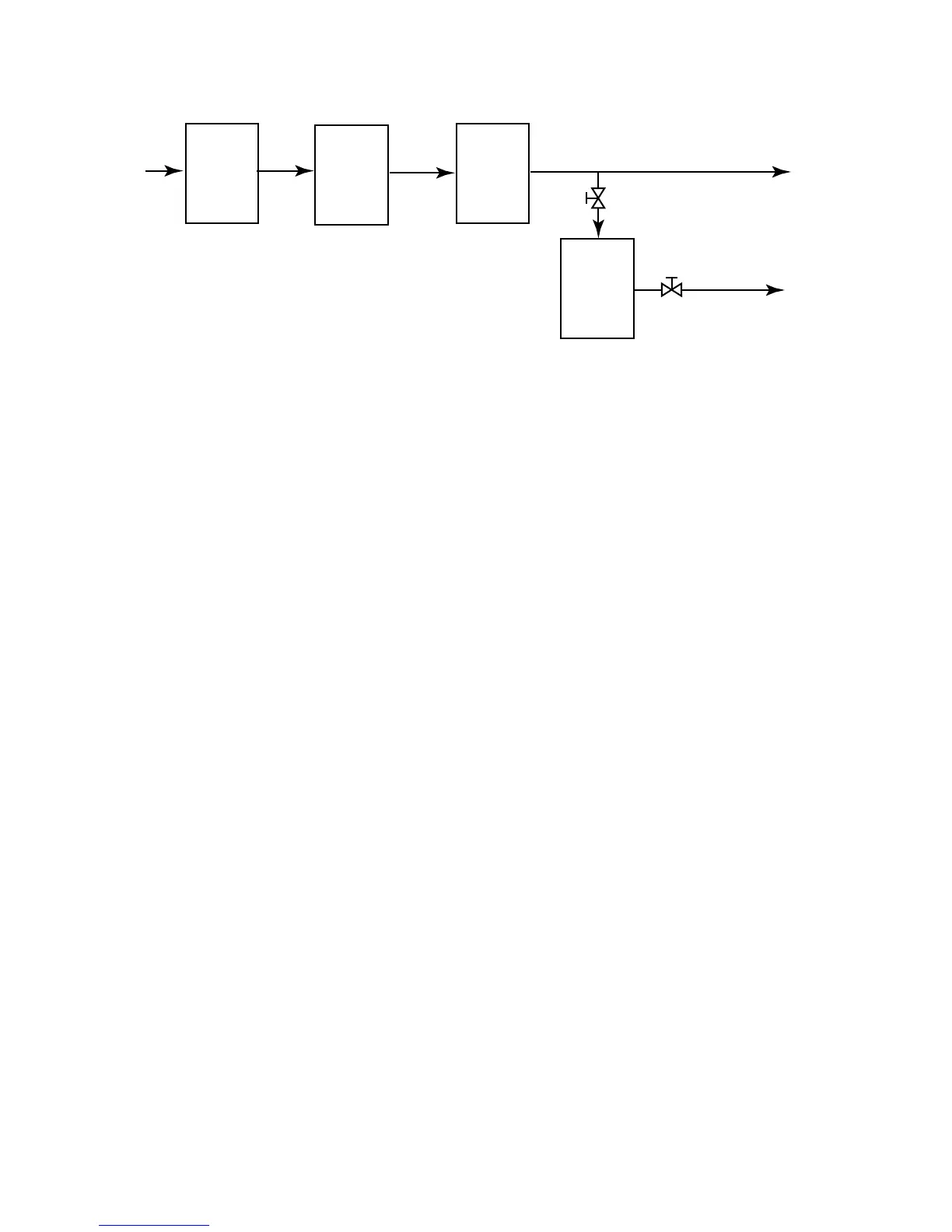
Allow pump suction inlet to be as close to pool return line as possible.
Allow use of short, direct suction pipe from tee on return line (See Fig. 1).
Allow for gate valves in suction and discharge piping.
Have adequate floor drainage to prevent flooding.
Be protected from excess moisture.
Allow adequate access for servicing pump and piping.
NOTICE: Use Teflon tape or Plasto-Joint Stik
1
for making all threaded
connections to the pump. Do not use pipe dope; pipe dope will cause
stress cracking in the pump.
NOTICE: Pump suction and discharge connections have molded in
thread stops. DO NOT try to screw pipe in beyond these stops.
4
From
Pool
Suction
Main
Pool
Pump
Filter
Heater
(If used)
Pool
Booster
Pump
To
Pool
Return
To
Pool
Cleaner
POOL RETURN
LINE
GATE
VALVE
3/4" RIGID OR NON-COLLAPSIBLE
FLEXIBLE PLUMBING
FIGURE 1

Related product manuals