EasyManua.ls Logo

Stahl STD 0502-8/2 - Page 10

Default Icon
13 pages
Print Icon
To Next Page IconTo Next Page
To Next Page IconTo Next Page
To Previous Page IconTo Previous Page
To Previous Page IconTo Previous Page
Loading...
ST.FM
Kettenzüge ST
ST chain hoists
Palans à chaîne ST
44
07.18
Doppelkettenzüge STD
STD dual chain hoists
Palans à chaîne STD à deux crochets
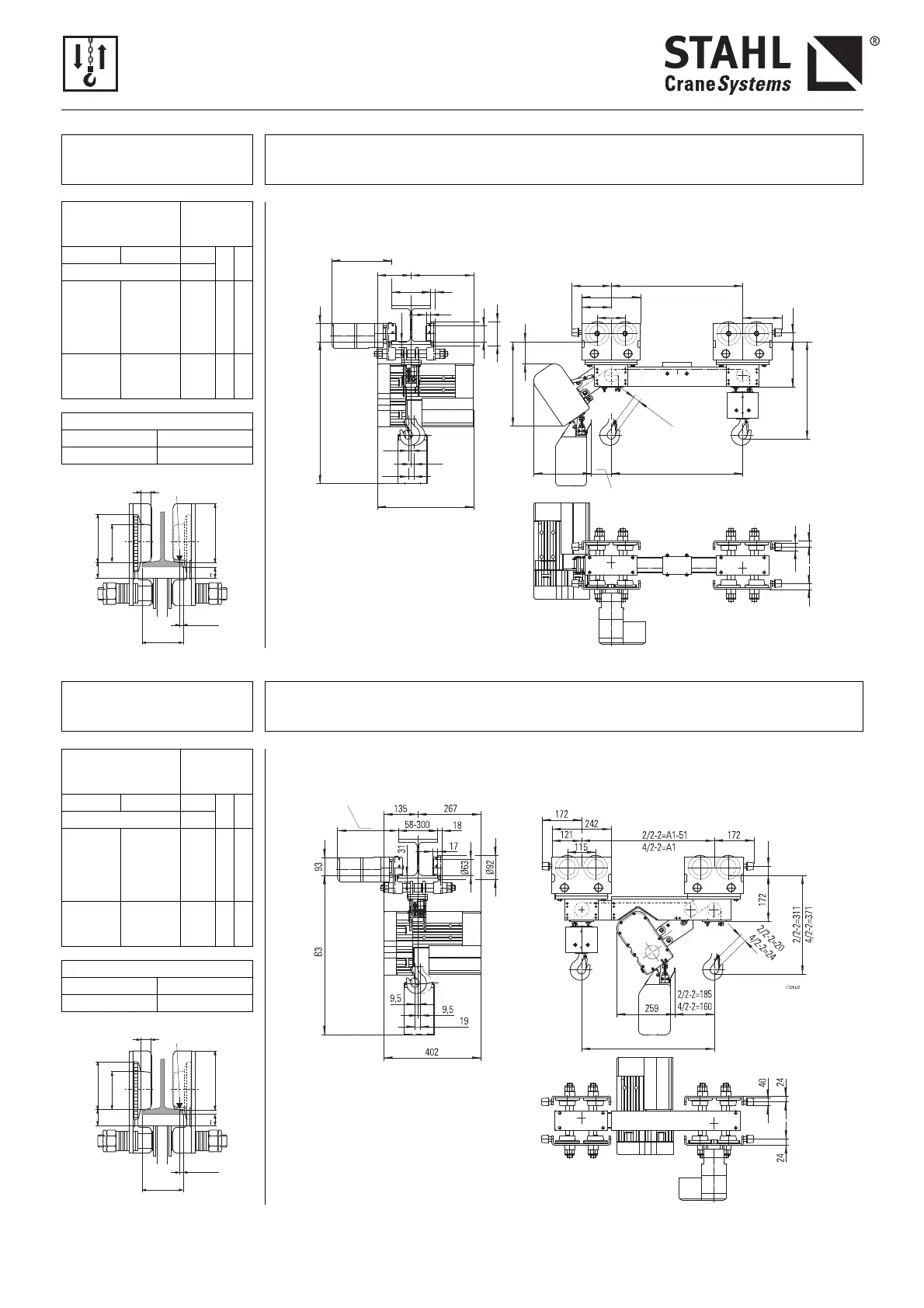
Elektrofahrwerk Electric trolley Chariot électrique
Auswahltabelle: 38 Selection table: 38 Tableau de sélection : 38
24
Ø40
24
48,5
2/2-2=20
4/2-2=24
2/2-2=102
4/2-2=77
2/2-2=311
4/2-2=371
A1
267
18
17
58-300
93
B3
Ø63
Ø92
135
31
350
79
172
121
242
115
B1=A1
172
172
259
9,5
9,5
19
402
c1226v01
20/25 m/min (50/60 Hz): 317
< 20/25 m/min (50/60 Hz): 338
* Material des Kettenspeichers
K = Kunststoff
S = Stahlblech
T = Textil
*2 Bei geneigtem Flansch
* Material of chain box
K = Plastic
S = Sheet metal
T = Fabric
*2 With sloping flange
* Matériau du bac à chaîne
K = Matière plastique
S = Tôle d’acier
T = Textile
*2 Avec bride inclinée
Elektrofahrwerk Electric trolley Chariot électrique
Auswahltabelle: 38 Selection table: 38 Tableau de sélection : 38
A1
20/25 m/min (50/60 Hz): 317
< 20/25 m/min (50/60 Hz): 338
48,5
STD 10..E
max. Hakenweg
max. hook path
Hauteur de levée max.
KFD 10.10E
2/2-2 4/2-2 B3 *
[m] [mm]
2x 4
2x 9
2x 13
2x 16
2x 20
2x 2
2x 4,5
2x 6,5
2x 8
2x 10
670
757
837
827
877
K
T
T
T
S
Standard
2x 4
2x 9
2x 13
2x 2
2x 4,5
2x 6,5
657
757
837
S
S
S
Option
A1 min. - max. [mm]
2/2-2 4/2-2
272 - 2992 272 - 2992
c1228a01
Ø63
78
25
17
58...300
3,5 (8)*2
96
R
5
>
R C090
STD 10..Z
max. Hakenweg
max. hook path
Hauteur de levée max.
KFD 10.10E
2/2-2 4/2-2 B3 *
[m] [mm]
2x 4
2x 9
2x 13
2x 16
2x 20
2x 2
2x 4,5
2x 6,5
2x 8
2x 10
727
814
894
884
934
K
T
T
T
S
Standard
2x 4
2x 9
2x 13
2x 2
2x 4,5
2x 6,5
714
814
894
S
S
S
Option
A1 min. - max. [mm]
2/2-2 4/2-2
593 - 2993 542 - 3006
c1228a01
Ø63
78
25
17
58...300
3,5 (8)*2
96
R
5
>
R C090

Related product manuals