EasyManua.ls Logo

Stairmaster StepMill SM5 - Page 12

Stairmaster StepMill SM5
30 pages
Print Icon
To Next Page IconTo Next Page
To Next Page IconTo Next Page
To Previous Page IconTo Previous Page
To Previous Page IconTo Previous Page
Loading...
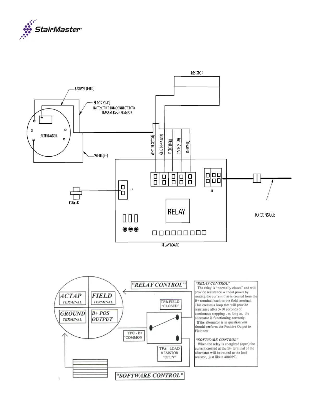
Major Components
Power System
Last revised 10/5/15

Other manuals for Stairmaster StepMill SM5

Related product manuals