EasyManua.ls Logo

Stamina 4825 - Page 8

Stamina 4825
23 pages
Print Icon
To Next Page IconTo Next Page
To Next Page IconTo Next Page
To Previous Page IconTo Previous Page
To Previous Page IconTo Previous Page
Loading...
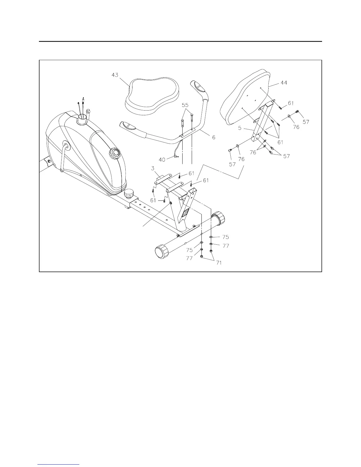
ASSEMBLY INSTRUCTIONS
8
STEP 3
Attach the HANDRAIL(6) to the REAR FRAME(3) with CARRIAGE BOLTS(M8x1.25x45mm)(55), ARC
WASHERS(M8)(75), LOCK WASHERS(M8)(77), and ACORN NUTS(M8x1.25)(71). Plug the PULSE
SENSOR WIRE(40) into the Socket of the PULSE EXTENSION WIRE(38) located on the REAR FRAME(3).
STEP 4
Attach the SEAT(43) to the REAR FRAME(3) with ROUND HEAD BOLTS(M6x1x20mm)(61).
STEP 5
Attach the BACK SUPPORT(5) to the REAR FRAME(3) with BUTTON HEAD BOLTS(M8x1.25x15mm)(57)
and WASHERS(M8)(76). Attach the BACK CUSHION(44) to the BACK SUPPORT(5) with ROUND HEAD
BOLTS(M6x1x20mm)(61).
Socket of
Pulse Extension
Wire(38)

Related product manuals