EasyManua.ls Logo

Stamina 4825 - Assembly Instructions

Stamina 4825
23 pages
Print Icon
To Next Page IconTo Next Page
To Next Page IconTo Next Page
To Previous Page IconTo Previous Page
To Previous Page IconTo Previous Page
Loading...
ASSEMBLY INSTRUCTIONS
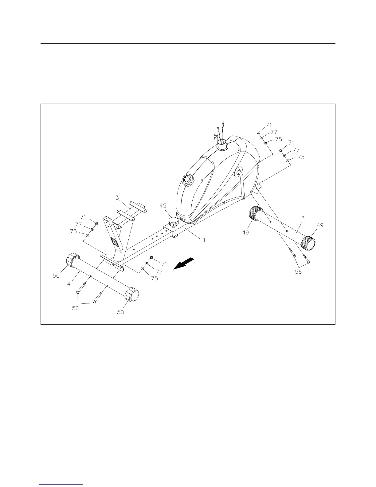
STEP 2
Rotate the ADJUSTMENT KNOB(45) counterclockwise until the knob portion can be pulled. Pull the
ADJUSTMENT KNOB(45) and slide the REAR FRAME(3) backward. Lock the REAR FRAME(3) in position
by inserting the pin of the ADJUSTMENT KNOB(45) into one of the adjustment holes in the REAR FRAME(3),
then rotate the ADJUSTMENT KNOB(45) clockwise to lock the REAR FRAME(3) securely. Attach the
REAR STABILIZER(4), the one with the LEVELING CAPS(50), to the REAR FRAME(3) with CARRIAGE
BOLTS(M8x1.25x75mm)(56), ARC WASHERS(M8)(75), LOCK WASHERS(M8)(77), and ACORN
NUTS(M8x1.25)(71).
NOTE:
You can adjust the LEVELING CAPS(50) on the REAR STABILIZER(4) to keep the Recumbent
Bike stable.
7
STEP 1
Attach the FRONT STABILIZER(2), the short one with the WHEELS(49), to the front of the FRONT FRAME(1)
with CARRIAGE BOLTS(M8x1.25x75mm)(56), ARC WASHERS(M8)(75), LOCK WASHERS(M8)(77), and
ACORN NUTS(M8x1.25)(71).
Place all parts from the box in a cleared area and position them on the floor in front of you. Remove all
packing materials from your area and place them back into the box. Do not dispose of the packing materials
until assembly is completed. Read each step carefully before beginning. If you are missing a part please call
our toll-free number for assistance 1-800-375-7520 or e-mail us at: customerservice@staminaproducts.com

Related product manuals