EasyManua.ls Logo

Stamina FUSION 7200 - Page 8

Stamina FUSION 7200
27 pages
Print Icon
To Next Page IconTo Next Page
To Next Page IconTo Next Page
To Previous Page IconTo Previous Page
To Previous Page IconTo Previous Page
Loading...
ASSEMBLY INSTRUCTIONS
8
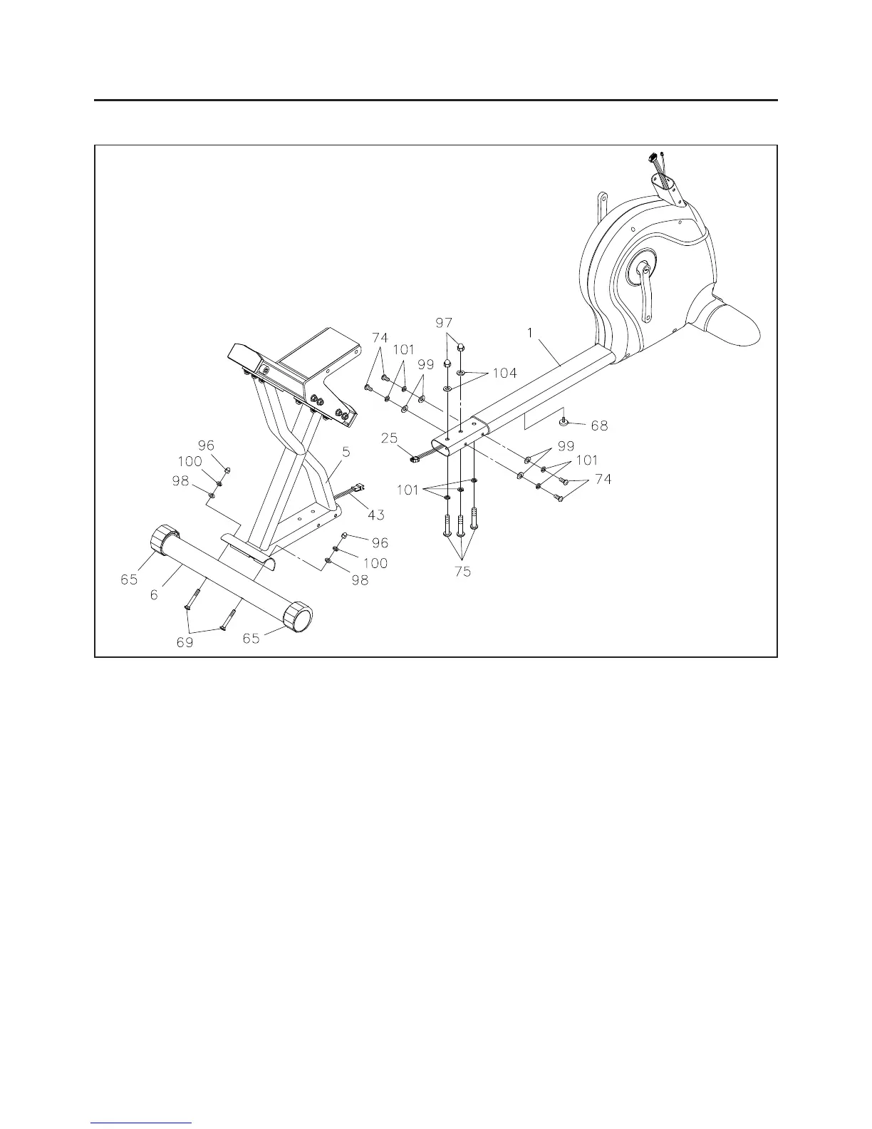
STEP 3
Attach the REAR STABILIZER(6) to the REAR FRAME(5) with CARRIAGE BOLTS(M8x1.25x75mm)(69),
ARC WASHERS(M8)(98), LOCK WASHERS(M8)(100), and ACORN NUTS(M8x1.25)(96).
STEP 4
Screw the STAND(68) all the way up into the bottom of the FRONT FRAME(1). Connect the PULSE
EXTENSION WIRE(43) to the CONTROL WIRE(25). Insert the REAR FRAME(5) onto the FRONT FRAME(1)
and secure with BUTTON HEAD BOLTS(M10x1.5x20mm)(74), BUTTON HEAD BOLTS(M10x1.5x53mm)
(75), ARC WASHERS(M10)(99), WASHERS(M10)(104), LOCK WASHERS(M10)(101), and ACORN
NUTS(M10x1.5)(97).
NOTE: See page 13 for detailed leveling instructions to prevent rocking.

Related product manuals