EasyManua.ls Logo

STARTRITE 501S - Diagrams & Components

Default Icon
23 pages
Print Icon
To Next Page IconTo Next Page
To Next Page IconTo Next Page
To Previous Page IconTo Previous Page
To Previous Page IconTo Previous Page
Loading...
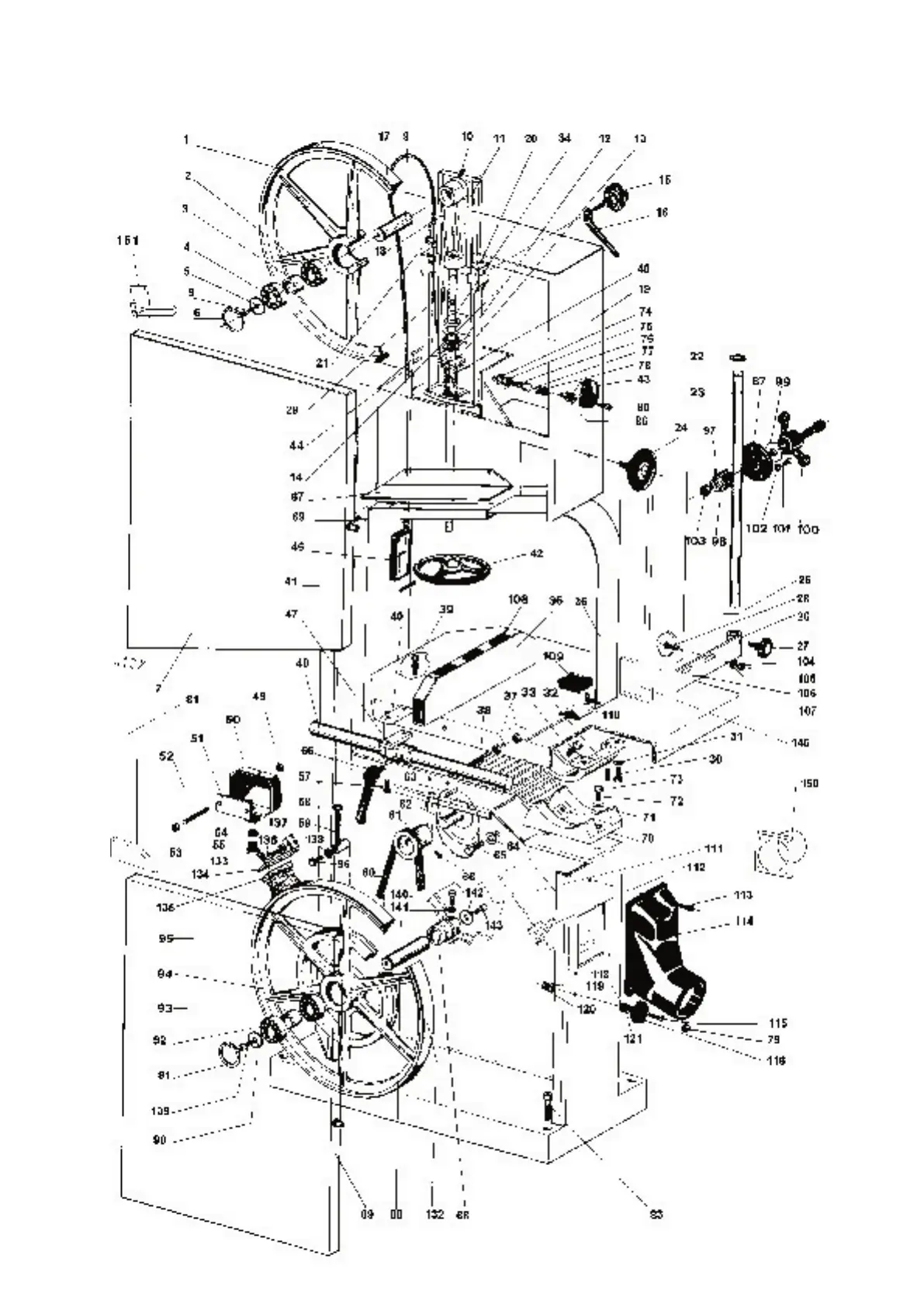
10. Diagrams & Components

Related product manuals