EasyManua.ls Logo

SteamSpa 12KW - Page 23

Default Icon
28 pages
Print Icon
To Next Page IconTo Next Page
To Next Page IconTo Next Page
To Previous Page IconTo Previous Page
To Previous Page IconTo Previous Page
Loading...
SteamSpa PHONE: 800-856-0172 FAX: 866-560-5662 http://steamspa.com info@steamspa.com
Page 23
INSTALLATION & USER GUIDE
6KW
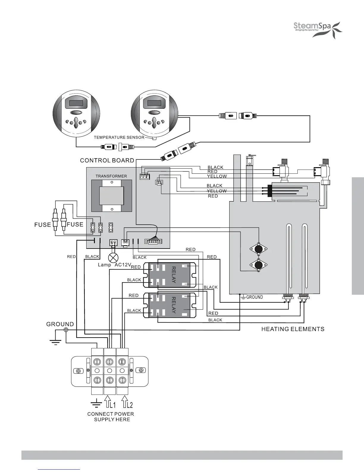
Control panel(outside room) Control panel(inside room)
240V

Related product manuals