EasyManua.ls Logo

SteamSpa 12KW - Wiring Diagrams

Default Icon
28 pages
Print Icon
To Next Page IconTo Next Page
To Next Page IconTo Next Page
To Previous Page IconTo Previous Page
To Previous Page IconTo Previous Page
Loading...
SteamSpa PHONE: 800-856-0172 FAX: 866-560-5662 http://steamspa.com info@steamspa.com
Page 22
INSTALLATION & USER GUIDE
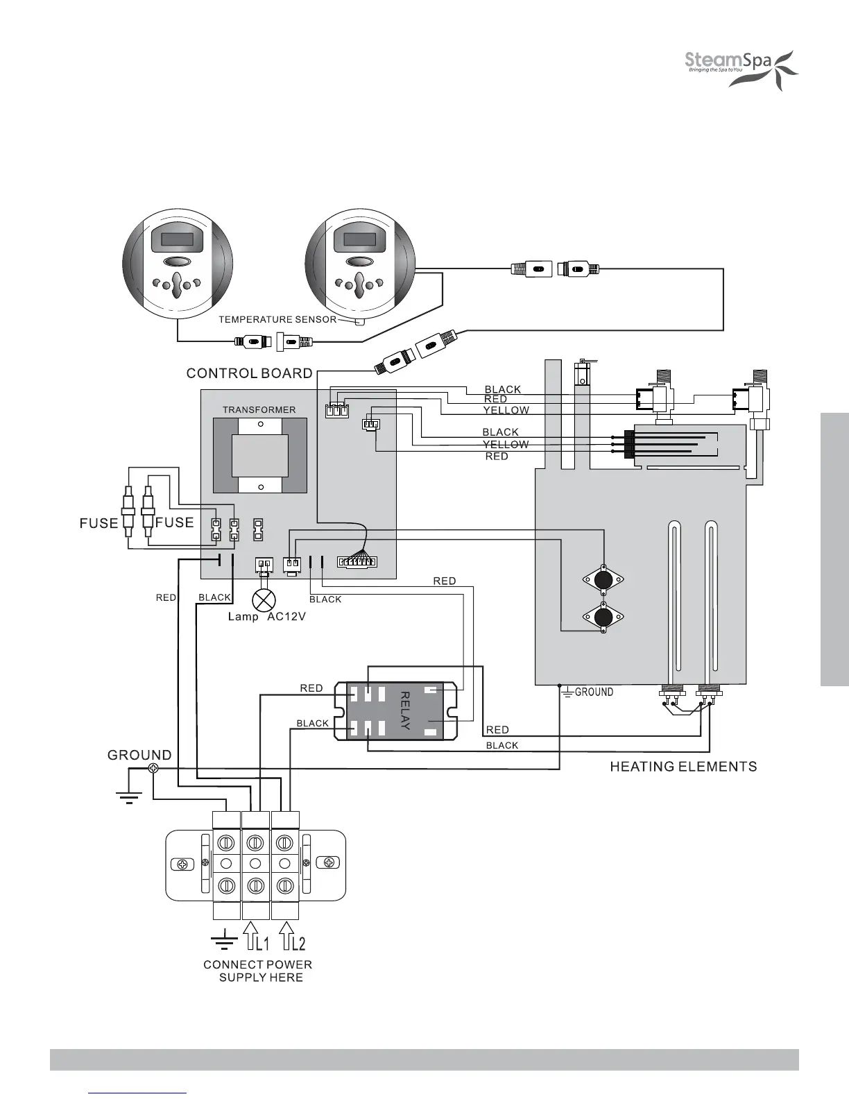
WIRING DIAGRAMS
4.5KW
Control panel(outside room) Control panel(inside room)
240V~

Related product manuals