EasyManua.ls Logo

stex S25U - Page 22

stex S25U
33 pages
Print Icon
To Next Page IconTo Next Page
To Next Page IconTo Next Page
To Previous Page IconTo Previous Page
To Previous Page IconTo Previous Page
Loading...
< 22 >
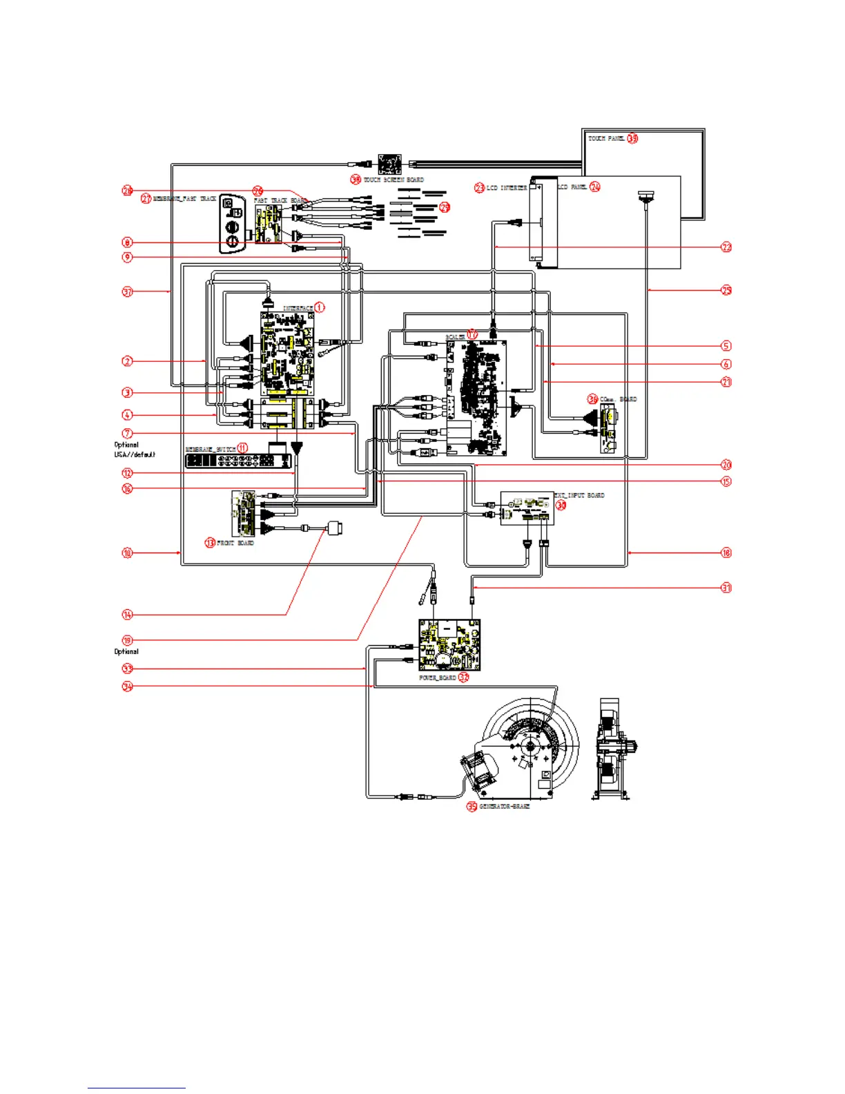
3-17 Circuit Diagram S25UXi

Related product manuals