EasyManua.ls Logo

STIEBEL ELTRON WPF 13

STIEBEL ELTRON WPF 13
48 pages
To Next Page IconTo Next Page
To Next Page IconTo Next Page
To Previous Page IconTo Previous Page
To Previous Page IconTo Previous Page
Loading...
28
15 - 17 V
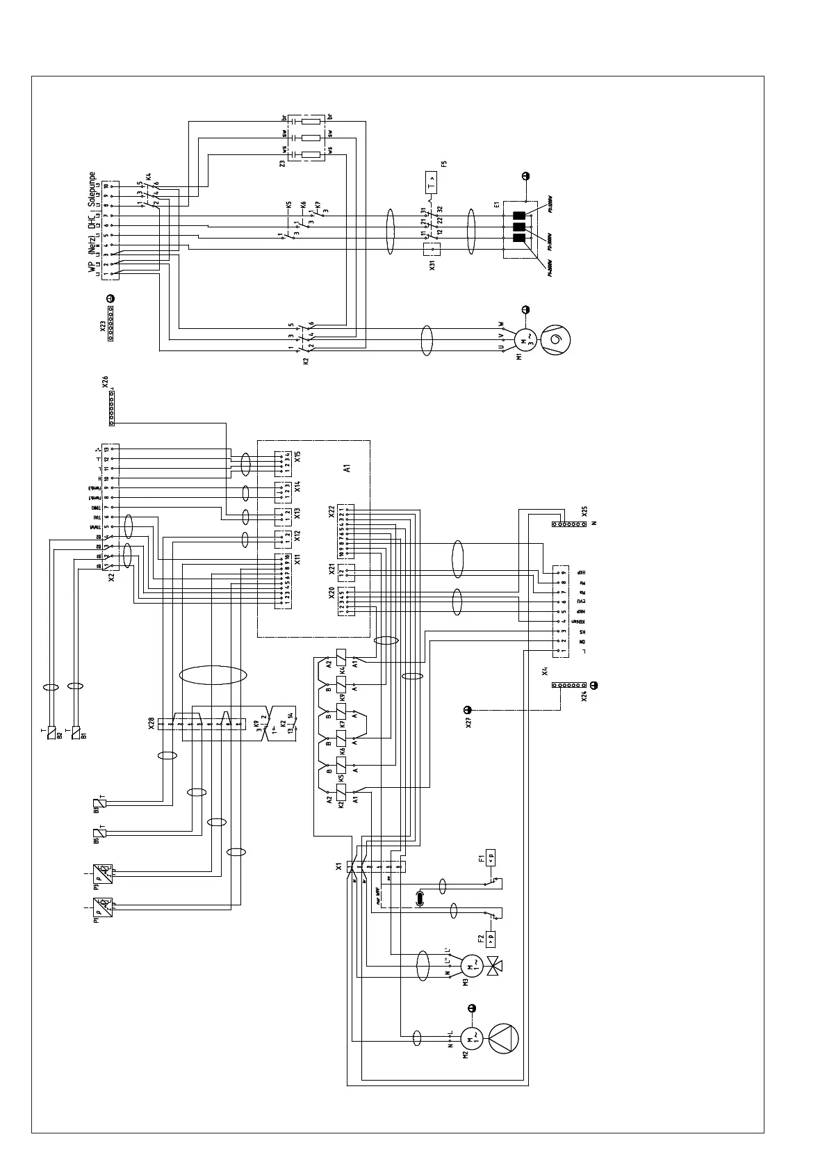
C26_03_01_0269
A1 WPMiw heat pump manager
B1 Temperature sensor HP flow
B2 Temperature sensor HP return
B3 Temperature sensor heat source
B5 Temperature sensor Heißgas
E1 Electrical supplementary heater (DHC)
F1 Low pressure limiter (only for WPW)
F2 High pressure limiter
F5 High limit safety cut-out for DHC
K2 Contactor – compressor start
K4 Contactor - brine pump
K5 Relay - supplementary heater
K6 Relay - supplementary heater
K7 Relay - supplementary heater
K9 Relay Schütz klebt
M1 Motor - compressor
M2 Motor-pump
M3 Diverter valve motorised
P1 High pressure transducer
P3 Low pressure transducer
X1 Terminals
X2 Terminal LV
X3 Mains supply
X4 Terminals - control
X11 Socket plug temperature sensor WPMiw
X12 Socket plug WQ temperature sensor WPMiw
X13 Socket plug mixer circuit temp. WPMiw
X14 Socket plug remote control WPMiw
X15 Socket plug BUS WPMiw
X20 Socket plug pumps and ESC WPMiw
X21 Socket plug mixer control WPMiw
X22 Socket plug external pump WPMiw
X23 Earth block – mains supply
X24 Earth block control
X25 N block control
X26 Earth block LV
X27 Earth plug-in block
X28 Socket terminal strip 9-pole
X31 Terminal supplementary heater
Z3 Supressor
Wiring diagram
WPF 5 (Triplephase)

Table of Contents

Other manuals for STIEBEL ELTRON WPF 13

Related product manuals